Духовые шкафы LEX EDM 4570 С IV - инструкция пользователя по применению, эксплуатации и установке на русском языке. Мы надеемся, она поможет вам решить возникшие у вас вопросы при эксплуатации техники.
Если остались вопросы, задайте их в комментариях после инструкции.
"Загружаем инструкцию", означает, что нужно подождать пока файл загрузится и можно будет его читать онлайн. Некоторые инструкции очень большие и время их появления зависит от вашей скорости интернета.

9
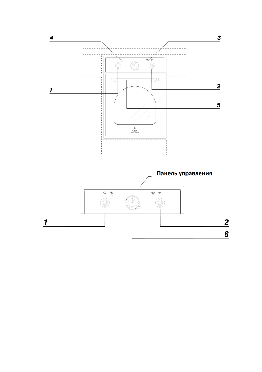
Описание устройства
1 Переключатель режимов духового шкафа
2 Регулятор температуры
3 Таймер
4 Красный световой индикатор регулятора температуры
5 Желтый световой индикатор работы духового шкафа
6 Таймер
Содержание
- 2 Содержание
- 3 УВАЖАЕМЫЙ ПОКУПАТЕЛЬ!; Мы уверены, что Вы сделали правильный выбор и
- 4 Важные правила безопасности; ПЕРЕД МОНТАЖОМ; Перед первым использованием мы рекомендуем прокалить духовку с
- 5 УКАЗАНИЯ ПО БЕЗОПАСНОСТИ
- 6 Не храните в духовом шкафу легковоспламеняющиеся предметы.; Опасность короткого замыкания!; изделие необходимо отключить от электросети.
- 7 Пластиковые упаковки; • Не оставляйте упаковку или ее части без присмотра.; КАК ПРЕДОТВРАТИТЬ ПОВРЕЖДЕНИЕ ПРИБОРА
- 8 пропадает немного тепла и время готовки увеличивается.
- 9 Описание устройства
- 10 Принадлежности духового шкафа; Глубокий противень; Установка
- 12 Духовой шкаф рассчитан на работу от; однофазной сети переменного тока; . Схема подключения находится на крышке соединительной коробки.
- 13 Эксплуатация; Существует риск травмы, ожога и поражения электрическим током
- 16 Верхний и нижний нагрев.; Включите нижний нагрев с термовентилятором.
- 17 С помощью переключателя выбрать режим гриля.; Уход и обслуживание; едкие или абразивные чистящие средства,
- 18 Соблюдайте инструкции изготовителя.; Зона очистки
- 19 Очистка прибора изнутри; Указания
- 20 Рекомендации; Немедленно удаляйте пятна извести, жира, крахмала и яичного белка.
- 21 Демонтаж дверцы; Полностью откройте дверцу духового шкафа.
- 23 ЧТО ДЕЛАТЬ В СЛУЧАЕ НЕИСПРАВНОСТИ?
- 25 ПРИГОТОВЛЕНИЕ ПИЩИ. ПРАКТИЧЕСКИЕ СОВЕТЫ; необходимое блюдо, ориентируйтесь на данные; Предварительный нагрев духовки требуется; , если это указано в рецепте или в таблице; выключить духовку за 10; до окончания приготовления, чтобы использовать
- 28 килограмма следует прибавлять 30-40 минут.
- 31 ПРАВИЛА УТИЛИЗАЦИИ; Согласно ст. 26 законодательного декрета от 14 марта












