Духовые шкафы Deluxe 6006.03ЭШВ-003 - инструкция пользователя по применению, эксплуатации и установке на русском языке. Мы надеемся, она поможет вам решить возникшие у вас вопросы при эксплуатации техники.
Если остались вопросы, задайте их в комментариях после инструкции.
"Загружаем инструкцию", означает, что нужно подождать пока файл загрузится и можно будет его читать онлайн. Некоторые инструкции очень большие и время их появления зависит от вашей скорости интернета.

ПОРЯДОК РАБОТЫ
13
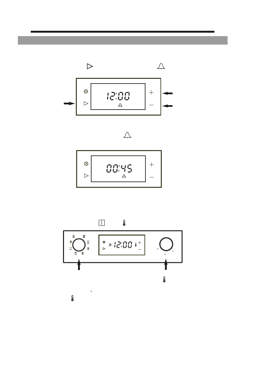
Переключатель режимов установить в необходимый режим приготовления.
Ручкой терморегулятора установить значение температуры приготовления. На
дисплее загорятся символы « » и « », включится освещение духовки.
При достижении заданной температуры символ « » погаснет - значение
температуры в духовке стало равно заданному значению, ТЭН-ы отключились.
При остывании на 10-15 С нагревательные элементы вновь включатся,
загорится символ « ».
Режим работы без ограничения времени
0
0
250
200
150
100
Нажатием на кнопку « » установить символ « ».
Кнопками « + » или « - » задать необходимое значение времени, по
истечении которого появится звуковой сигнал. Для выключения сигнала
нажать кнопку «+» или «-». Символ « » погаснет, на дисплее высветится
текущее время.
Установка таймера
««
« «
Содержание
- 2 ОБЩИЕ УКАЗАНИЯ; ТРЕБОВАНИЯ ПО ТЕХНИКИ БЕЗОПАСНОСТИ; IES
- 4 ТЕХНИЧЕСКИЕ ДАННЫЕ; бляемая; РАСПАКОВКА
- 6 Электрошкаф имеет элементы управления, расположенные на панели
- 7 для установки на желаемом уровне противней и решётки.; ЭЛЕКТРОННЫЙ ПРОГРАММАТОР; В электрошкафе имеется электронный сенсорный программатор (см.
- 8 УСТАНОВКА; Распакуйте электрошкаф, снимите липкую ленту и все упаковочные
- 10 Подключение электрошкафа к электрической сети должен; ПОДКЛЮЧЕНИЕ К ЭЛЕКТРИЧЕСКОЙ СЕТИ
- 11 ПОРЯДОК РАБОТЫ
- 13 ПОРЯДОК РАБОТЫ; При достижении заданной температуры символ « » погаснет - значение; Режим работы без ограничения времени; Нажатием на кнопку « » установить символ « ».; Установка таймера
- 14 END
- 15 Нажатием на кнопку « » установить символ « ». Кнопками «+», «-»
- 16 Нажатием на кнопку « » установить символ « » и индикация «OFF».
- 17 УХОД ЗА ЭЛЕКТРОШКАФОМ; Когда Вы моете электрошкаф внутри, резиновое
- 18 Если решетка в электрошкафу крепится винтами, то для её снятия
- 19 УСТРАНЕНИЕ НЕИСПРАВНОСТЕЙ
- 20 Штамп ОТК; Электрошкаф жарочный
- 21 ГАРАНТИЙНЫЕ ОБЯЗАТЕЛЬСТВА; Ремонт электрошкафов производят ремонтные организации, адреса; servis; ПРАВИЛА ТРАНСПОРТИРОВАНИЯ И ХРАНЕНИЯ
- 22 РЕКОМЕНДАЦИИ
Характеристики
Остались вопросы?Не нашли свой ответ в руководстве или возникли другие проблемы? Задайте свой вопрос в форме ниже с подробным описанием вашей ситуации, чтобы другие люди и специалисты смогли дать на него ответ. Если вы знаете как решить проблему другого человека, пожалуйста, подскажите ему :)












