Домофоны HiWatch DS-D100K 00-00001202 - инструкция пользователя по применению, эксплуатации и установке на русском языке. Мы надеемся, она поможет вам решить возникшие у вас вопросы при эксплуатации техники.
Если остались вопросы, задайте их в комментариях после инструкции.
"Загружаем инструкцию", означает, что нужно подождать пока файл загрузится и можно будет его читать онлайн. Некоторые инструкции очень большие и время их появления зависит от вашей скорости интернета.

Комплект видеодомофона
·
Руководство пользователя
13
3.2.3
Подключение
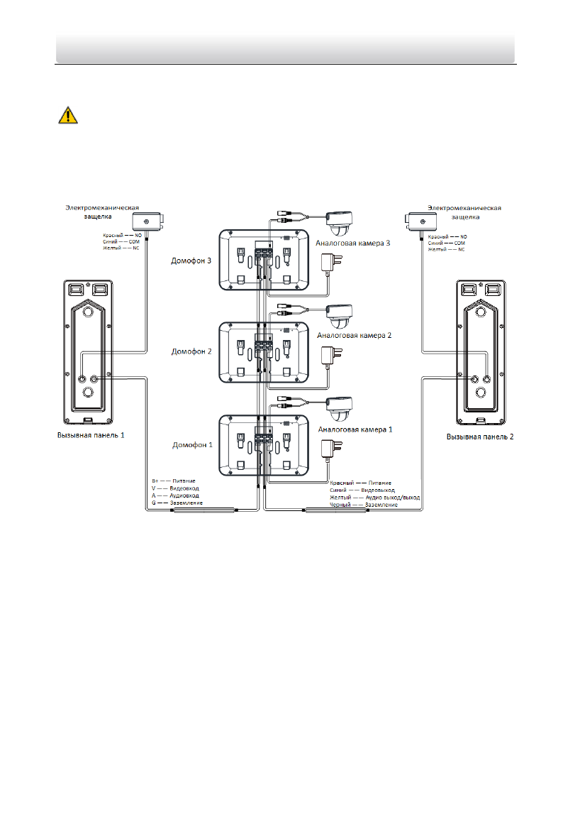
3 (
2 вызывные панели и 3 видеодомофона
)
Внимание
Не подвергайте кабели питания на задней панели вызывной панели
физическому воздействию, чтобы избежать их отсоединения.
Используйте изоленту
для изоляции места соединения проводов, чтобы
избежать короткого замыкания.
Рисунок 3
-5
Подключение
3
(2 вызывные панели и 3 видеодомофона)












