Домофоны Falcon Eye FE-78Z - инструкция пользователя по применению, эксплуатации и установке на русском языке. Мы надеемся, она поможет вам решить возникшие у вас вопросы при эксплуатации техники.
Если остались вопросы, задайте их в комментариях после инструкции.
"Загружаем инструкцию", означает, что нужно подождать пока файл загрузится и можно будет его читать онлайн. Некоторые инструкции очень большие и время их появления зависит от вашей скорости интернета.

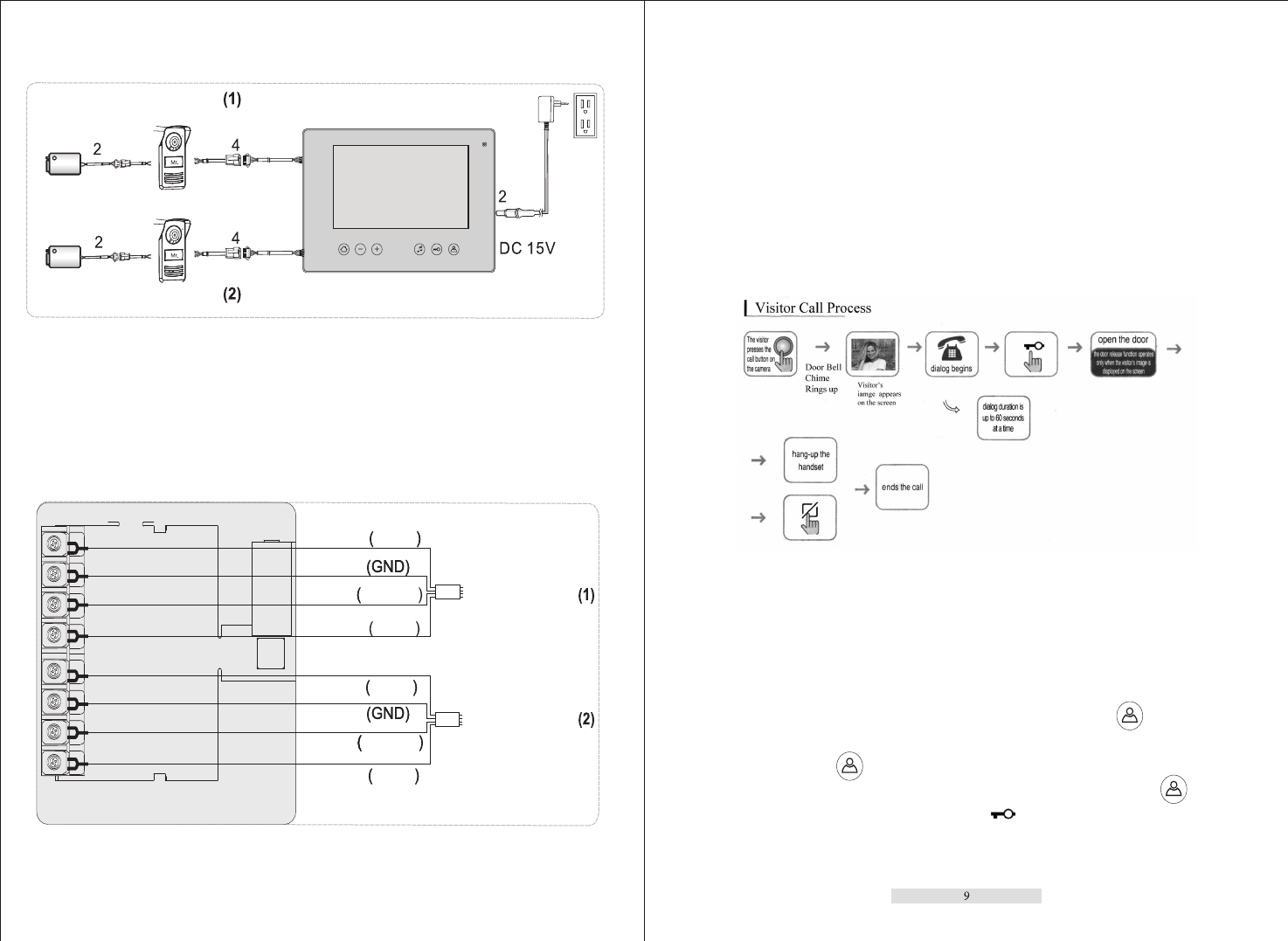
Схема подключения
Меры предосторожности при подключении:
1. Если в непосредственной близости находится кабель под высоким напряжением,
используйте коаксиальный кабель с металлической наружной оболочкой.
2. Использование кабеля с поврежденной изоляцией может привести к короткому
замыканию и стать причиной неисправности или пожара.
3. Перед подключением монитора к вызывной панели убедитесь, что монитор
выключен.
Настройка и использование
Использование домофона
Включите монитор.
1. Когда посетитель нажимает кнопку вызова, на Вашем аппарате раздается звуковой
сигнал.
2. На экране появляется изображение с вызывной панели;
A. Если Вы не собираетесь отвечать, то просто не нажимаете кнопку
; изображение
исчезнет с экрана через 50 секунд.
B. Для ответа нажмите
, в этом случае изображение собеседника будет выводиться
на экран в течение 90 секунд, либо до тех пор, пока Вы не нажмете кнопку
.
3. После разговора нажмите кнопку «Открыть» ( ) для автоматической разблокировки
дверей.
Замок
Замок
Выз. панель
Выз. панель
Жилы
Жилы
Монитор
Жилы
Жилы
Жилы
Питание
Желтый
Желтый
Желтый
Желтый
Черный
Черный
Черный
Черный
Красный
Красный
Красный
Красный
Вызывная панель
Вызывная панель
Вызывная панель
Вызывная панель
Вызывная панель
Вызывная панель
Белый
Белый
Белый
Белый
Белый
Видео
Питание
Питание
Аудио
Аудио
Аудио
Питание
Питание
Питание
Видео
Видео
Аудио
Видео
Видео
Видео
Схема подключения
Характеристики
Остались вопросы?Не нашли свой ответ в руководстве или возникли другие проблемы? Задайте свой вопрос в форме ниже с подробным описанием вашей ситуации, чтобы другие люди и специалисты смогли дать на него ответ. Если вы знаете как решить проблему другого человека, пожалуйста, подскажите ему :)

