Домофоны Falcon Eye FE-101M - инструкция пользователя по применению, эксплуатации и установке на русском языке. Мы надеемся, она поможет вам решить возникшие у вас вопросы при эксплуатации техники.
Если остались вопросы, задайте их в комментариях после инструкции.
"Загружаем инструкцию", означает, что нужно подождать пока файл загрузится и можно будет его читать онлайн. Некоторые инструкции очень большие и время их появления зависит от вашей скорости интернета.

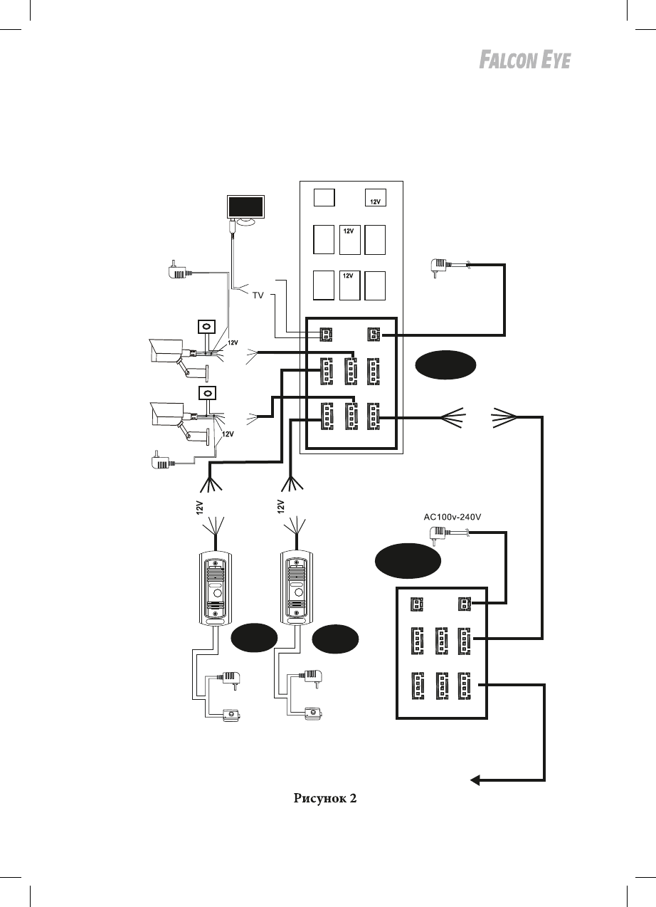
Назначения контактов приведены ниже:
T V
- В Ы ХОД
П И ТА Н И Е
П А Н Е Л Ь 1
П А Н Е Л Ь 2 К А М Е РА 2 В Ы ХОД
ВХОД
К А М Е РА 1
T V
- В Ы ХОД
П И ТА Н И Е
П А Н Е Л Ь 1
П А Н Е Л Ь 2 К А М Е РА 2 В Ы ХОД
ВХОД
К А М Е РА 1
T V
- В Ы ХОД
П И ТА Н И Е
П А Н Е Л Ь 1 К А М Е РА 1
ВХОД
В Ы ХОД
П А Н Е Л Ь 2 К А М Е РА 2
+ 1 2
АУД И О
АУД И О
В И Д Е О
В И Д Е О
В И Д Е О
О Б Щ И Й
О Б Щ И Й
Т Р Е ВО ГА
О Б Щ И Й
+ 1 2
АУД И О
В И Д Е О
О Б Щ И Й
В И Д Е О
О Б Щ И Й
Т Р Е ВО ГА
АУД И О
В И Д Е О
О Б Щ И Й
Д А Н Н Ы Е
Д А Н Н Ы Е
О Б Щ И Й
О Б Щ И Й
В И Д Е О
ОБЩИЙ
КАМЕРА1
КАМЕРА2
ПАНЕЛЬ1
ПАНЕЛЬ2
АУД И О
В И Д Е О
О Б Щ И Й
Д А Н Н Ы Е
В И Д Е О
О Б Щ И Й
Т Р Е ВО ГА
Т Р Е ВО ГА 1
Т Р Е ВО ГА 2
В И Д Е О
О Б Щ И Й
Т Р Е ВО ГА
В
И
Д
Е
О
О
Б
Щ
И
Й
А
УД
И
О
В
И
Д
Е
О
О
Б
Щ
И
Й
А
УД
И
О
Блок питания
(
AC100V-240V)
Основное
устройство
Блок питания
для камеры
Питание
электрического
замка
Блок питания
для разблокировки
Блок питание
электрического
замка
Блок питания
для камеры
Вспомогательное
устройство
Следующее
вспомогательное
устройство
www.falconeye.su
9
Блок питания
для разблокировки