Dnipro-M ПЕ-2813Б - Инструкция по эксплуатации

Dnipro-M ПЕ-2813Б

Перфоратор Dnipro-M ПЕ-2813Б - инструкция пользователя по применению, эксплуатации и установке на русском языке. Мы надеемся, она поможет вам решить возникшие у вас вопросы при эксплуатации техники.

Если остались дополнительные вопросы — свяжитесь с нами через контактную форму.

1 Страница 1
2 Страница 2
3 Страница 3
4 Страница 4
5 Страница 5
6 Страница 6
7 Страница 7
8 Страница 8
9 Страница 9
10 Страница 10
11 Страница 11
12 Страница 12
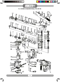
13 Страница 13
14 Страница 14
15 Страница 15
16 Страница 16
17 Страница 17
18 Страница 18
19 Страница 19
20 Страница 20
Страница: / 20
Загрузка инструкции

1

ПЕРФОРАТОР ЕЛЕКТРИЧНИЙ

ІНСТРУКЦІЯ З ЕКСПЛУАТАЦІЇ

Будь ласка, уважно прочитайте інструкцію

перед експлуатацією даного пристрою

мод. ПЕ-2813Б

ПЕ-3217Б

"Загрузка инструкции" означает, что нужно подождать пока файл загрузится и можно будет его читать онлайн. Некоторые инструкции очень большие и время их появления зависит от вашей скорости интернета.

Характеристики

Другие модели - Перфораторы Dnipro-M