Dnipro-M Dnipro-M CD-121Q - Инструкция по эксплуатации

Dnipro-M Dnipro-M CD-121Q

Шуруповерт Dnipro-M Dnipro-M CD-121Q - инструкция пользователя по применению, эксплуатации и установке на русском языке. Мы надеемся, она поможет вам решить возникшие у вас вопросы при эксплуатации техники.

Если остались дополнительные вопросы — свяжитесь с нами через контактную форму.

1 Страница 1
2 Страница 2
3 Страница 3
4 Страница 4
5 Страница 5
6 Страница 6
7 Страница 7
8 Страница 8
9 Страница 9
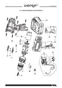
10 Страница 10
11 Страница 11
12 Страница 12
13 Страница 13
14 Страница 14
15 Страница 15
16 Страница 16
17 Страница 17
18 Страница 18
19 Страница 19
20 Страница 20
Страница: / 20
Загрузка инструкции

Акумуляторний дриль-шуруповерт

CD-121Q, CD-121QL,

CD-122QS, CD-123QS

ІНСТРУКЦІЯ З ЕКСПЛУАТАЦІЇ

"Загрузка инструкции" означает, что нужно подождать пока файл загрузится и можно будет его читать онлайн. Некоторые инструкции очень большие и время их появления зависит от вашей скорости интернета.

Характеристики

Другие модели - Шуруповерты Dnipro-M

Все шуруповерты Dnipro-M