Centurion TANGO v.2 - Инструкция по эксплуатации

Centurion TANGO v.2

Автосигнализация Centurion TANGO v.2 - инструкция пользователя по применению, эксплуатации и установке на русском языке. Мы надеемся, она поможет вам решить возникшие у вас вопросы при эксплуатации техники.

Если остались дополнительные вопросы — свяжитесь с нами через контактную форму.

1 Страница 1
2 Страница 2
3 Страница 3
4 Страница 4
5 Страница 5
6 Страница 6
7 Страница 7
8 Страница 8
9 Страница 9
10 Страница 10
11 Страница 11
12 Страница 12
13 Страница 13
14 Страница 14
15 Страница 15
16 Страница 16
17 Страница 17
18 Страница 18
19 Страница 19
20 Страница 20
Страница: / 20
Загрузка инструкции

3

Содержание

Глава

1.

Установка

и

подключение

системы

. . . . . . . . . . . . . . . . . . . . . . . . . 4

КОМПЛЕКТНОСТЬ

. . . . . . . . . . . . . . . . . . . . . . . . . . . . . . . . . . . . . . . . . . . . . . . . . . . . . . . 4

ВНИМАНИЮ

УСТАНОВЩИКА

! . . . . . . . . . . . . . . . . . . . . . . . . . . . . . . . . . . . . . . . . . . . . . .

4

СХЕМА

ПОДКЛЮЧЕНИЯ

И

НАЗНАЧЕНИЕ

ПРОВОДОВ

РАЗЪЕМОВ

СИСТЕМЫ

. . . . . .

5

Разъем

#1 –

силовые

цепи

и

автозапуск

. . . . . . . . . . . . . . . . . . . . . . . . . . . . . . . . . .

5

Разъем

#2 –

замки

дверей

,

световые

сигналы

,

масса

,

сирена

. . . . . . . . . . . . . . . . 6

Разъем

#3 –

входы

датчиков

и

слаботочные

выходы

. . . . . . . . . . . . . . . . . . . . . . . 7

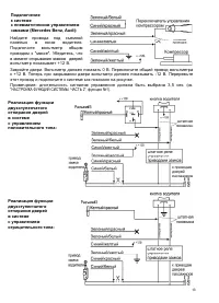
Разъем

#4 –

приемо

-

передающий

модуль

со

светодиодными

индикаторами

. . . . . 11

Разъем

#5 –

служебная

кнопка

. . . . . . . . . . . . . . . . . . . . . . . . . . . . . . . . . . . . . . . . .

11

Разъем

#6 –

датчик

удара

. . . . . . . . . . . . . . . . . . . . . . . . . . . . . . . . . . . . . . . . . . . . .

11

Разъем

#7 –

дополнительный

датчик

(

опция

). . . . . . . . . . . . . . . . . . . . . . . . . . . . .

11

Датчик

температуры

. . . . . . . . . . . . . . . . . . . . . . . . . . . . . . . . . . . . . . . . . . . . . . . . . . 11

УПРАВЛЕНИЕ

ЗАМКАМИ

ДВЕРЕЙ

:

ВАРИАНТЫ

ПОДКЛЮЧЕНИЯ

. . . . . . . . . . . . . . . .

12

Глава

2.

Настройка

системы

и

программирование

функций

. . . . . . . . .

14

ВЫБОР

ТИПА

ТРАНСМИССИИ

. . . . . . . . . . . . . . . . . . . . . . . . . . . . . . . . . . . . . . . . . . . . .

14

ПРОГРАММИРУЕМЫЕ

ФУНКЦИИ

СИСТЕМЫ

:

ОБЩАЯ

ИНФОРМАЦИЯ

. . . . . . . . . . .

14

НАСТРОЙКА

ФУНКЦИЙ

СИСТЕМЫ

.

ЧАСТЬ

1. . . . . . . . . . . . . . . . . . . . . . . . . . . . . . . . .

14

НАСТРОЙКА

ФУНКЦИЙ

СИСТЕМЫ

.

ЧАСТЬ

2. . . . . . . . . . . . . . . . . . . . . . . . . . . . . . . . .

15

Изменение

персонального

кода

. . . . . . . . . . . . . . . . . . . . . . . . . . . . . . . . . . . . . . . .

16

НАСТРОЙКА

ФУНКЦИЙ

СИСТЕМЫ

.

ЧАСТЬ

3. . . . . . . . . . . . . . . . . . . . . . . . . . . . . . . . .

16

НАСТРОЙКА

ФУНКЦИЙ

СИСТЕМЫ

.

ЧАСТЬ

4. . . . . . . . . . . . . . . . . . . . . . . . . . . . . . . . .

18

НАСТРОЙКА

ФУНКЦИЙ

СИСТЕМЫ

.

ЧАСТЬ

5 +

ТЕСТИРОВАНИЕ

ДАТЧИКОВ

. . . . .

19

Контроль

работы

двигателя

. . . . . . . . . . . . . . . . . . . . . . . . . . . . . . . . . . . . . . . . . . . 19

Режим

тестирования

датчиков

. . . . . . . . . . . . . . . . . . . . . . . . . . . . . . . . . . . . . . . . . 21

УСТАНОВКА

НА

АВТОМОБИЛИ

С

КНОПКОЙ

ЗАПУСКА

(SMART KEY). . . . . . . . . . . . . .

21

ВОЗВРАТ

К

ЗАВОДСКИМ

УСТАНОВКАМ

. . . . . . . . . . . . . . . . . . . . . . . . . . . . . . . . . . . . .

22

ЗАПИСЬ

КОДОВ

БРЕЛКОВ

. . . . . . . . . . . . . . . . . . . . . . . . . . . . . . . . . . . . . . . . . . . . . . . .

22

АППАРАТНОЕ

ОТКЛЮЧЕНИЕ

ПЕРСОНАЛЬНОГО

КОДА

. . . . . . . . . . . . . . . . . . . . . . . 22





"Загрузка инструкции" означает, что нужно подождать пока файл загрузится и можно будет его читать онлайн. Некоторые инструкции очень большие и время их появления зависит от вашей скорости интернета.

Характеристики

Другие модели - Автосигнализации Centurion

Все автосигнализации Centurion