Zongshen PB 6000 E 1T90DF604 - инструкции и руководства
Генератор Zongshen PB 6000 E 1T90DF604 - инструкции пользователя по применению, эксплуатации и установке на русском языке читайте онлайн в формате pdf
Инструкции:
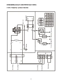
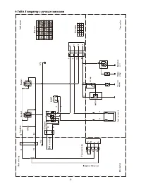
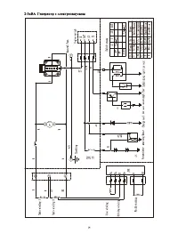
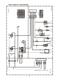
Инструкция по эксплуатации Zongshen PB 6000 E 1T90DF604
1
2
3
4
5
6
7
8
9
10
11
12
13
14
15
16
17
18
19
20
Zongshen Генераторы Инструкции
-
Zongshen KB 2500 1T90DF200
Инструкция по эксплуатации
-
Zongshen KB 3300 1T90DF330
Инструкция по эксплуатации
-
Zongshen KB 5000 1T90DF500
Инструкция по эксплуатации
-
Zongshen KB 7000E 1T90DF703
Инструкция по эксплуатации
-
Zongshen KB 9000 E 1T90DF802
Инструкция по эксплуатации
-
Zongshen PB 11000 E 1T90DF901
Инструкция по эксплуатации
-
Zongshen PB 12000 E 1T90DF122
Инструкция по эксплуатации
-
Zongshen PB 12003 E 1T90DF123
Инструкция по эксплуатации
-
Zongshen PB 15000 E 1T90DF150
Инструкция по эксплуатации
-
Zongshen PB 15003 E 1T90DF151
Инструкция по эксплуатации
-
Zongshen PB 1800 1T90DF130
Инструкция по эксплуатации
-
Zongshen PB 18000 E 1T90DF180
Инструкция по эксплуатации
-
Zongshen PB 22000 E 1T90DF220
Инструкция по эксплуатации
-
Zongshen PB 2500 A 1T90DF201
Инструкция по эксплуатации
-
Zongshen PB 3300 EA 1T90DF333
Инструкция по эксплуатации
-
Zongshen PB 5000 E 1T90DF503
Инструкция по эксплуатации
-
Zongshen PB 7000 1T90DF705
Инструкция по эксплуатации
-
Zongshen PB 7000 E 1T90DF706
Инструкция по эксплуатации
-
Zongshen XB 12000 EA 1T90DF120
Инструкция по эксплуатации
-
Zongshen XB 12003 EA 1T90DF121
Инструкция по эксплуатации