Xiaomi Mi Desktop - инструкции и руководства
Монитор Xiaomi Mi Desktop - инструкции пользователя по применению, эксплуатации и установке на русском языке читайте онлайн в формате pdf
Инструкции:
Инструкция по эксплуатации Xiaomi Mi Desktop
Краткое содержание
66 Содержание Описание изделия .......................................................................... 67 Описание монитора .................................................................. 67 Комплект поставки .................................................................... 67 Установка ......
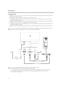
67 Описание изделия Описание монитора Монитор Индикатор Стойка Подставка 5-позиционная кнопка навигации Порт питания Порт HDMI Порт VGA Аудиопорт Комплект поставки Mi Desktop Monitor 27'' User Manual 1 Benutzerhandbuch zum Mi Desktop-Monitor 27'' 14 Manuale utente Mi Desktop Monitor 27'' 27 Manuel d...
68 Установка Установка подставки Не нажимать. Рекомендуется устанавливать монитор в упаковочном пенопласте, чтобы обезопасить его от падения и царапин. 1. Извлеките монитор вместе с пенопластом из коробки и поместите их на ровную устойчивую поверхность. 2. Установите стойку на подставку и закрепите ...
70 Инструкции Подключения • Подключите кабель VGA Кабель VGA используется только для передачи данных или сигналов через порт VGA. Продается отдельно.a. Выключите монитор и компьютер.b. Подключите один конец кабеля VGA к выходному порту VGA компьютера, а другой конец — к порту VGA монитора. • Подключ...
71 DC IN 5-позиционная кнопка навигации Включение и выключение Нажмите на середину 5-позиционной кнопки навигации. Включение Нажмите и удерживайте середину 5-позиционной кнопки навигации в течение 3 секунд. Выключение Состояние индикатора Приглушенное свечение Выкл. Непрерывное горение Вкл. Мигание ...
72 Описание меню Описание кнопки быстрого доступа Кнопка быстрого доступа 1 Главное меню Кнопка быстрого доступа 2 Выйти • Когда меню не отображается, можно вызвать меню быстрого доступа, нажав 5-позиционную кнопку навигации в любомнаправлении: вверх, вниз, влево или вправо. • Когда отобразилось мен...
74 Меры предосторожности • Не пользуйтесь монитором во влажных или сырых помещениях, таких как ванная, кухня, подвал, или рядом с бассейном. • Монитор следует разместить на устойчивой поверхности. В следствие падения или опрокидывания монитор может повредиться или травмировать кого-то. • Храните и и...
75 Устранение неполадок Проблема Возможная причина Решения Не включается Отключено электропитание Q Убедитесь, что шнур питания подключен правильно. Темное изображение Яркость или контрастность настроены неправильно Q Настройте яркость и контрастность. Изображение рябит, или есть помехи Помехи Q Не ...
76 Технические характеристики F N 7 2 T N M M R ь л е д о М В 2 1 я и н а т и п д о х В 2 A Номинальная мощность* в о м й ю д 7 2 а н а р к э ь л а н о г а и ДФактический размер изображения (по диагонали) 685,98 мм Шаг пикселяЯркость ). п и т ( 1: 0 0 0 1 ь т с о н т с а р т н о КДинамическая контра...
77 Здоровое зрение Чтобы избежать переутомления глаз, а также болей в шее, руках, локтях и плечах из-за продолжительного использования компьютера, следуйте приведенным ниже рекомендациям.• Соблюдайте дистанцию прибл. 50–70 см между глазами и монитором.• Чтобы снять усталость при использовании монито...
78 Информация о соответствии требованиям Информация об утилизации и переработке отходов электрического и электронного оборудования Все изделия, обозначенные символом раздельного сбора отработанного электрического и электронного оборудования (WEEE, директива 2012/19/EU), следует утилизировать отдельн...
Xiaomi Мониторы Инструкции
-
Xiaomi Mi Desktop Monitor 27" RMMNT27NF (BHR4975EU)
Инструкция по эксплуатации
-
Xiaomi Mi Monitor 23.8" (BHR4510GL)
Инструкция по эксплуатации
-
Xiaomi Mi 2K Gaming Monitor 27" (BHR5039GL)
Инструкция по эксплуатации
-
Xiaomi Mi Curved Gaming Monitor 34" (BHR5133GL)
Инструкция по эксплуатации
-
Xiaomi Mi 2KMonitor
Инструкция по эксплуатации
-
Xiaomi Mi CurvedMonitor 34
Инструкция по эксплуатации