Вихрь АСВ-1200/50 - инструкции и руководства

Насос Вихрь АСВ-1200/50 - инструкции пользователя по применению, эксплуатации и установке на русском языке читайте онлайн в формате pdf

1 Page 1
2 Page 2
3 Page 3
4 Page 4
5 Page 5
6 Page 6
7 Page 7
8 Page 8
9 Page 9
10 Page 10
11 Page 11
12 Page 12
13 Page 13
14 Page 14
15 Page 15
16 Page 16

Краткое содержание

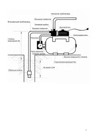
Страница 6 - Максимальное количество включений, час; Параметр

6 4. ТЕХНИЧЕСКОЕ ОБСЛУЖИВАНИЕ И ПРАВИЛА ХРАНЕНИЯ При длительном бездействии насосной станции, а также в зимний период хранение необходимо осуществлять в сухом отапливаемом помещении. Предварительно необходимо слить из него и труб остатки воды, промыть чистой водой и высушить. Насос не требует консер...

Страница 8 - СЛУЖБА ТЕХНИЧЕСКОЙ ПОДДЕРЖКИ:

8 СЛУЖБА ТЕХНИЧЕСКОЙ ПОДДЕРЖКИ: E-mail: support@vihr.su Web site: http://www.vihr.su Представленная эксплуатационная документация содержит минимально необходимые сведения для применения изделия. Предприятие-изготовитель вправе вносить в конструкцию усовершенствования, не изменяющие правила и условия...

Страница 11 - ГАРАНТИЙНЫЙ ТАЛОН; Автоматическая станция водоснабжения

11 ГАРАНТИЙНЫЙ ТАЛОН Автоматическая станция водоснабжения зав №_________________ модель _________________ Дата продажи _____________________ Наименование и адрес торговой организации_____________________ м.п. С правилами эксплуатации и условиями гарантии ознакомлен. Продукция получена в полной компл...

Вихрь Насосы Инструкции