Vaillant eloBLOCK VE 14 14 кВт, одноконтурный - инструкции и руководства
Котел Vaillant eloBLOCK VE 14 14 кВт, одноконтурный - инструкции пользователя по применению, эксплуатации и установке на русском языке читайте онлайн в формате pdf
Инструкции:
Инструкция по эксплуатации Vaillant eloBLOCK VE 14 14 кВт, одноконтурный
1
2
3
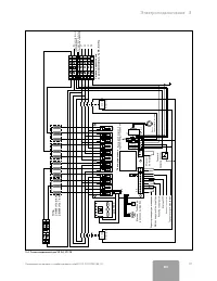
4
5
6
7
8
9
10
11
12
13
14
15
16
17
18
19
20
21
22
23
24
25
26
27
28
29
30
31
32
33
34
35
36
37
38
39
40
41
42
43
44
Vaillant Котлы Инструкции
-
Vaillant atmo CRAFT VK INT 10049
Инструкция по эксплуатации
-
Vaillant atmo CRAFT VK INT 11549
Инструкция по эксплуатации
-
Vaillant atmo CRAFT VK INT 12549
Инструкция по эксплуатации
-
Vaillant atmo CRAFT VK INT 14549
Инструкция по эксплуатации
-
Vaillant atmo CRAFT VK INT 16049
Инструкция по эксплуатации
-
Vaillant atmo CRAFT VK INT 6549
Инструкция по эксплуатации
-
Vaillant atmo CRAFT VK INT 7549
Инструкция по эксплуатации
-
Vaillant atmo CRAFT VK INT 8549
Инструкция по эксплуатации
-
Vaillant atmoCRAFT VK INT 1004/9 301963
Инструкция по эксплуатации
-
Vaillant atmoCRAFT VK INT 1154/9 301964
Инструкция по эксплуатации
-
Vaillant atmoCRAFT VK INT 1254/9 301965
Инструкция по эксплуатации
-
Vaillant atmoCRAFT VK INT 1454/9 301966
Инструкция по эксплуатации
-
Vaillant atmoCRAFT VK INT 654/9 301960
Инструкция по эксплуатации
-
Vaillant atmoCRAFT VK INT 754/9 301961
Инструкция по эксплуатации
-
Vaillant atmoCRAFT VK INT 854/9 301962
Инструкция по эксплуатации
-
Vaillant atmoTEC plus VU 240-5
Инструкция по эксплуатации
-
Vaillant atmoTEC plus VU 280-5
Инструкция по эксплуатации
-
Vaillant eco VIT exclusiv VKK INT 2264
Инструкция по эксплуатации
-
Vaillant eco VIT exclusiv VKK INT 2864
Инструкция по эксплуатации
-
Vaillant eco VIT exclusiv VKK INT 3664
Инструкция по эксплуатации