Toyota Corolla 2000-2002- инструкции и руководства
Toyota Corolla 2000-2002- инструкции пользователя по применению, эксплуатации и установке на русском языке читайте онлайн в формате pdf
Инструкции:
Инструкция по эксплуатации Toyota Corolla 2000-2002
Краткое содержание
10 Руководство по эксплуатации 4. Индикатор низкого давления мотор ного масла. а) Индикатор загорается при пово роте ключа в замке зажигания в положение "ON" и должен погаснуть после пуска двигателя. б) Индикатор загорается, если давление моторного масла слишком низкое.в) Если во время д...
Руководство по эксплуатации 11 С панели двери водителя мо>га -10 управ лять положением стекол всех дверей, а также осуществлять их блокировку со ответствующим выключателем. 1 - выключатель блокировки стек лоподъемников, 2 - выключатель стеклоподъемника двери водителя, 3 - выключатель стеклопод...
12 Руководство no эксплуатации 6. Передние противотуманные фары работают, только если ручка переклю чателя света фар находится в поло жении ON1 или ON2.Для включения передних противоту манных фар переведите ободок ручки переключателя света фар в положение "ON", для выключения - в положе...
Руководство по эксплуатации 13 Выверните крышку топливно-заливной горловины топливного бака и уложите ее на держатель. Управление стеклоочистителем и омывателем Переключатель управления стекло очистителем и омывателем работает, когда ключ зажигания находится в по ложении "ОМ". 1. Для включ...
14 Руководство по эксплуатации 2. Выдвинете подушку заднего сиденья, потянув за лямки, как показано на рисунке. Крепления для детских сидений ISOFIX Для детских сидений предназначены специальные дополнительные креп ления ISOFIX для безопасности детей во время движения. Крепления на дежно фиксирую...
Руководство по эксплуатации 15 Детские сиденья При перевозке в своем автомобиле детей всегда следует использовать удерживающие устройства того или иного типа, в зависимости от веса и возраста ребенка.Внимание: - Рекомендуется перевозить де тей только на заднем сиденье и использовать для них удержив...
16 Руководство по эксплуатации Не сидите на краю сиденья и не наклоняйтесь над панелью приборов при движении автомобиля. Не кладите предметы и ваших живот ных на или напротив панели приборов или накладки рулевого колеса, в которых расположены подушки безопасности. Они могут помешать срабатывани...
Руководство по эксплуатации 17 - (Модели С ручным управлением кондиционером и отопителем) В этой позиции поток воздуха направлен на лобовое стекло и используется в случае запотевания лобового стекла. 3. Переключатель регулировки забора воздуха (вентиляция/рециркуляция) (3) позволяет осуществлять з...
18 Руководствошо эксплуатаций’ поверхности диска и оптических элементов проигрывателя возможны сбои при воспроизведении. После норма лизации влажности работа системы восстанавливается. При сильной вибрации возможны искажения и переры вы воспроизведения. Это не является неисправностью. Не рекомен...
Руководство по эксплуатации 19 Повтор записи Для циклического воспроизведения текущей записи нажмите кнопку (6) "RPT". На дисплее высветится надпись "RPT". Для отключения повтора нажмите кноп1^ еще раз.Повтор дискаДля циклического воспроизведения те кущего диска нажимайте кнопку (6...
20 Руководство по эксплуатаций 3. в приведенных ниже ситуациях су ществует вероятность неисправности системы VSC, вследствие чего необходимо немедленно обратиться к ва шему дилеру фирмы "Тoyota": - если индикатор системы VSC не за горается при включении зажигания;- если индикатор не гасн...
Руководство по эксплуатации 21 Позиция "Р'*Задний ход. Переводить рычаг выбора диапазона в эту позицию можно только при неподвижном автомобиле. Пе ревод рычага в положение “Р” во вре мя движения вперед может привести к выходу из строя коробки передач и других элементов трансмиссии. Позиция ...
22 Руководство по эксплуатации 1. Всегда сбрасывайте скорость при сильном встречном ветре. Это позволит вам управлять автомобилем на много лучше.2. Мойка автомобиля или преодоление водных препятствий может привести к "намоканию" тормозов. Для проверки, убедившись, что вблизи вас нет тран...
Руководство погэксплуатации 1 25> 6. Замените колесо, а) Снимите декоративный колпак (если установлен). б) Отверните на один оборот гайки крепления заменяемого колеса.в) Установите домкрат (см. раздел "Поддомкрачивание автомобиля"). Примечание: - Убедитесь, что домкрат пра вильно установ...
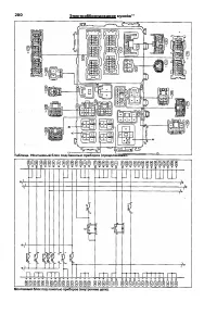
28 Руководство по эксплуатаций Расположение блока лредохрани- телей в моторном отсеке автомо биля. Расположение предохранителей блока в салоне автомобиля. Таблица. Предохранители блока в салоне автомобиля. Предохранитель WASH WIPER AMI ST DEF l/UP M-HTR ECU-IG TAIL ECU-B A/C GAUGE STOP FÛG iG2 CIG ...
30 Руководство по эксплуатации 2. Замена лампы заднего указателя (Универсал)поворота, стоп-сигнала, заднего габарита. фонаря заднего хода и заднего противотуманного фонаря.(Седан) а) Снимите крышку. б) Отсоедините разъем, отсоедини те патрон, повернув его, как показа но на рисунке, и замените нео...
1?!.5 ‘ 1 ' ’ляу 31 Техническое обслуживание и общие процедуры проверки и регулировки Интервалы обслуживания Если Вы в основном эксплуатируете автомобиль при одном или более нижеприведенных особых условий, то необходимо более частое техническое обслуживание по некоторым пунктам плана ТО. 1. Дорожны...
32 Техническое обслуживание и общие процедуры проверки и регулировки- Выбор моторного масла 1. Используйте масло по классифика ции API - не ниже SH {10W-30) или SJ (5W-20, 5W-30). 2. Вязкость (SAE) лодбирайте согласно диаграмме температурного диапазона, соответствующей условиям эксплуатации авто...
36 Техническое обслуживание И общие процедуры проверки и регулировки 4. Запустите двигатель на холостом ходу и переведите селектор во все положения от "Р" до "L" и обратно в положение "Р".5. Во время работы двигателя на хо лостом ходу проверьте уровень ж^- кости. При необход...
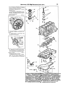
38 Двигатели 1Мг-РЕ (1,5) и 2М2-РЕ (1,3) Механическая чаёть Проверка и регулировка зазоров в приводе клапанов Примечание: проверка и регулировка зазоров в приводе клапанов проводятся на холодном двигателе. 1. Снимите крышку головки блока цилиндров {см. раздел "Цепь приво да ГРМ^). 2. Установит...
Двигатели 1NZ-FE (1,5) и 2NZ-FE (1,3). Механическая часть 39 л) Определите размер {толщину) нового толкателя. - Микрометром определите толщи ну заменяемого толкателя. - Вычислите по формуле толщину нового толкателя так, чтобы зазор в приводе клапанов был в пределах рекомендуемого. где N - толщина ...
40 Двигатели 1NZ-FE (1,5) и 2NZ-FE (1,3). Механическая часть 37. Снимите насос гидроусилителя ру левого управления, а) Отсоедините провода от датчика давления рабочей жидкости гидро усилителя рулевого управления, о) Отверните два болта и снимите насос гидроусилителя рулевого управления. 38. (Модел...
Двигатели 1NZ-FE (1,5) и 2NZrFE (1,3). Механическая часть 41 г) Установите амортизатор левой опоры двигателя. Момент затяжки......................... 80 Н-м д) Установите амортизатор правой опоры двигателя. Момент затяжки..................... ....52 Н'М е) Установите спецприспособление в отверстие п...
Двигатели 1Мг-РЕ (1,5) и 2NZ-FE (1,3) Механическая часть 43 Проверка цепи привода ГРМ и механизма натяжения цепи привода ГРМ 1. проверьте цепь привода ГРМ и звездочки. а) Штангенциркулем измерьте длину 16 звеньев цепи в натянутом со стоянии. Максимальная длина цепи...... 123.2 ммПримечание: сделайт...
Двигатели 1Ы г-Р Е (1,5) и 2 t^ Z -FE (1,3). М ехан ическая часть 6. Снимите стойку выпускного коллектора, отвернув три болта. 7. Снимите выпускной коллектор. а) Выверните четыре болта и снимите верхний теплозащитный экран.б) Выверните три болта и две гайки, снимите выпускной коллектор и про клад...
48 Двигатели 1NZ-FE (1,5) и 2NZ^FE (1,3). Механическая часть в) Подсоедините разъем датчика положения распределительного вала.г) Подсоедините разъем клапана системы УУТ.д1 Подсоедините разъемы форсунок, е) Подсоедините два провода заземления и заверните два болта. 15. Установите корпус дроссельной ...
Двигатели 1Ы2-РЕ (1,5) и 2Ы2-РЕ (1,3). Механическая часть 49 Окончательная сборка 1 .Установите картер. а) Удалите старый герметик. Будьте внимательны, не капните маслом на контактную поверхность картера и блока цилиндров. - Используя лезвие и скребок, удалите старый герметик с контактных поверхнос...
52 Двигатель 1[22-РЕ (1,8). Механическая часть н) Убедитесь, что метки на звездоч ке распределительного вала и звез дочке системы \Л/Т находятся на одной линии крышки цепи привода ГнМ, как показано на рисунке. о) Убедитесь, что метки на звездочках и цепи совмещены. б) Отсоедините разъем кислородн...
Двигатель 1г2-РЕ (1,8). Мехдническая часть 53 Цепь привода ГРМ Снятие Примечание: перед снятием установите поршень первого цилиндра в положение 90" Оо ВМТ во избежание соударения поршня и клапанов на этапе предварительного снятия деталей. ка цилиндров, как показано} на ри сунке. 1. Снимите ниж...
54 Двигатель 1ZZ-FE (1,8). Механическая часть в) Штангенциркулем измерьте диаметр звездочки по роликам, как показано на рисунке. Минимальный диаметр звездочки: распределительного вала....97,3 мм коленчатого вала................... 51,6 мм Если диаметр не соответствует ука занному, замените звездо...
Двигатель 122-РЕ (1,8)- Механическая часть 55 б) Оправкой И МОЛОТКОМ запрессуйте новый сальник вровень с крышкой цепи привода ГРМ, Примечание: не повредите коленчатый вал. Установка 1. Установите звездочку распредели тельного вала и звездочку системыЛЛ/Т. а) Совместите установочные штифты распред...
Двигатель 1ZZ-FE (1,8). Меха в) Установите прокладку на крышку головки блока цилиндров. Если прокладка повреждена, замените ее на новую. Примечание: детали должны быть собраны в течение времени, yífaзaw- ного е инструкции по применению герметика. В противном случае гер- меток должен быть удален и н...
Двигатель 1ZZ-FE. Механическая часть 59 Если один из болтов не затягивается указанным моментом, замените его. 7. С помощью спецприспособления снимите датчик детонации. в) Отметьте краской кромку болта, обращенную к передней части дви гателя (стороне, противоположной отбору мощности), как показано н...
60 Двигатель 122-РЁ. Механическая часть Окончательная сборка 1. Установите новую прокладку и мас- лоприемник, заверните две гайки и болт.Момент затяжки........................... 9 Н-м 2, Установите масляный поддон. а) Удалите старый герметик, Будьте осторожны, не повредите контактные поверхности кр...
64 Двигатель 2ZZ-GE. Механическая часть 4. Снимите крышку №2 головки блока цилиндров. 5. Снимите ремень привода генератора. 6. Снимите кронштейн №1 генератора.7. Снимите насос гидроусилителя ру левого управления. 8. Снимите генератор. 9. Отсоедините жгут проводов двига теля. а) Отсоедините разъемы...
Двигатель 221-6Е. Механи«^ 1 еская часть 65 16. Снимите насос охлаяедающей жид кости. а) выверните болты, снимите шкив насоса охлаждающей жидкости Если длина участка цепи в 16 ев больше максимальной, зам цепь. б) Оберните цепь вокруг звезде в) Штангенциркулем измерьте метр звездочки по роликам, каз...
66 Двигатег ь 2ZZ-GE. Механическая часть б) Поверните коленчатый вал и ус тановите его шпонкой вверх. 2. Установите цепь привода ГРМ и звездочку коленчатого вала, а) Наденьте цепь на звездочку коленчатого вала, совместив желтую метку цепи с установочной меткой звездочки. Примечание: если необходим...
Двигатель 2ZZ-6E (‘1,8) 69 в) Отметьте краской кромку болта, обращенную к передней части дви гателя (стороне, противоположной отбору мощности), как показано на рисунке. г) Подтяните все болты в отмеченной выше последовательности, довернув их на 180'’. д) Убедитесь, что все метки болтов повернуты ...
70 Двигатель 2ZZ-GE (1,8) 4, Снимите вал коромысел №1, а) Выверните болт и снимите вал коромысел №1. Проверка проверьте ось коромысел. а) Заклейте все масляные каналы крс)ме двух.б) Совместите масляные каналы оси коромысел с каналами коромысел.в) Убедитесь, что внутренний плун жер коромысла двигает...
71 Двигатель — общие процедуры ремонта Головка блока цилиндров Разборка 1. Снимите толкатели. а) С помощью подходящего приспо собления сожмите клапанную пру жину и снимите два сухаря. б) Снимите тарелку пружины клапана, пружину клапана, клапан.в) Используя плоскогубцы с длин ными губками, снимит...
72 Двигатель — общие процедуры ремонта б) Мягкой щеткой окончательно очистите клапан. 5. Проверьте диаметры стержней кла панов и внутренние диаметры направляющих втулок клапанов, а) Нутромером измерьте внутренний диаметр направляющих втулок кла панов. Внутренний диаметр направляющей втулки: 1NZ•...
Двигатель — общие процедуры ремонта 73 г) Проверьте общую длину клапана. Номинальная длина клапанов: впускных: 1Л/2-Я£, 2Л/2-£Е.. ......... 89,25 мм111-РВ..............................88,65 мм 211-0Е.............................. 111,3 мм выпускных: тг-РЕ, 2Н2-РЕ.................. . 87,90 ммт-ЕЕ.......
74 Двигатель — общие процедуры ремонта Б. Проверьте высоту кулачков распределительного вала. (1гг-РЕ) Высота кулачков распределительного вала впускных клапанов: номинальная: 1Н2-РЕ, 2Л/2-РЕ............. 44,617 - 44,717 мм .............44,333-44,433 мм минимальная; т2-РЕ, 2М2-ЕЕ.......................
Двигатель — общие процедуры ремонта 75 Для шланга радиатора (А) 14 мм Для шланга обогревателя (В) 9 мм Для шланга перепуска охлаждающей жидкости (С) 12г-РЕ. 6) Нанесите герметик в отверстия головки блока цилиндров, показанные на рисунке. 122-РЕ. для "А"...............для "8"...........
76 Двигатель — общие процедуры ремонта Система УУТч Проверка элементов 1. Установите распределительный вал в тиски и убедитесь, что шестерня заблокирована.2. Заклейте изолентой масляные каналы шейки распределительного вала, как показано на рисунке. А - задержка, В - опережение, 1 - изолента, 2 - ...
78 Двигатель — общие процедуры ремонта 2. Функционирование Для поворота распределительного вала масло под давлением при помо щи золотника направляется к одной из сторон лепестков ротора, одновременно открывается на слив полость с другой стороны лепестка. После того, как блок управления определяет,...
80 Двигатель — общие процедуры ремонта Таблица для определения размер ных групп вкладышей. Коленчатый вал 4- блок цилиндров 0 - 2 3-5 6 - 8 9 - 1 1 Вкладыш U/S (0.25) Толщина вкладыша 1,992- 1,9951,995-1,9981,998-2,001 2,001 -2,0042 , 1 1 1 - 2 , 1 1 7 Пример: метка "3" на блоке цилинд ров...
Двигатель — общие процедуры ремонта 81 - {Ш-ОЕ) Если номер вкладыша подшипника не определен, то его можно определить соотнеся номер размерной группы, нанесенной на блок цилиндров, с номером размер ной группы, нанесенной на коленчатый вал (см. таблицу "(222-СЕ) Определение номера вкладыша коре...
82 Двигатель t- общие процедуры ремонта 4. Проверьте диаметр цилиндров. Индикатором-нутромером измерьте диаметр цилиндра на трех уровнях "А", "В" и "С" в поперечном (1) и про дольном (2) направлениях, как пока зано на рисунке. 6) Вручную снимите элементы маслосъемного коль...
84 Двигатель — общие процедуры ремонта в) Используя специальное приспо' собление и пресс, запрессуйте втулку. г) Измерьте зазор поршневого пальца и, если необходимо, отшлифуйте или переточите новую втулку до по лучения номинального зазора. д) Проверьте работу поршневого пальца при нормальной комна...
Двигатель — общие процедуры ремонта 85 в) Нанесите консистентную смазку на кромку сальника,г) Используя трубку подходящего диаметра и молоток, запрессуйте новый сальник, пока его поверх- ность не окажется заподлицо с держателем сальника. Сборка узла "поршень — шатун" 1. (Ш-РЕ, 2ZZ-GE} Собер...
Двигатель — общие процедуры ремонта 87 а) Нанесите тонкий слой моторного масла на резьбу и под головки бол тов крепления крышки коренных подшипников. б) Установите и равномерно затяните 10 болтов крышки коренных подшип ников в несколько проходов в показан ной на рисунке последовательности. Момент...
88 Система смазки Замена масляного фильтра 1. Слейте моторное масло. 2. Снимите масляный фильтр. Серия ZZ. 3. Установите масляный фильтр. а) Проверьте и очистите привалоч- ную плоскость под фильтр на блоке цилиндров,б) Нанесите немного' свежего мо торного масла на поверхность про кладки нового мас...
90 Система смазки - не запускайте двигатель в тече ние 2 часов после установки. в) Совместите пазы ротора с выступами на хвостовике коленчатого ва ла и установите масляный насос. г) Заверните 15 болтов и гаек креп ления, как показано на рисунке. Момент затяжки: болт А (М8, 30 мм)...................
Система смазки 91 12. Установите редукционный клапан. а) Смажьте редукционный клапан моторным маслом и установите его в корпус масляного насоса вместе с пружиной. б) Установите заглушку редукционного клапана. Момент затяжки......................... 37 Н-м 13. Установите ротор масляного на соса. См...
92 Система охлаждения Проверки на автомобиле 1. Убедитесь в отсутствии утечек ох лаждающей жидкости. Внимание: во избежание ожогов, не открывайте крышку радиатора на горячем двигателе. Жидкость и пар могут быть выброшены под давлением. а) Залейте в радиатор охлаждаю щую жидкость и подсоедините те...
Система охлаждения 93 5. Снимите насос охлаждающей жид- 4. Снимите кронштейн №1 генефтора. кости. 5. Снимите генератор. || Отверните 6 болтов и снимите насос а) Отсоедините зажим проводки, охлаждающей жидкости и кольцевое уплотнение. насос охлаждающей 6. Установите жидкости. а) Установите новое коль...
94 Система охлаждения 4. Убедитесь, что при температуре менее 77°С клапан полностью закрыт. Примечание: если клапан полностью не закрывается, замените термо стат. Замена (1NZ-FE, 2NZ-FE) 1. Слейте охлаждающую жидкость. 2. Снимите впускной патрубок систе мы охлаждения. Отверните 2 гайки и снимите в...
Система охлажден|£я 95 1. При помощи тестера медленно соз дайте давление и убедитесь, что воз дух выходит из парового клапана. Примечание: - увеличивайте давление плавно и равномерно.. - скорость нагнетания - не более 1 хода поршня за 3 секунды. - если воздух не выходит из пара- вого клапана, заме...
96 Система впрыска топлива (EFI) Описание Система впрыска состоит из трех основных подсистем: топливной, подачи воздуха и электронного управления. Топливная система Топливо подается насосом через фильтр к каяадой форсунке под давлением, устанавливаемым регулятором давления топлива. Избыток топлива...
Система впрыска топлива (ЕР1) 97 2. При установке аккумуляторной ба тареи не перепутайте полярность. 3. Не подвергайте ударам элементы системы впрыска топлива и особенно электронный блок управления,4. Будьте внимательны при поиске неисправностей, при большом коли честве транзисторных цепей даже ле...
98 Система впрыска топлива (EFI) е) Подсоедините зажим к разъему. ж) После подсоединения проверьте отсутствия подтекания топлива через соединение. 7. При работе с быстроразъемными (металлическими) соединениями топ ливопровода сделайте следующее: Кольцевое уплотненеие Фиксатор Трубка Нейлоновая тру...
Система впрыска топлива (EFI) 99 2. После запуска двигателя индикатор "CHECK ENGINE" должен погаснуть. Если же индикатор продолжает гореть при работающем двигателе, это значит, что система диагностирования предупреждает о сбоях в работе двигателя или его систем. Вывод диагностических кодов...
Система впрыска топлива (ЕР1) 105 Напряжение на выводах электронного блока управления !! А В : С 1 3 1 2 I I ' « 1 » М 7 | ‘ | в | 4 | 3 2 1 1 н 2 6 2 4 23|22|2||21119|и|Г7|и 16 и| и|1В1и|13||21и110|< | ( ] в | 4 1 з | 2 ] 1 11Вшапавааввп1 | 1 2 | | | | | 0 | 9 | « | 7 | И 21|20|19|| ||17|1 «|| б...
Система впрыска топл 1 ^ва (ЕР1) 107 122-РЕ, 222-ОЕ. Вывод 1/0 Состояние Напряжение, В #10<->Е1 0 Холостой ход (осциллограмма 1) #20<^Е1 (А2оВ17) 0 Холостой ход (осцилло грамма 1) #30оЕ1 (АЗ<^В17) 0 Холостой ход (осциллограмма 1) #40^Е1 (А4^В17) 0 Холостой ход (осциллограмма 1) +В^Е1...
108 Система впрыска топлива (EFI) 12Z-FE, 2ZZ-GC (прододолжение). Вывод I/O Состояние Наг ряжение, В PRS<^E1 (DI 80 BI 7 ) ! Кондиционер включен (электромагнитная муфта компрессора - ОМ) 0-1,5 PRS<->E1 (018ч^В17) 1 Кондиционер вы ключен (электро магнитная муфта компрессора - ОРР) 8-14 PS ...
Система впрыска топлива (ЕР1) Проверка элементов системы впрыска с помощью осциллографа Примечание: ниже прибедеиы осцил лограммы правильного вида. 1Ы 2-РЕ, 2Ы г-ЕЕ О сциллограм ма 1 Выводы Масштаб Условия #10..40<^Е1 X - 20 мс/деление, Y - 20 В/деление Холостой ход Примечание: Пои увеличении ча...
114 Систем^ впрыска топлива (ЕР1) Осциллограмма 4Выводы Масштаб Условия EVP1 Е1 X - 50 мс/деление, Y - 5 В/делениеХолостой ход Примечание: если осциллограмма непоявляется, то после 10 минут ра боты на холостом ходу повторите проверку, Осциллограмма 5Выводы Масштаб Условия ТАСН Е1X-10 мс/деление, Y -...
Система впрыска топлива (EFI) 1 115 Проверка компонентов Форсунки 1. Проверка сопротивления. Проверьте сопротивление между выводами разъема форсунки. Двигатель 1NZ-FE, 2NZ-FE 1ZZ-FE 2ZZ-GE Сопротивление 13,45-14,15 Ом (при2ГС) 13,4- 14,2 0м (при 20“С) 13,45-14,15 Ом (при 21 “С) Примечание: если знач...
116 Система впрыска топлива (ЕР1) 2. Установите топливный коллектор. а) Установите проставки в головку блока цилиндров.б) Установите топливный коллектор с форсунками и заверните три болта крепления. Момент затяжки.......... 19 Н-м (болт А)Момент затяжки............ 9 Н м (болт В)Примечание: - Не доп...
Система впрыска топлива (EFI) 117 11. Снимите регулятор давления топ лива (2WD). 12. Снимите эжекционный насос и регулятор давления топлива (4WD).13. Снимите фильтр с насосом. 14. Снимите уплотнение фильтра топ ливного насоса. 15. Снимите проставку топливного на соса. 16. Снимите фильтр топливно...
118 CncTei^a впрыска топлива (EFI) 2. Установите амортизирующие проставки топливного бака. Установите новые амортизирующие проставки, как показано на рисунке. 3 Установите топливный бак.Момент затяжки........................ 39 Н Гм 4 Установите приемную трубу системы выпуска {2WD).Момент затяжки.....
Система впрыска топг ива (EFI) 3. Установите корпус дроссельной за слонки. а) Установите новую прокладку на впускной коллектор.б) Установите ко(зпус дроссельной заслонки с кронштейном троса акселератора, заверните болт и две гайки крепления. Момент затяжки......................... 30 Н м(новый впу...
Система впрыска топлива (EFI) Датчик давления в системе ГУР (1NZ-FE, 2NZ-FE с ГУР) П роверка напряж ения Проверьте напряжение между выводами В12 (PSP) и В9 (Е2) при вращении рулевого колеса. Состояние Контрольные значения Холбстой ход, рулевое колесо вращается 0 - З В Состояние Напряжение Холостой ...
Система впрыска топл ива (EFI) 123 Кислородный датчик 1. Проверка кислородного датчика на автомобиле. а) (1NZ-FE. 2NZ-FE) Подсоедините положительный вывод вольтметра к выводу "0X1" (BQ) разъема элек тронного блока управления, а отри цательный - к выводу "Е1" (А14).б) (1ZZ-FE) Подсо...
125 Система запуска Стартер Проверка работы Примечание: проводите этот тест в течение 3-5 секунд. 1. Отверните гайку и отсоедините провод от вывода "С". 2. Подсоедините провода, как показа но на рисунке, и убедитесь, что шес терня обгонной муфты выдвинулась наружу. 3. При подсоединениях, в...
126 Система запуска в) Отверните 2 болта и снимите б) стартер. щ Отсоедините 4 щетки и снимите еткодержатель. 3. Установите стартер.Момент затяжки: болт.......................................37 Н-м вывод "30"............................. 10Н‘М Разборка и сборка стартера Разборка 1. Снимите т...
Система запуска 127 е) Установите водило в амортизатор. ж) с помощью плоскогубцев устано вите шайбу и стопорное кольцо. 2. Установите тяговое реле, а) Нанесите смазку на втулку и в паз ограничительной етулки обгонной муфты.б) Установите обгонную муфту и ограничительную втулку на водило. 4. Установ...
128 Система запуска 2. Проверка статора а) Убедитесь в наличии проводимости между клеммой "С и проводом щетки. 8. Проверка удерживающей обмотки. С помощью омметра убедитесь в отсутствии проводимости между вы водом стартера "50" и корпусом. б) Убедитесь в отсутствии проводи- зам мости м...
Система зарядки Меры предосторожности 1. Проверяйте надежность подсоеди нения проводов к клеммам аккумуляторной батареи.2. При ускоренной подзарядке батареи отсоединяйте провода от ее клемм.3. Не снимайте аккумуляторную батарею при запуске двигателя. Проверки на автомобиле 1. Проверьте уровень эл...
130 Система зарядки Соедините'положительный вывод Пои амперметра с выводом генератора "В". - Соедините положительный вывод вольтметра с выводом генератора "В".- Соедините отрицательный вывод вольтметра с массой. Отсоедините провод от вывода "В'\ Аккумуля торная батарея Амперметр...
Система зарядк! 131 Разборка 1. Снимите ШКИВ генератора, а) Удерживая спецприспособление "А" динамометрическим ключом, за тяните спецприспособление "В". Момент затяжки......................... 39 Н-м 2. Снимите щеткодержатель. а) Снимите заднюю крышку гэнера- тора.б) Снимите крышку ...
132 Система зарядки д) Снимите генератор со спецпри- Еслй способления (С). замк е) Отверните спецприспособление В) и снимите спецприспособления А) и (В). сопротивление равно О (цепь нута), замените ротор. ж) Убедитесь, что ротор вращается плавно, без заедания. Проверка проверка ротора 1. Проверьте, ...
133 Автоматическая коробка передач Общее описание Примечание: - Тип КПП выбит на алюминиевой табличке, прикрепленной к перегородке моторного отсека, в строке "TRANS/AXLE". - Процедуру замены рабочей жидкости в АКПП см. в главе "Техническое обслуживание и об щие-процедуры проверки и ре...
134 Автоматическая коробка передач Считывание кодов неисправностей 1. Включите зажигание и установите выключатель повышающей передачи в положение "ОМ".Внимание: не запускайте двигатель. 2. Закоротите выводы "13" и "4" разъема 01СЗ. 3. Считайте и определите код неисправности...
Автоматическая коробка передач 135 2. Переключение передач должно происходить в соответствии с приве денной таблицей "Режимы работы ко робки передач в случае нормальной работы эле 1 строматитных клапанов {соленоидов) и отказа одного или двух из них".Примечание: если в диапазонах Т" ...
«8 Автоматическая коробка ndiiglflaH Таблица. Напряжение на выводах разъема U441E (2NZ-FE), (U340E, U340F) (1NZ-FE). блока управления АКПП. 1 3 ' ЯЛ_ГЧР -ииГ 19 121 1 ! Ш Н 7 1 М 6 1 4 | 3 2 1 и 2 6 24 2322l2l|26Hl|]l7|U \ 9 U 1 11 1»|7|»|»|«1»|гТП |u|n|u|nlia|iilìit' 1Ч«1Ч»1Ч |12|11И>|«|7| 26 ‘1...
Автоматическая коробка 1 ередач 139 U341E,U341F)(1ZZ#E). Разъем А Разъем В PaìbeM С Разъем D airä [тЕШИ Н№Яи11Ш11Н0ГЯё1 ТЛ ¡ZIíHíEÍQíEIIltEíELEüE íttü I ГЯбШ|5К1Э1аи1 ¡EIDSDÍEiQÍFSn иеагаив9|[]1й1Ш Выводы Состояние при измег ении Результат А 6 - А 5 S L T + ^ SLT- Двигатель работает на холостом ходу...
140 Автоматическая коробка передач (U240E) (2ZZ-GE) (продолжение). Выводы Состояние при измерении Результат А 8 - А 2 0 SL2+<^ SL2- Двигатель рабо" зет на холостом ходу импульсы А 1 4 - А 2 6 N C + N C - Автомобиль ДВ11) дача, частота вр кется со скоростью 30 км/ч. включена третья пере- эщени...
TI Автоматическая коробка передач 141 в) (Кроме и240Е) Измерьте сопротивление между вы водами "5" (51), "10" (52), "2" (5Т) и массой. Номинальное сопротивление..................... 11 ~ 15 Ом г) (U240E) Измерьте сопротивление между выводами "5" (SL1+) ■ "10" ...
142 Автоматическая коробка передач Проверка времени включения передачи Если при работающем на холостом хо ду двигателе перевести селектор в положение "О" или "К", то до момента, как вы почувствуете легкий толчок, должно пройти некоторое время. По величине этой задержки можно судить...
Автоматическая коробка передач 143 2. При сбросе нагрузки (освобождении педали акселератора) должен возни кать режим торможения двигателем. Ёсли торможения двигателем нет, неисправен тормоз первой передачи и передачи заднего хода.3. Проверьте уровень шума и вибрации при разгоне и замедлении авто...
144 Автоматичеркая коробка передан и341Е (172-РЁ). Положение селектора Скорость автомобиля (дроссельная заслонка полностью открыта [закрыта]), км/ч 1-^2 2-^3 3^ [3-+4] [4-+3] 3->2 2->1 0 53-60 100-110 155-165 40-45 30 - 35 150-160 95-100 42 - 47 2 53-60 - - - - - 95-105 42-47 и - - - - - - 95-...
Автоматическая коробка передач 145 и240Е (2ZZ-GE). Положение селектора Скорость автомобиля (дроссельная заслонка полностью открыта [закрыта]), км/ч 1- у 2 2-^3 3-^4 [3^1 [4^3] 4^3 3-^2 2^1 0 6 0 - 6 8 1 1 3 - 1 2 4 1 7 0 - 1 8 0 4 0 - 4 5 1 5 - 2 0 1 6 5 - 1 7 5 1 0 5 - 1 1 5 4 5 - 5 0 2 6 0 - 6 8 -...
148 Автоматическая коробка передач а) Отверните болт, снимите фиксатор и тягу клапана выбора диапазона. Момент затяжки........................ 10 Н -м Длина болтов: болт "А'*........................................ 14 ммболт "В"......................................... 45 мм и441Е. 4. От...
Автоматическая коробка передач 149 д) Снимите блок клапанов. Примечание: при установке убеди тесь, что указанные на рисунке элементы установлены правильно. в) (тг-РЕ)Снимите фиксатор и отсоедините трос управления коробкой передач от кронояейна. 1 - поршни гидроаккумуляторов, 2 - прокладки, 3 - пре...
150 Автоматическая коробка передач б) Отверните два болта и снимите фиксатор трубок охладителя рабочей жидкости АКПП. Момент затяжки........................ 5,5 Н-м в) Снимите трубку измерительного щупа. Момент затяжки........................ 5,5 Н<м и240Е. г) Снимите кольцевое уплотнение с труб...
Автоматическая коробка передач 151 30. Отверните четыре болта и снимите поперечную балку с передней пра вой опорой.Момент затяжки: болт ''А-.................................. 39 И мболт "В"..................................62 Н-м б) (и341Е, и340Р, и341Р, и240Е) Отверните шесть болтов крепл...
152 Автоматическая коробка передач 4. Проверка биения втулки гидротрансформатора, а) Временно установите гидротранс форматор на пластину привода гид ротрансформатора. Установите стре лочный индикатор и измерьте биение. Номинальное биение.................. 0,3 мм б) Если биение гидротрансформа т...
153 Карданный вал (модели Л^ND) Снятие 1. Ослабьте болты соединительной муфты. Включите стояночный тормоз. б) С помощью торцевого ключа ослабьте болты на пол-оборота. Примечание: поместите ветошь, Ш показано на рисунке^ чтобы не П 0 ‘ вредить резиновое уплотнение. б) Отверните шесть болтов, снимите...
156 Редуктор заднего моста (модели 4УУР) Замена бокового сальника редуктора редуктора, 3 > стопорное кольцо. 1. Отсоедините приводные валы. а) Нанесите метки на приводной вал и на выходной вал редуктора. Примечание: не наносите устано вочные метки острым предметом. б) При затянутом рычаге стояно...
158 Приводные валы Передние приводныевалы Снятие Внимание: подшипник ступицы мо жет быть поврежден, если на него будет действовать вес автомобиля, например, при перемещении автомобиля со снятым приводным валом. Поэтому, если есть необходимость переместить автомобиль со сня тым приводным валом, сн...
Приводные валы 159 б) При ПОМОЩИ съемника отсоеди ните наконечник рулевой тяги от поворотного кулака. а) С помощью пластикового молотка отсоедините приводной вал от ступицы, Примечание: будьте осторожны, чтобы не повредить чехол приводно го вала и сальник. 11. (211-ОЕ) Снимите левый привод ной ...
160 Приводные валы 14. (2И-ЗЕ, правый приводной вал) Отверните два болта крепления держателя подшипника к кронштейну и снимите правый приводной вал. Момент затяжки...................,.,....64 Н-м д) Проверьте наличие меток на демпфере приводного вала. На демпфере типа "А" меток нет, а на де...
Приводные валы 161 4, Снимите Тройной шарнир, а) Используя специнструмент, сни мите стопорное кольцо. Замена подшипника (2ZZ•GЩ 1. Снимите держатель подшипника, а) Снимите стопорное кольцо. 8, Используя специнструмент и пресс, снимите пыльник внутреннего шарнира. б) Нанесите установочные метки на п...
Приводные валы 163 е) Совместите установочные метки и установите обойму внутреннего шарнира на приводной вал. 11, Проверьте приводной вал.12. Убедитесь, что расстояние "А", обозначенное на рисунке, соответст вует номинальному значению. Таблица. Номинальное расстояние "А”. ж) Установите ...
164 Приводные валы 10. Извлеките левый из редуктора.Примечание: при необходимости используйте стержень из мягкого металла и молоток. приводной вал а) Нанесите установочные метки на обойму внутреннего шарнира и при водной вал. Примечание: не наносите устано вочные метки острым предметом. в) Отсое...
166 Подвеска Предварительные проверки 1. Проверьте тип шин и давление в шинах. а) Проверьте тип шин и величину износа шин. б) Проверьте давление в шинах. Таблица. Давление в шинах. в) Пометьте середину протектора с задней стороны передних колес. Модели 2WD 4WD Тип шин 175/70R14 84S 186/70R14 88S 195...
Подвеска 167 Таблица. Углы поворота колес. Модели Внутреннее Внешнее 2УУО (с электроусилителем рулевого управления) 4Г20’±2" 34'’2Г 2УУ0 (с гидроусилителем рулевого управления) ЗВЧТ ± 2“ 32“52' 4т 37°52’ ± 2'’ ЗГ55’ Таблица. Развал, продольный и поперечный наклон осей поворота. б) Снимите хомуты...
168 Подвеска 7. Покачайте автомобиль вверх и вниз, чтобы стабилизировать подвеску.8. Проверьте развал. Если развал соответствует номинальному значению, проверьте схождение. 9. Если развал отличается от номи нального, поддомкратьте автомобиль, снимите переднее колесо, отсоедините тормозной шланг и ...
Подвеска 169 5. Установите декоративный колпак, Примечание: (модели 2\/\/0) развал задних колес не регулируется. Если величина развала отличается от указанной, проверьте детали под- вески и замените неисправные. Регулировка развала и схождения задних колес (модели 4V^D) 1. Ослабьте гайки эксцентрико...
170 Передняя подвеска Стойка передней подвески Снятие 1. Снимите переднее колесо, 2. Отсоедините стойку стабилизатора поперечной устойчивости от стпйш передней подвески. а) Поддомкратьте подвески. от стойки нижний рычаг Примечание: используйте деревян ный брусок в качестве проставки между рычагом и...
172 Передняя подвеска Нижний рычаг переднейподвески Снятие 1. Снимите переднее колесо. 2. Отсоедините стойки стабилизатора поперечной устойчивости от стоек передней подвески. а) Поддомкратьте нижний рычаг подвески. Примечание: используйте деревян ный брусок е качестве проставки между рычагом и дом...
Передняя подвеска 173 Нижняя шаровая опора Проверка нижней шаровой опоры 1. Поддомкратьте переднюю часть ав томобиля. 2. Обмотайте отвертку ветошью и уста новите ее между колесом и нижней шаровой опорой, как показано на рисунке. 3. Прикладывая усилие, убедитесь, что перемещение опоры отсутствует....
176 Передняя подвеска Установка поворотного кулака со ступицей 1. Установите поворотный кулак в сборе со ступицей. а) Подсоедините поворотный кулак к стойке передней подвески. Устано вите два болта и затяните две гайки. Момент затяжки....................... 153 Н-мВнимание: в случае повторного ис ...
177 Задняя подвеска (модели 2У^О) Стойка задней подвески Снятие 1. Снимите заднее колесо. 2. Руководствуясь рекомендациями главы "Кузов", снимите следующие детали: (Хэтчбек) - отделку порога задней боковой двери, ■ уплотнитель задней боковой двери,- уплотнитель задней двери,- подушку заднего...
178 Задняя подвеска (модели 2УУР) Разборка 1. Ослабьте контргайку, расположен ную в центре верхней опоры стойки, удерживая шток от проворачивания при помощи ключа с внутренним шес тигранником. Внимание: - Не снимайте гайку.- Убедитесь, что шток надежно зафиксирован при помощи ключа о внутренним ше...
Задняя подвеска (модели 2WD) 179 Балка задней подвески Снятие 1. Снимите заднее колесо. 2. (Модели с задними дисковыми тормозами)Снимите суппорты тормозных механизмов левого и правого колес и тормозные диски (см, главу Тормозная система"). 3. (Модели о задними барабанными тормозами)Снимите торм...
180 Задняя подвеска (модели 2У^Ь) Установка 1. Установите балку задней подвески и временно затяните болты креплений, а) Поддомкратьте балку задней подвески. Примечание: используйте деревян ный брусок в качестве проставки между балкой и домкратом. в) Используя специнструмент, окон чательно затяните...
182 Задняя подвеска (модели 2УУО) б) Используя специнструмент, сни мите болт ступицы. 9. (Модели с задними дисковыми тормозами)Установите суппорт тормозного меха низма заднего колеса и затяните 2 болта. Момент затяжки...................... 46,6 Нм 7. (Модели с задними барабанными 6. Установите нов...
184 ЗадняяШдвеска (модели 4WD1 3. Установите верхний виброизолятор в кронштейн верхней опоры стойки.4. Установите ограничитель хода сжа тия пружины, верхнюю опору стойки в сборе с кронштейном и шайбу. Внимание: - Сориентируйте кронштейн, как показано на рисунке.- При установке сориентируйте шайбу в...
Задняя подвеска (модели 4УУ0) 187 10. Установите тормозной барабан.11. Отрегулируйте зазор меду тормоз ными колодками и барабаном (см. главу "Тормозная система"). 12. Затяните контргайки левой и пра вой ступиц задней оси. 13. Подсоедините левую и правую стойки стабилизатора поперечной ус ...
188 Задняя тодвеска (модели 4УУР) Проверка стойки стабилизатора 1. Проверьте момент прокрутки шаро вого шарнира. а) Наверните гай 1 ^ на палец шаро вого шарнира стойки стабилизатора, б) Покачайте палец шарового шар нира из стороны в сторону 5 раз. Используя динамометрический ключ, вращайте гайку ...
191 Рулевое управление Проверка люфта рулевого колеса На неподаижном автомобиле, установив колеса в положение движения по прямой, покачайте руль из стороны в сторону с небольшим усилием. Если люфт превышает допустимый, произ ведите ремонт,Макоимальный люфт................... 30 мм 3. При выключенн...
192 Рулевое управление Внимание: - Не держите кран закрытым более 10 секунд. - Не позволяйте температуре рабочей жидкости стать слишком высокой. 5. Проверьте давление жидкости при открытом кране манометра. а) На холостом ходу двигателя откройте кран полностью. б) Измерьте давление жидкости при час...
Рулевое управление 193 КОЛОНКИ, 2 • кронштейн крепления замка зажигания, 3 - кронштейн замка зажигания, 4 > контактная группа, 5 - датчик наличия ключа в замке зажигания, 6 - корпус рулевой колонки, 7 - подшипник, 8 - рулевой вал, 9 - верхнее стопорное кольцо, 10 - нижнее стопорное кольцо, 11 - в...
194 Рулевое управление 2. При необходимости замените цилиндр замка зажигания. а) При замене цилиндра замка зажигания руководствуйтесь указаниями подраздела "Снятие и установка замка зажигания".б) Убедитесь, что механизм блоки ровки рулевого колеса работает должным образом. Проверка момент...
рулевое управление 195 Снятие и установка насоса ГУР. 1 - бачок рабочей жидкости ГУР, 2 - шланг отвода, 3 - возвратный шланг, 4 - шту цер возвратного шланга, 5 - нагнетательный трубопровод, 6 - рулевая рейка, 7 - насос ГУР, 8 - кронштейн, 9 - хомут. Рулевой механизм (модели с ЭУР) Снятие 1. Устано...
200 Рулевое управление б) Подсоедините зажим. Момент затяжки........................... 8 Н-м 14. (Модели 4ШО)Подсоедините возвратный шланг. Проверка момента прокрутки шаровой опоры проверьте момент прокрутки шаровой опоры. а) Установите шаровую опору в тиски. Примечание: используйте алюминиевые пл...
Рулевое управление 201 Электроусилитель рулевого управления Самодиагностика 1. Прсверьте индикатор "Р/З”. Включите зажигание и убедитесь, что индикатор загорается и через 2 секун ды гаснет. 2. Считывание кодов неисправностей (без использования сканера), а) Перемкните выводы "ТС и "СС...
202 Рулевое управление Без использования сканера а) Остановите автомобиль. б) Перемкните выводы "Тв" и "СО" разъема 01СЗ.в) Перемкните выводы ’ТС’ и "СО" разъема 01СЗ.г) В течение 20 секунд 20 раз отсоедините и подсоедините перемычку к выводу "ТС", д) Выключите зажиг...
Рулевое управление 203 Таблица. Технические данные, считываемые при помощи сканера. Система Параметр Состояние Номинальное значение TRQ1 Значение выходного сигнала датчика момента. Диапазон; 0 / 5 В Рулевое колесо в центральном положении (без нагрузки) 2,2 - 2,8 В TRQ1 Значение выходного сигнала да...
205 Тормозная система Прокачка тормозной системы Примечание: после любых работ, Связанных с попаданием воздуха в тормозную систему, производите ее прокачку.Внимание: не допускайте попадания рабочей жидкости на окрашенные поеерхности. При попадании рабочей жидкости на окрашенную поверх ность смойте ...
206 Тормозная система Регулировка рычага стояночного тормоза 1. Поддомкратьте заднюю часть автомобиля. 2. Отрегулируйте зазор между колод ками и тормозным диском. 3. Установите задние колеса.Момент затяжки....................... 103 Н-м4. Проверьте величину хода рычага стояночного тормоза. Затянит...
208 Тормозная система б) Проверьте герметичность. Запустите двигатель. Остановите двигатель, когда разрежение будет примерно 500 мм рт. ст. После остановки двигателя в течение 15 секунд разрежение не падает. в) Проверьте герметичность без на грузки.Запустите двигатель и нажмите на педаль тормоза с...
Тормозная система 209 в) (122-РЕ, 2гг-вЕ) Отверните две гайки крепления кронштейна правой опоры силового агрегата. Мошнт затяжки.......................... 52 Н-м ж) (112-РЁ, ггг-оЕ)Отверните три болта крепления правой опоры силового агрегата. Момент затяжки......................... .52 Н м г) 211-6Е...
210 Тормозная система - Устанавливайте детали, как показано на рисунке. - Перед установкой нанесите специальную смазку для тормозных механизмов с обеих сторон внут ренних антискрипных прокладок, 6. Снимите удерживающие пластинча тые вкладыши. 7. Извлеките направляющие пальцы.8. Снимите пылезащит...
Тормозная система 211 2. Проверьте пластинчатые вкладыши. а) Очистите специальной жидкостью вкладыши и места их установки. Убедитесь, что вкладыши находятся в нормальном состоянии.б) После установки пластинчатых вкладышей убедитесь, что они не выпадают. 3. Измерьте толщину тормозного диска. Номиналь...
212 Тормозная система в) Отсоедините фиксирующую пру жину от передней тормозной колод ки и снимите переднюю тормозную колодку.г) Снимите фиксирующую пружину с задней тормозной колодки. 5. Снимите заднюю тормозную колодку. а) Используя специнструмент, сни мите пружину держателя, седла пружины и де...
Тормозная система 213 3. Установите колесный тормозной цилиндр на тормозной щит и затяните 2 болта. Момент затяжки......................... 10 Н-м 4. Используя специнструмент, подсоедините тормозную трубку к колесному тормозному цилиндру. Момент затяжки......................... 15 Н-м 5. Нанесите с...
214 Тормозная система Задние дисковые тормоза Снятие и установка суппорта примечание: - Установку проводите в порядке, обратном снятию.- Моменты затяжки указаны в тексте.- После установки заполните бачок тормозной жидкостью, прокачайте тормозную систему и проверьте отсутстеие утечек. 1. Снимите зад...
216 Тормозная система 4. Снимите две возвратные пружины и распорную пластину колодок. Примечание: устанавливайте пружи ны, как показано на рисунке. Левая сторона Правая сторона 5. Снимите регулятор, а) Снимите пружину. б) Снимите регулятор. 6. Снимите держатель, пружину дер жателя и переднюю колод...
Тормозная система 217 Расположение троса №3 стояночного тормоза (4WD). Рычаг стояночного тормоза. 1 - отделка рычага селек тора АКПП, 2 - вещевой ящик, 3 - отделка рычага пере ключения передач, 4 - отделка отверстия рычага стояночного тормоза, 5 - рукоятка рычага переключения передач, 6 ■ дно вещ...
218 Системы ABS, ВА и EBD Описание системы диагностики Электронный блок управления имеет систему защиты от сбоев, которая может определить неисправность в системе. Когда обнаружена неисправность, электронный блок управления отключает систему ABS, а на комбинации приборов загорается индикатор ABS. ...
Системы ABS, BA и EBD 219 Таблица. Коды неисправностей системы ABS. Код неисправности (индикатор ABS) Код неис правности (OBDII) Неисправность Проверяемые элементы 11 С0278 Обрыв цепи реле электромагнитных клапанов - Внутренняя проводка гидравлического блока- Реле электромагнитных клапанов ABS- Жг...
220 Системы ABS, BA и EBD Сброс кодов неисправности 1. (При помощи педали тормоза) а) Закоротите выводы "ТС" и "CG" разъема DLC3. Примечание: данная операция долж на проводиться на стоящем авто мобиле. б) Включите зажигание,в) Нажмите на педаль тормоза восемь или более раз в течен...
Системы ABS, BA и EBD 221 5, Включите зажигание. Если система ABS в норме, то мигания индикатора будут соответствовать показанным на рисунке. Код нормального состояния системы ABS. Модели 2WD Модели 4WD 8ЫКЛ Код "3". 6. Проверка при движении автомо биля. а) Запустите двигатель.б) Проверьте ...
222 Системы ABS, BA и EBD Таблица. Проверка модулятора давления. Выводыразъемов Сопротивление Ом 2 2 - 2 3 S M 1 + ^ SM1- 1 3 - 2 1 S M 2 + ^ SM2- 1 6 - 6 BS о SFLH 8,1 - 9 . 1 1 6 - 7 BS<^ SRRH 1 6 - 1 4 SRLH 1 6 - 2 0 B S ^ SFRH 1 6 - 5 BS^ SRRR 1 6 - 1 2 BS4-> SFLR 4 , 0 - 4 , 6 1 6 - 1 8 ...
224 Системы ABS, BA и EBD Системы улучшения управляемостиавтомобиля (ABS, TRC, VSC и ВА)Описание ABS: антиблокировочная тормозная ^ система. Помогает избежать блоки- ' ровки колес при внезапном торможе* НИИ или при торможении на скользкой дороге. TRC; противобуксовочная система. Ес ли возникает про...
226 Системы АВ8, ВА и ЕВО Таблица. Коды неисправностей системы №8 и ЕВО (продолжение). Код неис правности Неисправность Условия неисправности Проверяемые элементы 31 С0200 Неисправность датчика частоты вращения переднего правого копеса 32 С0205 Неисправность датчика частоты вращения переднего лев...
Системы ABS, ВА и EBD 227 Таблица. Коды неисправностей системы ABS и EBD (продолжение). Код неис правности Неисправность Условия неисправности Напряжение на выводе "IG1" 10 -14 В. Система ABS не работает. Выключатель стоп-сигналов в положении "ON" в течение 1 с или более Проверяемые...
228 Системы ABS, ВА и EBD Диагностика датчиков частоты вращения и датчика замедления 1. Убедитесь, что напряжение аккуму ляторной батареи {при выключенном зажигании) соответствует номинальному значению. Номинальноенапряжение..................... . 1 0 - 1 4 В 2. Проверьте индикатор ABS. а) Включит...
234 Система контроля за давлением в шинах Описание Система предназначена для оповещения водителя о пониженном давлении в любой из четырех шин. Кон троль за давлением в шинах осущест вляется только при движении автомо биля. Если давление в одной из шин ниже номинального, загорается индикатор си...
235 Кузов Передний бампер Снятие и установка Примечание: установку проводите в порядке, обратном снятию. 1. При помощи специнструмента отсо едините пистон, отверните два винта и снимите решетку радиатора.2. При помощи специнструмента отсоедините четыре пистона, отверните четыре болта и снимите ко...
При необходимости отрегулируйте за зор между капотом и кузовом автомобиля, как показано на рисунке "Регулировка зазоров между капотом и кузовом автомобиля", 1. Регулировка капота в продольном или поперечном направлении. Отрегулируйте положение капота в продольном и поперечном направлении,...
Кузов 237 3. при помощи специнструмента отсоедините пистоны и отсоедините заднюю часть боковой отделки багажника. 4. Отверните два винта и снимите брызговик. 5. Снимите боковое уплотнение. а) При помощи отвертки отсоедините пистоны в боковой части бампера.б) При помощи специнструмента отсоедините...
238 Кузов 2, Регулировка двери в поперечном и вертикальном направлениях. Ослабьте болты крепления дверных петель к двери и отрегулируйте поло жение двери. Момент затяжки......................... 26 Н'М 3. Регулировка скобы замка двери. а) Убедитесь, что петли и тяги замка двери отрегулированы прави...
239 9. Отверните три гайки, отсоедините разъем и снимите боковое зеркало. 10. Заклейте защитной лентой место, показанное на рисунке, и при помощи специнструмента снимите молдинг двери. 11. Снимите стекло двери. а) Подсоедините панель управления стеклоподъемниками и отпустите стекло до появления болт...
240 Кузов 3. (Модели с электроприводом стек лоподъемников) При помощи отвертки отсоедините фиксаторы и пистоны, отсоедините разъем и снимите панель управления стеклоподъемниками. }мечание: перед использованием смотайте отвертку защитной лентой. Пт обмс 5,5т1,5 мм 3,1 мм' 5,7 мм \ 6.5+1.5 ммi 7±1,5 ...
Кузов 241 Задняя боковая дверь. 1 - внешняя ручка открывания двери, 2 - цилиндр замка, 3 - кронштейн внешней ручки открывания двери, 4 • заднее неподвижное стекло, 5 - стекло двери, 6 - уплотнитель заднего неподвижно го стекла, 7 - уплотнитель стекла двери, 8 - направ ляющая стекла двери, 9 - молд...
3. Надавите на специ негру мент и отсоедините петлю крышки багажника от торсиона, как показано на рисунке. 242_______________ ___ Кузов 2. Слегка ослабьте винты крепления скобы и, слегка постукивая пластико вым молотком, отрегулируйте поло жение скобы замка двери. Момент затяжки.....................
Кузов 243 Задняя дверь (хэтчбек) Регулировка проверьте и при необходимости отрегулируйте (см. раздел "Задняя дверь (универсал)") зазоры между задней дверью и кузовом автомобиля, как показано на рисунке "Регулировка зазоров между задней дверью и кузовом автомобиля (хэтчбек)". Разбор...
250 Кузов 4. Убедитесь, что уплотнитель люка плотно прижат к панели крыши. Регулировка При необходимости отрегулируйте высоту расположения люка, ослабив винты и изменяя высоту расположе ния кронштейнов люка. Момент затяжки........................... 4 Н-м Панель приборов в таблице указаны условные ...
14. Снимите верхнюю часть панели приборов (см. рис. "Снятие и установка верхней части панели приборов"). а) бтверните болт (О) и два винта (С). Момент зетяжки болта................ 20 Н-м б) При помощи специнструмента отсоедините шесть пистонов и снимите верхнюю часть панели приборов. 15....
Кузов 253 27. Снимите нижнюю часть панели приборов (см. рис. "Снятие и установка нижней части панели приборов"). а) Отсоедините диагностический разъем "01С".б) Снимите рычаг привода замка ка пота. в) Отсоедините разъемы и снимите переключатели панели приборов.г) Отсоедините шесть п...
Кузов 255 4. При ПОМОЩИ отвертки отсоедините ЛИСТОНЫ и снимите отделку направ ляющей ремня безопасности заднего сиденья, 5. Отверните три винта, при помощи отвертки отсоедините пистоны и снимите боковую отделку багажного от деления. 6. При помощи отвертки отсоедините пистоны и снимите отделку зад...
256 Кузов (Хэтчбек)1. При помощи отвертки отсоедините фиксаторы и снимите отделку порога передней двери. 2. При помощи отвертки отсоедините фиксаторы и снимите отделку порога задней боковой двери. 3. Снимите передние боковые отделки салона (аналогично седану).4. Снимите уплотнители передних и задних...
Кузов 257 (Модели с люком) а) при помощи отвертки снимите плафон лампы местной подсветки. б) Оберните два винта, отсоедини те разъем и снимите лампу местной подсветки. 18. Снимите лампу освещения салона (аналогично седану). 19. Снимите вспомогательную ручку, а) При помощи отвертки снимите крышки ру...
258 Кондиционер, отопление и вентиляция Меры безопасности при работе с хладагентом при работе с хладагентом всегда соблюдайте правила техники безопасности. 1. Запрещается работать с хладаген том в закрытом помещении или вбли зи открытого пламени.2. Всегда надевайте защитные очки.3. Следите, чтоб...
Кондиционер, отопление и вентиляция 259 1. Полностью откройте клапан высоко- го давления блока манометров. 2. Полностью заправьте систему, после чего закройте клапан высокого давления. Примечание: признаком полностью заряженной системы является от сутствие пузырьков в сервисном окне. Снятие блока ...
260 Кондиционер, отопление и вентиляция Причина: а) Не отрегулирована термочувстви тельная трубка. б) Неправильно установлен расширительный клапан. Способ устранения: Проверьте термочувствительную трубку: если она исправна, то про верьте расширительный клапан. Неисправные детали замените. Неиспр...
Кондиционер, отопление и вентиляция 261 Трос привода заслонки направле ния потока воздуха. Трос привода заслонки смешива ния потоков воздуха. в) Отсоедините разъем и снимите панель управления кондиционером и отопителем. Блок кондиционера и отопителя Снятие 1. Удалите хладагент из системы. Примечан...
Кондиционер, отопление и вентиляция 263 б) Отверните два винта, отсоедините фиксатор, как показано на рисунке. и снимите блок вентилятора отопителя. Разборка и сборка примечание: сборку проводите в по рядке, обратном разборке. 1. (Модели с автоматическим управ лением кондиционером и отопителем...
264 КондициойШ^|^оНленйе и вен¥йД№(й^ Установка Установка производится в порядке, обратном разборке, с учетом следующе1го: 1. (Модели с ручным управлением кондиционером и отопителем) При установке троса привода заслонки забора воздуха; а) Установите переключатель регулировки забора воздуха в поло...
Кондиционер, отопление; ИгВентиляция 265 е) (Модели с автоматическим управлением кондиционером и ото пителем) Отсоедините разъем привода заслонки забора воздуха. 10. (Модели с ручным управлением кондиционером и отопителем) От верните два винта и снимите резистор вентилятора. ж) Отверните три винт...
266 Кондиционер, отопление и вентиляция Снятие компрессора 1. Удалите хладагент из системы кон диционирования. 2. Отверните болт и снимите шланг подвода хладагента к компрессору. 3. Отверните болт и снимите шланг отвода хладагента от компрессора. 4. Снимите правый кожух защиты дви- гателя. 5. Сними...
268 Кондиционер, отопление и вентиляция а) Подсоедините положительную клемму аккумуляторной батареи к выводу "5", отрицательную клемму - к выводу "4", убедитесь, что рычаг передвигается из положения "FACE" в положение "DEF". б) Подсоедините положительную клемму аккуму...
271 Система безопасности (SRS) Меры предосторожности при эксплуатации и проведении ремонтных работ Ошибки, допущенные при обслужи вании системы безопасности, могут привести к непроизвольному сраба тыванию системы при проведении сервисных мероприятий или к не срабатыванию системы в момент аварии, ...
272 Система безопасности (SRS) 4, Снимите спиральный провод. а) Сдвиньте верхний кожух рулевой колонки.б) Отсоедините разъемы от спирального провода. в) Освободите три фиксатора и снимите спиральный провод. 5. Установите спиральный провод. а) Установите переключатель указателя поворота в нейтральн...
Система безопасности (SRS) 273 J." Установку производите в обратном порядке.Момент затяжки...................... 17,5 Н-м Разъемы блока управления SRS Назначение выводов разъемов блока управления SRS см. в соответствую щей таблице. Снятие и установка передних боковых датчиков Снятие и установку...
Система безопасности (SRS) 275 Таблица. Назначение выводов разъемов блока управления SRS (продолжение). Вывод Обозначение Цепь вывода А25-5 SFL+ Электро воспламенитель левой боковой подушки А25-6 SFL- Электровоспламенитель левой боковой подушки А25-7 VUPL Левый боковой датчик SRS А25-9 SSL- Левый бо...
276 Система безопасности (SRS) Таблица. Коды неисправностей системы SRS (продолжение). Код Код SAE Диагностируемая неисправность Место неисправности 48 В0116 Обрыв в цепи электровоспламенителя левой боковой подушки безопасности Электровоспламенитель левой боковой подушки безопасности Центральный дат...
277 Электрооборудование кузова Общая информация Меры предосторожности 1 Перед выполнением работ с элек трооборудованием отсоедините кабель от отрицательной клеммы аккумуляторной батареи. 2. Если необходимо отсоединить аккумуляторную батарею для контрольной проверки или проведения ремонтных работ,...
278 Электрооборудование кузова Расположение компонентов на кузове. 1 - лампа местной подсветки, реле и переключатель управления люком, 2 - блок управления центральным замком, 3 • датчик замедления (модели 4\№0), датчик замедления и датчик крена (модели с УбС). 3. Если не сказано иначе, все разъемы ...
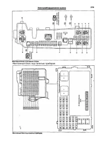
282 Элекгродбо'рудование кузо%а Таблица. Монтажный блок под панелью приборов. В Реле зажиганияРеле обогревателя заднего стеклаРеле топливного насосаРеле электропривода стеклоподъемниковРеле стартера POWER (ЗОА) - электропривод стеклоподъемников- электропривод люка b DEFOG (ЗОА) - обогреватель заднег...
Электрооборудование кузова 283 Фары и освещение Проверка цепи рел е-п реры вателя указателей поворота Проверьте состояние цепи на выводах разъема со стороны жгута проводов, как показано в таблице "Проверка цепи реле-прерывателя указателей поворота". Проверка выключателя задних противотуман...
286 Электрооборудование кузова Снятие противотуманных фар Тип 1 1. Отожмите два фиксатора и извле ките противотуманную фару, как показано на рисунке. 2. Установка осуществляется в обрат ном порядке. После установки отрегу лируйте положение противотуманных фар. Тип 2 1. Снимите подкрылок (см. Куз...
Электрооборудование кузова 287 Электропривод стеклоподъемников проверка главного переключателя стеклоподъемников 1. Проверьте работу переключателя по таблице "Проверка цепи главного переключателя стеклоподъемников". 2. Проверьте наличие проводимости между выводами переключателя по приведенны...
288 Электрооборудование кузова Проверка главного реле питания 1. проверьте постоянное наличие про водимости между выводами "Г и "2". 2. Проверьте наличие проводимости между выводами "3" и "5” при подаче напряжения аккумуляторной батареи на выводы "Г и "2". Провер...
Эдекгрооборудование кузова 289 Таблица. П роверка цепи интегрированного реле. 1 1 2 “З"4 5 6 7 в 9 10111 3 Выводы Состояние Результат 4 - масса Выключатель центрального замка OFF ->■ LOCK нет проводимости проводимость 2 - масса Ключ замка двери водителя LOCK -> любое другое положение прово...
290 Электрооборудование кузове б) Измените полярность напряжения, проверьте, что защелка перемещается в сторону "UNLOCK". 2. Проверка концевого выключателя. Убедитесь, что при открытой или неплотно закрытой задней двери есть проводимость между выводами выключателя. При плотно закрытой дв...
электрооборудование кузова 291 Регистрация нового кода - Возможна запись до 4-х кодов. - Существует 4 режима резистрации нового кода: - Режим добавление - для регист рации нового кода с сохранением ранее зарегистрированных; при попытке регистрации более 4-х кодов, ранее зарегистрированные будут сти...
292 Электрооборудование кузова Таблица. П роверка работы механизма складывания зеркал. Положение зеркал Положение выключателя Направление движения зеркал 1. Левое и правое зеркала в рабочем положении Рабочее -> сложенное Сложенное положение П Ф 2. Одно из зеркал в рабочем положении, другое - в об...
Электрооборудование кузова 293 Проверка электропривода регулировки положения зеркал 1. Подсоединяя аккумуляторную бата рею к выводам привода зеркал, убе дитесь, что зеркало перемещается, как описано в таблице. Рабочее положение (3) Выводы 5 И ^ 4 Н 4 ( + ) ^ 5 Н 3 ( + ) ^ 4 Н 4 { + ) о З { - ) Зер...
294 Электрооборудование кузова Таблица. П роверка переключателя и реле управления люком. Выводы Состояние Результат Разъем отсоединен, проверка со стороны жгута проводов 2 - масса постоянно 1 0 - 1 4 В 4 - 5 постоянно проводимость 6 - масса концевой выключатель №1 OFF ON нет проводимости проводимост...
Эшктрооборудование кузова 295 б) Остановите электродвигатель в промежуточном положении стеклоочистителя, отсоединив провода от выводов ’’3"и"1" Г2"и"3").в) Подключите "+" батареи к выводу "3{2)" разъема и убедитесь в том, что двигатель заработал снова и оста...
296 Электрооборудование кузова' Таблица. Проверка цепи комбинации приборов (продолжение). Выводы Состояние Результат А-15о масса замок зажигания "OFF", "ACC" или "ON" менее 1 В А-15-«-масса замок зажигания из "OFF", "ACC" или "ON" -^"START" 1 0...
298 Элёй^рбоборудование KyabsS 2. Проверка подсветки выключателя. Подключите "+" аккумуляторной батареи к выводу "6", к выводу "5", должна загореться подсветка выклю чателя обогревателя. 3. Проверка индикатора включения обогревателя заднего стекла. Подключите аккумуляторно...
Электрооборудование кузова 299 Аудиосистема Самодиагностика 1. Вход а режиме диагностики ("Service mode"), aj Выключите магнитолу.б) Поверните ключ зажигания в положение "АСС". в) Нажимая кнопки "1" и "6" пульта управления магнитолой, 3 раза нажмите кнопку "DISK...
300 Электрооборудование кузов! продолжение вывода информации при наличии двух и более кодов СОРЕ - содержимое памяти 2 - второй код 01 - логический адрес Е4 - диагностический код Р - физический адрес 190 - дополнительный код 6 Р - номер проверки соединения 05 - количество случаев проявления Режим де...
302 Электрооборудование кузова Тзблица. Проверка сигналов на выводах радиоресивера. Разъем “А" № Маркировка вывода Входной/ выходной (I/O) Подсоединение тестера Условия проверки Результат Неисправность при выходе за указанные пределы (О: при разрыве, 3: при замыкании на кузов) 2 FL + О А2оА7 При...
Электрооборудование кузова 303 Система MultiVision Самодиагностика 1. Включение режима диагностики. а) Производите проверку не ранее 30 секунд после включения зажигания. б) Одновременно нажав и удержи вая клавиши "1" и "6"-"8", три раза нажмите клавишу "DISC". в) Дл...
304 Эдмирооборудование кузова Коды неисправности системы MultiVision (140 - Радиоресивер [AVN]) (продолжение). Адрес Код Система 01 (коммуникация) DC Ошибка передачи 01 (коммуникация) DE Зависимый компонент - перезагрузка 01 (коммуникация) Е4 Разрыв последовательности передачи кадров 02 (управление)...
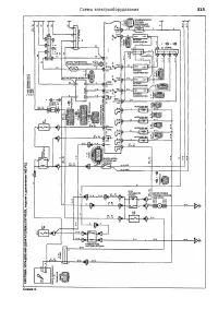
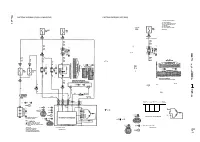
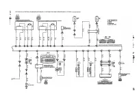
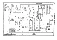
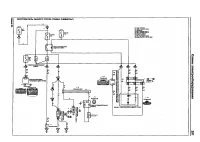
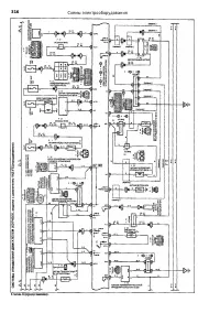
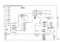
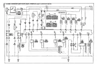
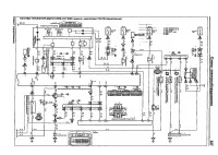
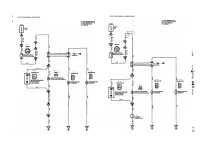
306 Схемы электрооборудования Обозначения, применяемые на схемах электрооборудования R-B (12.1999-) А - цвет провода В - текст в скобках указывает на то, что этот провод используется только в определенной модели кузова, двигателя и т.д. (А/т)зт-2от--4( (м/т )заД-22(Ш--4( )-17()-17( IGF IGT NE+ Nt- К...
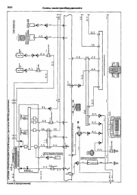
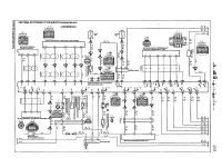
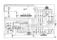
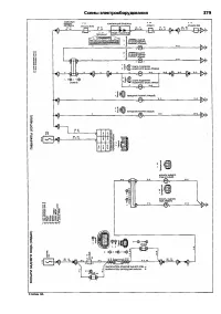
о ££ э ■ о I № X X о СИСТЕМА УПРАВЛЕНИЯ ДВИГАТЕЛЕМ (ХЭТЧБЕК, модели с двигателем 1NZ-FE) (продолжение) ВЕНТИЛЯТОР СИСТЕМЫ ОХЛАЖДЕНИЯ (ХЭТЧБЕК) (елт) ЙОГ РАМ к«®) 4йА RDI РАМ (2№) ЗвА *1: 11чг-Ре *2:222-<5Е ЕСи-Ю 10А РЕЛЕ №1 Э/ДВ. ВЕНТИЛЯТОРА РЕЛЕ »С Э/ДВ. ВЕНТИЛЯТОРА Ф "£' > А » — — с Проз...
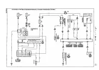
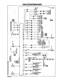
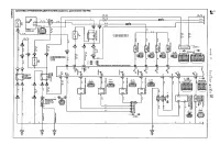
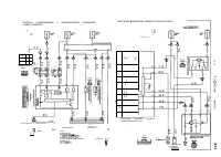
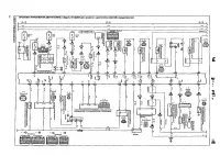
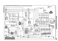
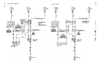
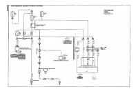
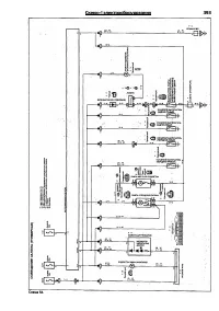
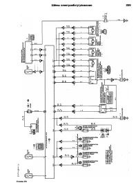
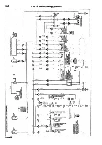
о м 0 £ 01 00 СИСТЕМА ЗАРЯДКИ (СЕДАН, УНИВЕРСАЛ) 1;»pOMe2Z2-(ïEAfinn *2: 2ZZ-GE АКПП *3; ’**; дизегь *5:122-FE, 2ZZ-GE. ЭС-Е ■8: 2rtZ-FE, 1KZ-FE 2V\0 *7; 0ОМ» 2NZ-I=Ë, IMZ-FE ZWD aÎZ-FE •9:1KZ-FE *10; t2Z-FE. 2ZZ-GE •llrZHZ-FE. 1NZ-FE *12:цветпровошш<тмИ) . *1Э: цвет гфовощм (rm 2) С «0 с Т60 с l...
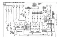
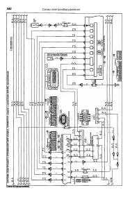
о £ X ш ю РАСПРЕДЕЛЁНИЕ ^ЕКТРОПИТАНИЯ (ХЭТЧБЕК) емрз$0А МЕАО ИН 10А НЕАО Ш 10А МАгМЮ 10А АЬТ-0 <2гг-СЕ) £А [>ШЕ15А •1; кроме 22г-вЕ АКПП ^2:2ZZ■ <зEMШ\ *3: цвет проводки- |>«п 1) *4: двет дроворкм. (тип 2) *сЬ- •бЭ- —*б2>- АМ1 25А 1 АМ5^101 9 *5 £2 5 ! 1^1:1 ЛИЗ^109 б fsтs 4 ЗАМОК ЗАЖ...
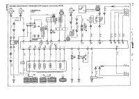
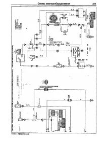
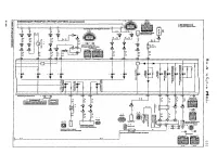
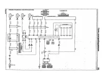
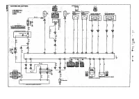
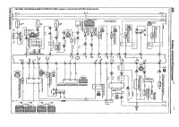
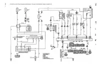
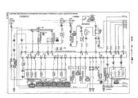
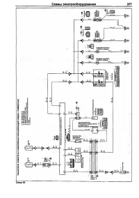
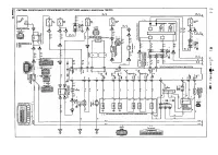
о м СИСТЕМА ЭЛЕКТРОННОГО УПРАВЛЕНИЯ АКПП (модели с двигателем 2NZ-FE) (продолжение) 2 ^ DOME ISA 1 9 I^Lli □ |С 1ft© I J/C(Nt2 ЭШСГРС»1НЫЙБЛСЖУГРАВгеНИЯдаиГАТЕЛЕМ с М® F во© Проэрячный "t" ‘S'' о ^ ^ г - 1 шп ^!1ЕЕСД5 ™55Ю|И1 I Т« 5« LEi_13 'W Si 9S F в is 7« СЗ F 41 |J№(uaoea №10) О* то siw...
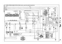
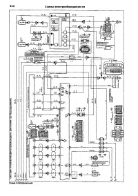
а§ £ &» СИСТЕМА ЭЛЕКТРОННОГО УПРАВЛЕНИЯ АКПП (ХЭТЧБЕК, иодели с двигателем 22Z-GE) Э 1 т 4 ЕР1 15А ?? (ВАТ> Еси-в 1 10А ^ —Г иЫ нй с и 01 с ^№(1*3) . вгд № С 4» Т«ым»«ерь^ ■ датчик 1ТЕМ1Е№ТУРЫ I ОХЛАЖДАЮЩЕЙ 1ж1адкЬсти я с 45 =* Черный ГбП) тзЙ ГШГй 'Б у ш в Б ДАТЧИКПОЛОЖЕНИЯ ДРОССЕЛЬНОЙ ЗАСЛО...
s Bi -A 00 СИСТЕ1ИА SRS (СЕДАН, УНИВЕРСАЛ) *1:иа«тпрс»ищ1м 2WD '4; ipoMd 2Ыг-РЕ, INZ-FE »AID •5;2tiZ*FE. INZ-FE •6:1Z2-FE, 2ZZ-eE a© } № № Т Ы Й Q 1 првднАТяжитель преокатяжитель PEili»« РЕМНЯ 6ЕЗОПАСНОСТИ БЕЗОПАСНОСТИ {ЛЕВОПОЗ (ПРАВОГО) А б А IS Желтый ДАТЧИК СИСТЕМЫ SRS (ПЕРЕДНИЙ ЛЕВЫЙ) -- + SI. Е...
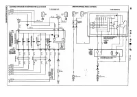
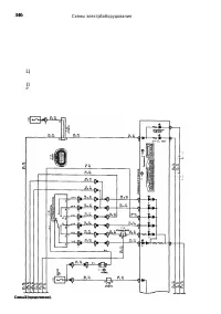
о X А S ш 1Ч> СИСТЕМА БЛОКИРОВКИ ПЕРЕКЛЮЧЕНИЯ (ХЭТЧБЕК, модели с АКПП) СИСТЕМА БЛОКИРОВКИ ПЕРЕКЛЮЧЕНИЯ (СЕДАН И УНИВЕРСАЛ, модели с АКПП) О) «я ■ 1: ц*«т прорадки С™г» 1) •2: 1 »вт проводки (тип 2 ) •3: 1MZ-FE 2WD Ч: кроме 1 Nr-FE 2 WD QAUGE 10А Ilf’if—р ----- “"Ф*' й! STOP 15А ВЫКЛЮЧАТЕЛЬ ст...
Oi о ъ СИСТЕМА ПРЕДУПРЕЖДЕНИЯ ОБ ОСТАВЛЕННОМ В ЗАМКЕ ЗАЖИГАНИЯ КЛЮЧЕ (СЕДАН, УНИВЕРСАЛ) OFF TAIL Н£А£> КОМ5ИНИРОВАННЫЙ ПЕРЕКЛЮЧАТЕЛЬ F J! Черный ■ я isQ — 130*3 ^ U » * - 33^*^ |§0 I I л lie#"" |р: .-гпж:; р Пр(мр» 1 «ый -о 1!» [] вя *ia j/ (ВА.И <вАП ilO (ВАТ) / ¡ТАИ. Ч Il5A ООМЕ15А i...
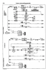
АУДИОСИСТЕМА (СЕДАН, УНИВЕРСАЛ) даНАМИК К I дин«лик (ЗАДНИЙ ПРАВЫС^ Прозрачный (ЗАДНИЙ ЛЕВЫ И) $ а, Прозрачный ‘ 1 : цвет аровадао! (жил 1 ) *2: цвет проводки (пт 2) *¡■ .6eзVSC с У5С ^5:2,4, а динамиков 2 ,4 дина1|П<М1 4, в динамн|м 'в: в динамиков > *9:1,2 , 4 динмика -< *10г без двнтрап-...
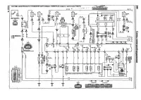
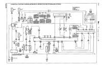
n X <0 г fii с* ■ о I КОМБИНАЦИЯ ПРИБОРОВ (кроме OPTITRON, ХЭТЧБЕК) (продолжение) ■1: цвет проводки Стия 1) *2; цвет проводки (тип 2) *3: 2WD *4: AVJO СТОП-СИГНАЛЫ (СЕДАН) ЕГОР 1SA ■1: цвет прододки (тип П ‘2. цвет проводки (тип 2) *3: со светцанодпы ‘4: с ПЕыпой *5: X Grade *в: кроме X Xirade СО...
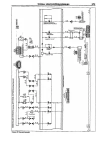
0 s 1 ОТОПИТЕЛЬ И СИСТЕМА КОНДИЦИОНИРОВАНИЯ (С АВТОМАТИЧЕСКИМ УПРАВЛЕНИЕМ, СЕДАН И УНИВЕРСАЛ) (продолжение) F 1в ПРИВОЙ алслоиси нзиенжия НАПРАВЛЕНИЯ ВОЗдаЩНОГОГЮТОКА г МЧвриый трйт1 ПРИВОД ЗАСЛОНКИ СМЕШИВАНИЯ воздушных потоков аШ • > «а '(Ь___ SQ-a SE-i TPM ACD AOF РЕЛЕ I ОБОГРЕВАТЕЛЯ I I ЗАДЖТО...
CMCTEIUIA ПРЕДУПРЕЖДЕНИЯ О НЕВЫКЛЮЧЕННОМ ОСВЕЩЕНИИ <СЕДАН, УНИВЕРСАЛ) <ВАТ> TAIL ISA OFF TAIL HEAD комеищровА1«*р)йт _ ПЕРЕКЛЮЧАТЕПЬ g g i F Л 4вр»шй *'0 > С] с I 1 JfCfffcS) 4[0 ц»ат npDeowM (тип 1) ‘4:cVSC'5:2NZ-re. IKZ-FE ZWO *6: ц»1п aHZ-FE, 1NZ-FE 2ИО *7: «яивкмацим noirtSqpoB OPITT...
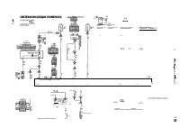
394 Схемы электрооборудования lili Я я*—S 5 F 410 F TÍ0 ■ va 4 h - w . —f*T^ r-i-L.©' s t i ! i Э X i £ riEP CBE ШЖ ТА 4« ЭЧА1№ ■ЕЛЬ Pfí U. 0 X ll. _l < g I ПЕР ynR OCB tur» ШЛЕ Etl^ ОЧАТЕЛЬ ИИЯ H«M I I '*• Схема 55. ríJ(íjí
3S5 Содержание Идентификация автомобиля......... 3 Идентификационная табличка и номер кузова..„3 Номер двигателя и коробки передач............................. 3 Расшифровка кода модели............................................ 3 Сокращения и условные обозначения............................3 Общие...
396 Содержание Замена переднего сальника коленчатого вала......... 43 Установка................................................................. 43 Головка блока цилиндров........................................... 44 Снятие:................................................................... 44 Разб...
Содержание 397 Автоматическая коробка передач.133 Общее описание........................................................ 133 Предварительные проверки...................................... 133 Диагностика АКПП.....................................................133 Система самодиагностики...............
398 Содержание Задние дисковые тормоза.......................................... 214Стояночный тормоз............................................... 215 Рычаг и тросы привода стояночного тормоза............ 216 Системы ABS, ВА и EBD........................... 218 Описание системы диагностики...........