Страница 14 - Содержание; Уважаемый покупатель!
Содержание 13 13 Содержание Уважаемый покупатель! Благодарим Вас за покупку нашего изделия. Чтобы понять, как правильно и безо- пасно пользоваться приобретенным устройством, рекомендуется тщательно изучить настоящее руководство перед подключением и эксплуатацией изделия. Сохраняйте руководство для и...
Страница 15 - Перед началом эксплуатации; Утилизация изделия
Перед началом эксплуатации 14 Перед началом эксплуатации Если вы желаете утилизировать данное изделие, не выбрасывайте его вместе с обычным бытовым мусором. Существует отдельная система сбора использованных электронных изделий в соответствии с законодательством, которая предполагает соответствующее ...
Страница 16 - Установка и подключение; Установка
Установка и подключение 15 Установка и подключение Установка Общая информация • Перед окончательной установ- кой устройства временно подклю-чите все провода и убедитесь, что все соединения выполнены верно, а устройство и система работают правильно. • Для обеспечения правильной установки устройства и...
Страница 17 - Снятие устройства
Установка и подключение 16 Установка и подключение Снятие устройства 1. Убедитесь, что зажиганиеотключено, затем отсоединитепровод от отрицательной (-)клеммы аккумулятора.2. Удалите металлическуюпластину, с помощью которойкорпус устройства зафиксировансзади.3. Вставьте оба ключа-съемникав прорези на...
Страница 18 - Схема подключения; Примечания; • Независимо от размера
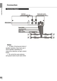
Установка и подключение 17 15 Установка и подключение Схема подключения Примечания • Независимо от размера динамиков, следует использовать динамики с сопротивлением, равным 4 Ом, для уменьшения искажений при повышенной громкости. • Запрещается соединять провода авто антенны и заземления между собой.
Страница 19 - Элементы управления; Элементы управления
Элементы управления 18 16 Элементы управления Элементы управления 1. Кнопка CLK2. Кнопка3. Кнопка (POWER)4. Регулятор VOLUME / кнопкаSELECT5. Кнопка MOD6. Кнопка7. Дисплей8. USB-порт9. Вход AUX 10. Разъем для карты памяти SD11. Кнопка 6/+1012. Кнопка 5/-1013. Кнопка 4/INT14. Кнопка 3/RDM15. Кнопка 2...
Страница 20 - Эксплуатация; Общие операции
Эксплуатация 19 19 Эксплуатация Общие операции Нажмите кнопку POWER, чтобы включить устройство. Нажмите и удерживайте эту кнопку, чтобы отключить устройство. Включение/отключение устройства Нажимайте кнопку MOD, чтобы выбрать режим работы: Радио, AUX или USB/SD. Режим работы «USB/SD» доступен только...
Страница 21 - Передняя панель; Информация по USB/SD разъемам
Эксплуатация 20 Эксплуатация Передняя панель Задняя панель Операции с радио Нажимайте кнопку BND, чтобы выбрать диапазон: FM1 => FM2 => FM3. В каждом диапазоне может быть сохранено до 6 радиостанций Выбор диапазона • Нажмите кнопку или Устройство настроится на ближайшую станцию с сильным сигна...
Страница 22 - Выбор трека
Эксплуатация 21 21 Эксплуатация Внимание : использование внешних USB-устройств, содержащих файлы с расши-рением BIN в корневой директории, может привести к сбоям в работе устройства или к повреждению программного обеспечения. Нажмите кнопку или , чтобы выбрать следующий или предыдущий трек. Нажмите ...
Страница 23 - Общая информация; Устранение неисправностей
Общая информация 22 22 Общая информация Устранение неисправностей Ниже приводится таблица, в которой описаны простые проверки, спо- собные помочь Вам устранить большую часть проблем, могущих возник-нуть при использовании данного устройства. Если нижеуказанные меры не помогли, обратитесь в сервисный ...
Страница 24 - Технические характеристики; Максимальная выходная мощность: 4 x 40 Вт; Стерео FM радио; Количество сохраняемых станций:
Общая информация 23 23 Общая информация Технические характеристики Технические характеристики могут быть изменены заводом-изготовителем без предварительного уведомления. Указанные геометрические размеры и вес имеют приблизительные значения. Общие Максимальная выходная мощность: 4 x 40 Вт 4 Ом 8 А US...
Страница 25 - Хранение и транспортировка
Общая информация 24 24 Общая информация Хранение и транспортировка Безопасная утилизация Упакованные изделия допускается транспортировать всеми видами транспорта в условиях 5 ГОСТ 15150 при температуре не ниже минус 10 °С и при защите их от прямого воздействия атмосферных осадков и механических повр...