Страница 3 - Список языков; Экранное меню; Рисунок 1
Список языков № Сокращение . Язык EN Английский Options Экранное меню Рисунок 1 Рисунок 3 Рисунок 4 Рисунок 5 0 4 40 Тип PCM ВКЛ Проводник передней панели ВКЛ Начало Зап . Европ . Английский T-Link SPDIF SPDIF задержка Обычный интерфейс РасположениеЯзык декодирования страницыЯзык цифрового телетекст...
Страница 4 - Важная информация
Важная информация Безопасность Убедитесь , что напряжение домашней электросети соответствует напряжению , указанному на табличке , на задней панели телевизора . Электрические розетки или соединители , использующиеся как выключатели , должны быть включены . На некоторых моделях световой индикатор рас...
Страница 6 - Содержание; DVD
Содержание Важная информация .................................................... 1 Глава 1 - Подключения Подключение питания и антенны ................................. 4 DVD плеер , домашний кинотеатр .................................. 4 DVD рекордер , приемник кабельного ТВ , ПК ............... 5...
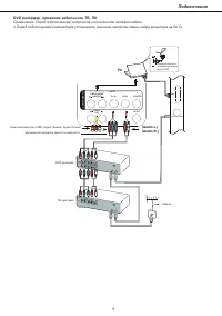
Страница 7 - Глава 1; Подключения; Подключение питания и антенны; или; DVD плеер, домашний кинотеатр; VGA
Глава 1 Подключения ПРИМЕЧАНИЕ: Расположение и названия гнезд у разных моделей телевизоров могут отличаться или отсутствовать . Подключение питания и антенны Для включения телевизора после подключения сетевого кабеля нажмите кнопку или POW ER/ . Примечание : Расположение розетки питания у разных мод...
Страница 8 - PC
Подключения DVD рекордер, приемник кабельного ТВ, ПК Примечание : Перед подключением устройств отсоедините сетевой кабель . 4. Перед подключением компьютера установите значение частоты смены кадра монитора на 60 Гц . Или используйте соединение через порт HDMI (Композитный вход CVBS, Аудио Правый, Ау...
Страница 10 - Глава 2; Начало работы; Функции пульта дистанционного управления (ДУ); Electronic Programme Guide (
Глава 2 Начало работы Функции пульта дистанционного управления (ДУ) Большинством функций вашего телевизора можно управлять с помощью экранного меню . Пультом дистанционного управления можно управлять меню и менять настройки . Source 0-9 ECO EPG Menu Exit ▲▼ /*Zoom+/- OK Option Return VOL+/ - Info Mu...
Страница 11 - МЕРЫ ПРЕДОСТОРОЖНОСТИ :; Включение и выключение телевизора; Для некоторых моделей
Начало работы Важно: Не подвергайте батареи сильному нагреву от огня , солнечного света и т . п . Извлекайте батареи из пульта ДУ , если он не используется длительное время . Оставленные в пульте батареи могут протечь , что приведет к повреждению устройства , которое не является гарантийным случаем ...
Страница 12 - Телевизионный джойстик; Экранное меню NAV; NAV; Телевизионный
Телевизионный джойстик Сдвигайте джойстик влево / вправо для уменьшения / увеличения громкости . Сдвигайте джойстик вверх / вниз для перехода вверх / вниз по списку каналов . В меню сдвигайте джойстик влево / вправо для перемещения курсора влево / вправо . В меню сдвигайте джойстик вверх / вниз для ...
Страница 13 - Начальная установка; установки пароля; Выполнение автоматического поиска каналов; the; нажмите OK/► для перехода к следующему шагу ввода; OK; для старта начальной установки,
Глава 3 Настройка каналов Начальная установка Начальная установка состоит из выбора установок , необходимых для поиска и сохранения всех аналоговых и цифровых каналов , которые вы хотите принимать . Включите телевизор и следуйте инструкциям в порядке , приведенном ниже . Примечание : Если поиск кана...
Страница 14 - Использование телевизора и Дополнительные возможности
Главы 4 и 5 Использование телевизора и Дополнительные возможности • Нажмите OK , чтобы пропустить выбор страны и перейти к следующему шагу . Или используйте ◄ / ► для повторного выбора страны и нажмите OK для открытия меню . - Выберите Digital & Analogue ( Цифровой и Аналоговый ), затем нажмите ...
Страница 15 - Дополнительные возможности; Субтитры; Язык телетекста цифровых каналов; CEC; Общий интерфейс
Дополнительные возможности Вы можете использовать эту функцию , если телетрансляция содержит голосовое описание . 1. Нажмите Menu ( Меню ) на пульте ДУ и выберите Sound ( Звук ). 2. Нажмите OK для открытия меню . 3. Нажимая ▲ / ▼ , выберите Audio Description ( Голосовое сопровождение ), нажмите OK/ ...
Страница 16 - Menu; Обновление ПО; Shop; Функция MHEG; MHEG; Просмотр фото, воспроизведение музыки и; USB
Дополнительные возможности Использование модуля общего интерфейса Предупреждение: Перед установкой модуля общего интерфейса выключите телевизор. Следуйте инструкциям, приведенным ниже. Неправильная установка модуля может повредить оба устройства. 1. Аккуратно вставьте модуль в слот общегоинтерфейса ...
Страница 17 - Определение времени; Персонализация; Примечание
Дополнительные возможности 1. Используя ▲ / ▼ / ◄ / ► , выберите фото в корневом каталоге или во вложенных папках , нажмите Menu (Меню ) для открытия меню просмотра фото . - Sort ( Сортировать ) : Сортировка папок и фото по дате изменения и имени . - Edit ( Редактировать ) : Копирование , вставка и ...
Страница 18 - Электронный телегид
Дополнительные возможности и прочая информация Главы 5 и 6 Электронный телегид EPG — это таблица телеканалов , выводимая на экран телевизора . Вы можете просматривать список каналов , выбирать каналы и записывать телепередачи . 1. Нажмите Guide ( Гид ) на пульте ДУ , на экране появится меню Now and ...
Страница 19 - Прочая информация; Технические характеристики; Глава 6; camera; Не работает пульт ДУ.; Условия эксплуатации; zlib; glibc; GNU; Изображение не четкое.
Прочая информация Технические характеристики Стандарт вещания PAL/SECAM BG/DK/I/LL' DVB-T/T2/C Принимаемые каналы VHF/UHF/ Кабель Тип приемника Синтез частот Модель 32S4600: Номинальное напряжение питания 100 - 240 В ~ 50 Гц Масса нетто 7,0 кг Габаритные размеры ( Д × Ш × В ) 736 × 152 × 470 мм Форм...
Страница 20 - Примечание: Если подставка уже была
Прочая информация Сборка подставки для моделей L32S4600 и L55S4600F Примечание: Если подставка уже была собрана, можно пропустить следующие пункты . Следуйте инструкции по сборке подставки в соответствии с приобретенной вами моделью телевизора. Во избежание повреждения изделия особенно во время сбор...
Страница 21 - Support brackets
Сборка подставки для модели Прочая информация L40S4600F Примечание: Если подставка уже была собрана, можно пропустить следующие пункты . Следуйте инструкции по сборке подставки в соответствии с приобретенной вами моделью телевизора. Во избежание повреждения изделия особенно во время сборки держите п...