Страница 2 - руководство по эксплуатации; содЕрЖаНиЕ
-2- руководство по эксплуатации содЕрЖаНиЕ Меры безопасности и Меры предосторожности .................................................................. 3 Подсоединения ...................................................................................................................... 6 Установка и...
Страница 3 - Меры предосторожности:; CLASS 1 LASER PRODUCT; находится на тыльной стороне панели устройства. Эта
-3- руководство по эксплуатации ПРЕДУПРЕЖДЕНИЕ!! Возможно поражение электрическим током. Не открывать.Меры безопасности: Для снижения риска возгорания или поражения электрическим то-ком не подвергайте прибор воздействию дождя или высокой влажности. Меры предосторожности: во иЗБЕЖаНиЕ пораЖЕНиЯ элЕкт...
Страница 4 - пЕрЕд НаЧалоМ эксплуатации; рует как отдельная часть. Эта отдельная часть является главой.; Track; – звуковая дорожка. Самый крупный компонент VCD диска.; МЕрЫ прЕдостороЖНости
-4- руководство по эксплуатации пЕрЕд НаЧалоМ эксплуатации словарь терминовPBC – функция управления воспроизведением. Для дисков SVCD и VCD2.0 разрешается отображение на экране содержимого диска в виде активного меню, похожего на меню не-которых дисков DVD. Качество иллюстрационных статических изобр...
Страница 5 - оБраЩЕНиЕ с дискаМи
-5- руководство по эксплуатации 11.Открытие/закрытие монитора происходит автоматически. Не пытайтесь открыть/за-крыть монитор вручную. Иначе можно повредить механизм или экран монитора. 12.В данном руководстве по эксплуатации использованы иллюстрации для облегчения управления данным проигрывателем. ...
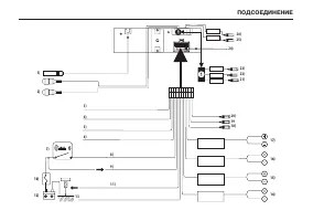
Страница 7 - подсоЕдиНЕНиЯ; Главный предохранитель
подсоЕдиНЕНиЯ Предупреждение: Для того чтобы просматривать видео изображение на дис-плее во время стоянки на парковке провод стояночного тормоза должен быть обязательно подсоединен к зазем-лению. 1. Радио антенна 2. ТВ антенна (опция) 3. Стояночный тормоз (Серый) 4. Провод включения камеры заднего в...
Страница 8 - порЯдок устаНовки и иЗвлЕЧЕНиЯ проиГрЫватЕлЯ; порядок установки аппарата
-8- порЯдок устаНовки и иЗвлЕЧЕНиЯ проиГрЫватЕлЯ Для установки ресивера выберите подходящее место. Затем подключите громкоговори-тели и электропроводку. Убедитесь, что все соединения выполнены правильно, аппарат и вся аудио система работают должным образом. Следуйте дальнейшим инструкциям для правил...
Страница 9 - Порядок извлечения аппарата
-9- порЯдок устаНовки и иЗвлЕЧЕНиЯ проиГрЫватЕлЯ Рис.2 Рис.3 Порядок извлечения аппарата Вставьте до упора ключи, входящие в комплект поставки ресивера, в пазы на боковых по-верхностях передней панели. Извлеките ресивер из рамки, потянув его на себя. Отсоеди-ните провода.
Страница 10 - пЕрЕдНЯЯ паНЕлЬ
-10- пЕрЕдНЯЯ паНЕлЬ 1. Кнопка снятия передней панели. 2. MENU Кнопка вывода Главного меню. 3. MUTE Кнопка мгновенного выключения звука. 4. EJECT Кнопка извлечения диска. 5. ADJ Кнопка изменения угла наклона монитора. 6. ИК-приемник сигналов пульта ДУ. 7. ЖК-экран. 8. O Кнопка ускоренного перехода в...
Страница 11 - пулЬт ду; DU
-11- пулЬт ду 1. PWR Кнопка включения/выключения проигрывателя REC/SUB-T Кнопка перехода к первой главе/выбора языка субтитров MUTE Кнопка мгновенного выключения звука SRC Кнопка выбора режима работы проигрывателя 2. BAND / Кнопка выбора частотного диа- пазона APS Кнопка сканирования ST/RPT Кнопка в...
Страница 12 - Замена элементов питания; Для замены элементов питания откройте отсек питания.; обращение с пультом ду; управления расположенный на передней панели устройства.
-12- пулЬт ду Замена элементов питания 1. Для замены элементов питания откройте отсек питания. 2. Установите новую батарейку значком «+» вверх. 3. Затем закройте отсек с батарейкой обратно в пульт ДУ. обращение с пультом ду 1. Направляйте пульт ДУ непосредственно на ИК-приемник сигналов дистанционно...
Страница 13 - осНовНЫЕ опЕрации
-13- осНовНЫЕ опЕрации включение/выключение проигрывателя Подключите аппарат к источнику питания. Чтобы включить/выключить проигрыватель нажмите кнопку PWR . выбор частотного диапазона Нажмите кнопку BAND для выбора частотного диапазона. Каждое очередное нажатие кнопки будет приводить к смене диапаз...
Страница 15 - изменение угла наклона монитора; Последовательно нажимайте кнопку; для изменения угла наклона монитора.; ADJ; для возврата к исходному положению монитора.
-15- осНовНЫЕ опЕрации изменение угла наклона монитора Последовательно нажимайте кнопку ADJ для изменения угла наклона монитора. Нажмите и удерживайте кнопку ADJ для возврата к исходному положению монитора. Предупреждение: - Не кладите предметы на монитор. Не пытайтесь вручную изменить угол наклона ...
Страница 16 - МЕНЮ НастроЙки
-16- МЕНЮ НастроЙки Щелкните значок SETUP на сенсорном экране главного меню настройки для выбо-ра необходимого пункта меню: BASIC основные настройки Щелкните значок / , чтобы выбрать не- обходимый параметр для настройки. Щелкайте значок / , чтобы отрегулиро- вать выбранный параметр настройки. Щелкни...
Страница 17 - управлЕНиЕ радиоприЕМНикоМ; OP
-17- управлЕНиЕ радиоприЕМНикоМ выбор частотного диапазона Щелкните значок BAND на сенсорном экране или кнопку пульта ДУ, чтобы вы-брать необходимый частотный диапазон: FM1 – FM2 – FM3 – AM1 – AM2. Примечание: В каждом частотном диапазоне вы можете сохранить по 6 радиостанций. ручная/автоматическая ...
Страница 18 - воспроиЗвЕдЕНиЕМ; воспроизведение DVD диска; Диски R/RW должны соответствовать формату ISO9660 уровень 1, 2.
-18- управлЕНиЕ DVD/MPEG4/JPEG/Мр3/CD/VCD воспроиЗвЕдЕНиЕМ воспроизведение DVD диска Установите DVD диск в проигрыватель. На дисплее появится следующее изображение: прЕдупрЕЖдЕНиЕ Данное устройство предназначено для воспроизведения исключительно легальных запи-сей, произведенных установленными станд...
Страница 19 - Для подтверждения выбора щелкните значок «ОК» на сенсорном экране.; Меню Названий
-19- управлЕНиЕ DVD/MPEG4/JPEG/Мр3/CD/VCD воспроиЗвЕдЕНиЕМ При помощи значков с цифрами на сенсорном экране введите номер Названия или Главы. Для подтверждения выбора щелкните значок «ОК» на сенсорном экране. Меню Названий Во время воспроизведения нажмите значок TITLE (Название) на сенсорном экране ...
Страница 20 - выбор ракурса изображения
-20- управлЕНиЕ DVD/MPEG4/JPEG/Мр3/CD/VCD воспроиЗвЕдЕНиЕМ Примечание: Данная функция недоступна, если диск содержит только один язык звукового сопровождения. выбор ракурса изображения Данная функция доступна только для дисков, записанных с нескольких камер. Чтобы из-менить ракурс изображения щелкай...
Страница 21 - изменение масштаба изображения; Щелкните значок; выбор трека
-21- управлЕНиЕ DVD/MPEG4/JPEG/Мр3/CD/VCD воспроиЗвЕдЕНиЕМ изменение масштаба изображения Щелкните значок на сенсорном экране, чтобы изменить масштаб статичного изобра- жения (фотографии, …). воспроизведение Мр3/CD/VCD диска Установите МР3 диск в проигрыватель, на дисплее появится следующее изображе...
Страница 22 - Начало/временная приостановка воспроизведения; Щелкните значок или нажмите кнопку; пульта ДУ для начала/временной приостановки; Функция рвс
-22- управлЕНиЕ DVD/MPEG4/JPEG/Мр3/CD/VCD воспроиЗвЕдЕНиЕМ Начало/временная приостановка воспроизведения Щелкните значок или нажмите кнопку DU пульта ДУ для начала/временной приостановки воспроизведения. Функция рвс Во время режима VCD/DVD нажмите кнопку TITLE/PBC или щелкните значок Раздел на сенсо...
Страница 23 - управлЕНиЕ воспроиЗвЕдЕНиЕМ SD/USB НоситЕлЯ
-23- управлЕНиЕ воспроиЗвЕдЕНиЕМ SD/USB НоситЕлЯ Подсоедините USB носитель к соответствующему разъему на передней панели проигрыва-теля. Проигрыватель перейдет в режим воспроизведения USB носителя автоматически. Для управления воспроизведением USB носителя см. раздел Управление DVD/VCD/MP3/JPEG восп...
Страница 24 - воЗМоЖНЫЕ НЕполадки и спосоБЫ иХ устраНЕНиЯ; сообщение на дисплее
-24- воЗМоЖНЫЕ НЕполадки и спосоБЫ иХ устраНЕНиЯ При возникновении каких-либо неисправностей во время эксплуатации устройства перед тем, как обратиться в сервисный центр, сначала обратитесь к нижеприведенному списку. сообщение на дисплее причина способ устранения «NO DISC» (Диск отсут-ствует) Поверх...
Страница 25 - Неисправность причина
-25- воЗМоЖНЫЕ НЕполадки и спосоБЫ иХ устраНЕНиЯ Неисправность причина способ устранения Приемник не функционирует Предохранитель аппарата поврежден. Замените предохранитель на но-вый (такого же типа и номинала). Предохранитель автомобиль-ного аккумулятора повреж-ден. Замените предохранитель на новы...
Страница 26 - Видео провод поврежден.
-26- воЗМоЖНЫЕ НЕполадки и спосоБЫ иХ устраНЕНиЯ Настройки в па-мяти устройства не сохраняются при выключении зажигания Подключение проводов ВАТТ и АСС произведено некор-ректно Выполните правильное, согласно схеме подключений, соединение. Нет изображе-ния и появление предупреждаю-щего сообщения Непр...
Страница 28 - Функция РВС включена.
-28- воЗМоЖНЫЕ НЕполадки и спосоБЫ иХ устраНЕНиЯ Искажение изо-бражения Диск защищен от копирова-ния. Некоторые диски содержат инфор-мацию, запрещающую копирование. Воспроизведение такого вида диска невозможно. Во время вос-произведения VCD диска функция РВС недоступна Текущий диск не поддержи-вает ...
Страница 29 - тЕХНиЧЕскиЕ ХарактЕристики; С использованием цветного фильтра; диапазон рабочих температур:
-29- тЕХНиЧЕскиЕ ХарактЕристики диагональ экрана: 4,3” количество пикселей: 76800 пикселей Метод отображения: С использованием цветного фильтра тип матрицы: LTPSTFT (TFT типа на основе (Low Temperature Poly Silicon)- низкотемпера- турного поликристаллического кремния) подсветка: Люминесцентная Напря...
Страница 30 - список сЕрвисНЫХ цЕНтров
( ) (3902) 23-39-27 - , . 29 - (3272) 588-544 . 73" " (3951) 61-49-45 278 , . 2. (83147) 307-40 . .4 (86137) 3-36-96 . .107 (8182) 20-80-31, 24-82-23. . , 128. (8512) 35-19-09 . , . 25 - (8512) 631-776, 632-066 . . 148 .202 (3852) 33-66-08 . , . 73 " " (3852) 63-94-02 . , . 113 (...