Спец 4,5 кВт Мини HP-5.001 СПЕЦ-HP-5.001 - инструкции и руководства
Обогреватель Спец 4,5 кВт Мини HP-5.001 СПЕЦ-HP-5.001 - инструкции пользователя по применению, эксплуатации и установке на русском языке читайте онлайн в формате pdf
Инструкции:
Инструкция по эксплуатации Спец 4,5 кВт Мини HP-5.001 СПЕЦ-HP-5.001
1
2
3
4
5
6
7
8
9
10
11
12
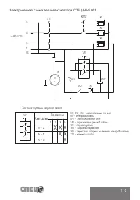
13
14
15
16
17
18
19
20
Спец Обогреватели Инструкции
-
Спец IGE-30
Инструкция по эксплуатации
-
Спец GH-72
Инструкция по эксплуатации
-
Спец IGE-15
Инструкция по эксплуатации
-
Спец IGE-53
Инструкция по эксплуатации
-
Спец 4,2 кВт СПЕЦ-ГИ-42В
Инструкция по эксплуатации
-
Спец 4,2 кВт СПЕЦ-ГИ-42А
Инструкция по эксплуатации
-
Спец 10 кВт СПЕЦ-IGE-10
Инструкция по эксплуатации
-
Спец СПЕЦ-ДК-15
Инструкция по эксплуатации
-
Спец СПЕЦ-ДК-20
Инструкция по эксплуатации
-
Спец СПЕЦ-ДК-30
Инструкция по эксплуатации
-
Спец СПЕЦ-ДК-45
Инструкция по эксплуатации
-
Спец СПЕЦ-ДН-65
Инструкция по эксплуатации
-
Спец 2 кВт 220 Мини СПЕЦ-HP-2.003C
Инструкция по эксплуатации
-
Спец 2 кВт Мини НР-2.001 СПЕЦ-НР-2.001
Инструкция по эксплуатации
-
Спец HP-15.000
Инструкция по эксплуатации
-
Спец HP-24.000
Инструкция по эксплуатации
-
Спец HP-3.000
Инструкция по эксплуатации
-
Спец HP-3.000C
Инструкция по эксплуатации
-
Спец HP-30.000
Инструкция по эксплуатации
-
Спец HP-36.000
Инструкция по эксплуатации