Страница 2 - Содержание
2 Содержание Техническое регулирование 3 Важные сведения 3 Общее описание 4 Важные функции безопасности при работе котла 4 Конструктивные особенности 4 Отвод продуктов сгорания (В11BS) 5 Описание электросистемы 5 Технические данные KRAFTER RMOD 6 Технические данные KRAFTER ВMOD 7 Данные системы упра...
Страница 3 - ТЕХНИЧЕСКОЕ РЕГУЛИРОВАНИЕ
3 ТЕХНИЧЕСКОЕ РЕГУЛИРОВАНИЕ Котлы серии Krafter сертифицированы по следующим европейским нормативам: Газовый норматив 90/396/CEE Норматив по производительности 92/42/CEE Норматив по электромагнитной совместимости 89/336/CEE Норматив по низким напряжениям 73/23/CEE Котлы сертифицированы на те...
Страница 5 - ОПИСАНИЕ ЭЛЕКТРОСИСТЕМЫ
5 износоустойчивой краской, нанесенной электростатическим способом. ОТВОД ПРОДУКТОВ СГОРАНИЯ (В11BS) Прерыватель (стабилизатор) тяги дымовых газов в приборах вариантов 14, 22, 30, 40, совмещен с дефлектором и патрубком присоединения дымовой трубы. Прерыватель тяги дымовых газов в котлах вариантов 50...
Страница 6 - ТЕХНИЧЕСКИЕ ХАРАКТЕРИСТИКИ RÖDA KRAFTER RMOD
6 ТЕХНИЧЕСКИЕ ХАРАКТЕРИСТИКИ RÖDA KRAFTER RMOD RÖDA Krafter RMOD Ед. 16 24 32 40 50 60 Технические параметры Номинальная тепловая мощность, макс/мин кВт 16/11,2 24/16,8 32/22,5 40,5/28,5 48,9/34,2 57,4/40,2 Полезная тепловая мощность, макс/мин кВт 14/9,8 22/15,4 29,3/20 36,8/25,8 44,4/31,1 52/36,4 Н...
Страница 7 - ТЕХНИЧЕСКИЕ ХАРАКТЕРИСТИКИ RÖDA KRAFTER BMOD
7 ТЕХНИЧЕСКИЕ ХАРАКТЕРИСТИКИ RÖDA KRAFTER BMOD RÖDA Krafter BMOD Ед. 16 24 32 40 Технические параметры Номинальная тепловая мощность, макс/мин кВт 16/11,2 24/16,8 32/22,5 40,5/28,5 Полезная тепловая мощность, макс/мин кВт 14/9,8 22/15,4 29,3/20 36,8/25,8 Номинальный коэффициент полезного действия (н...
Страница 12 - ИНСТРУКЦИЯ ПО ОБСЛУЖИВАНИЮ; Панель управления; в зависимости от модели могут быть с автоматической
12 ИНСТРУКЦИЯ ПО ОБСЛУЖИВАНИЮ Панель управления 1 - Кнопка включения/выключения котла 2 - Кнопка выбора режимов Зима / Лето 3 - Кнопки регулирования температуры ГВС 4 - Кнопка Reset снятия с блокировки 5 - Кнопки регулирования температуры теплоносителя L1 - Дисплей L2 - Индикатор нормальной работы (...
Страница 14 - Режим отопления; Модуляции мощности
14 Режим отопления Если выбран режим работы «Зима», то котел запускается по сигналу комнатного термостата (замыкание контактов термостата – разрешает работу в режиме отопления). После запуска котла, в течении примерно 50 сек, мощность модулируется с постепенным увеличением от начальной до максимальн...
Страница 15 - Защита от замерзания
15 Функция антиблокировки вала циркуляционного насоса. Чтобы избежать заклинивания валов насосов отопления и ГВС, раз в 24 часа насосы включаются на 10 мин. Если в это время поступает другая команда, связанная с работой насосов, то функция антиблокировки сбрасывается в исходное состояние. Эта функци...
Страница 20 - Подключение электропитания; Заземление котла обязательно!; Подключение к дымоходу
20 Если есть вероятность повышения давления водопроводной воды свыше 6 бар, необход имо установить редуктор на входе холодной воды в котел и бойлер. Если на объекте наблюдаются гидроудары в системе водоснабжения то для защиты котла и бойлера рекомендуется использовать расширительный бак объемом не м...
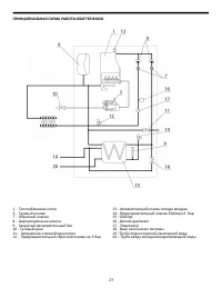
Страница 22 - ПРИНЦИПИАЛЬНАЯ СХЕМА РАБОТЫ KRAFTER RMOD
22 ПРИНЦИПИАЛЬНАЯ СХЕМА РАБОТЫ KRAFTER RMOD 1 - Теплообменник 2 - Основная горелка 3 - Газовый клапан 5 - Аварийный термостат с ручной блокировкой, калиброванный на температуру воды подачи 96°C 8 - Циркуляционный насос 9 - Закрытый расширительный бак 10 - Газовый кран 12 - Аварийный клапан сброса да...
Страница 23 - ПРИНЦИПИАЛЬНАЯ СХЕМА РАБОТЫ KRAFTER BMOD
23 ПРИНЦИПИАЛЬНАЯ СХЕМА РАБОТЫ KRAFTER BMOD 1 - Теплообменник котла 3 - Газовый клапан 7 - Обратный клапан 8 - Циркуляционные насосы 9 - Закрытый расширительный бак 10 - Газовый кран 11 - Заправочно-сливной кран котла 12 - Предохранительный сбросной клапан на 3 бар 13 - Автоматический клапан отвода ...
Страница 24 - РЕКОМЕНДОВАННАЯ СХЕМА СОЕДИНЕНИЯ КОТЛА KRAFTER RMOD И БОЙЛЕРА
24 РЕКОМЕНДОВАННАЯ СХЕМА СОЕДИНЕНИЯ КОТЛА KRAFTER RMOD И БОЙЛЕРА 1 - Бойлер 2 - Магниевый анод 3 -Сливной кран 4 - Насос бойлера ГВС 5 - Обратный клапан 6 - Клапан удаления воздуха 7 - Кран подпитки системы отопления 8 - Предохранительный сбросной клапан на 3 бар 9 - Теплообменник котла 10 - Закрыты...
Страница 26 - МИКРОПЕРЕКЛЮЧАТЕЛИ ПЛАТЫ УПРАВЛЕНИЯ
26 МИКРОПЕРЕКЛЮЧАТЕЛИ ПЛАТЫ УПРАВЛЕНИЯ Перемычка JP1: 1-2 ножки замкнуты – сжиженный газ 2-3 ножки замкнуты – природный газ Блок микропереключателей платы управления SW1: Номер переключателя Параметр Установки Заводское значение SW1 переключатель 1 С бойлером или одноконтурный ON – с бойлером OFF – ...
Страница 27 - ПРОГРАММИРОВАНИЕ ЭЛЕКТРОННОЙ ПЛАТЫ КОТЛА
27 ПРОГРАММИРОВАНИЕ ЭЛЕКТРОННОЙ ПЛАТЫ КОТЛА Для доступа в меню программирования необходимо нажать и уд ерживать в течении 5 секунд две кнопки «+» и «-» регулирования отопления: На дисплее высветится трехзначное число. Первая цифра – параметр, вторая и третья – значение парам етра. С помощью кнопок «...