Страница 3 - УВАЖАЕМЫЙ ПОКУПАТЕЛЬ!; Перед включением данного устройства обязательно прочтите; НАЗНАЧЕНИЕ; УСТРОЙСТВО И ПРИНЦИП РАБОТЫ; Стабилизатор состоит из 3-х идентичных блоков, каждый из которых
Ред. 9.2 3 УВАЖАЕМЫЙ ПОКУПАТЕЛЬ! Компания «Ресанта» выражает благодарность за Ваш выбор и гарантирует высокое качество, безупречное функционирование приобретённого Вами изделия марки «Ресанта» при соблюдении правил его эксплуатации. ВНИМАНИЕ! Перед включением данного устройства обязательно прочтите ...
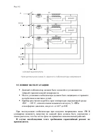
Страница 4 - Подключение стабилизатора осуществляется с помощью панели с
Ред. 9.2 4 На передней панели расположены: 1-вольтметры входного напряжения 2-амерметры входного тока 3-вольтметры выходного напряжения 4-панель управления стабилизатором (электрозапуск/вкл/выкл) 5-ручное управление. Подключение стабилизатора осуществляется с помощью панели с винтовыми зажимами. Ста...
Страница 5 - В случае несоблюдения этого требования гарантийный ремонт не
Ред. 9.2 5 УСЛОВИЯ ЭКСПЛУАТАЦИИ ▪ Данный стабилизатор должен быть заземлён и установлен на твёрдой горизонтальной поверхности. ▪ Место установки стабилизатора должно быть защищено от прямого воздействия солнечных лучей. ▪ Прибор рассчитан на работу при температуре окружающей среды +5 о С …+40 о С, о...
Страница 8 - ТРАНСПОРТИРОВКА
Ред. 9.2 8 ТЕХНИЧЕСКОЕ ОБСЛУЖИВАНИЕ В период эксплуатации стабилизатора необходимо: • Периодически осматривать корпус стабилизатора и подключенных к нему проводов для выявления повреждений; • Производить очистку вентиляционных отверстий изделия от грязи и пыли с помощью щетки, предварительно отключи...
Страница 9 - ВОЗМОЖНЫЕ НЕПОЛАДКИ, ВОЗНИКАЮЩИЕ ПРИ РАБОТЕ; Неполадки
Ред. 9.2 9 ВОЗМОЖНЫЕ НЕПОЛАДКИ, ВОЗНИКАЮЩИЕ ПРИ РАБОТЕ Представленная документация содержит минимально необходимые сведения для применения изделия. Предприятие-изготовитель вправе вносить в конструкцию усовершенствования, не изменяющие правила и условия эксплуатации, без отражения их в эксплуатацион...
Страница 10 - РЕКОМЕНДАЦИИ ПО ВЫБОРУ СТАБИЛИЗАТОРА; При выборе стабилизатора напряжения необходимо знать о
Ред. 9.2 10 РЕКОМЕНДАЦИИ ПО ВЫБОРУ СТАБИЛИЗАТОРА Мощность стабилизатора определяет максимально допустимую суммарную мощность нагрузки, которую можно подключить к стабилизатору. ВНИМАНИЕ! При выборе стабилизатора напряжения необходимо знать о том, что при уменьшении входного напряжения увеличивается ...
Страница 12 - Полный актуальный список сервисных центров Вы так же можете
Ред. 9.2 12 • Пермь , ул. Сергея Данщина, д. 6а, тел.: 8 (342) 205-85-29. • Петрозаводск , район Северная Промзона, ул. Заводская, д. 10 А, тел.: 8 (812) 309-87-08. • Псков , ул. Леона Поземского, д.110, тел.: 8 (8112) 700-181, 8(8112) 296-264. • Пятигорск , ул. Ермолова 46 Б, тел: +7 968 279-279-1,...
Страница 13 - ГАРАНТИЙНЫЕ ОБЯЗАТЕЛЬСТВА
Ред. 9.2 13 ДОРОГОЙ ПОКУПАТЕЛЬ! Мы выражаем Вам огромную признательность за Ваш выбор. Мы сделали все возможное, чтобы данное изделие удовлетворяло Вашим запросам, а качество соответствовало лучшим мировым образцам. Компания “Ресанта” устанавливает официальный срок службы на стабилизаторы напряжения...
Страница 14 - ФИО и подпись покупателя
Ред. 9.2 14 ГАРАНТИЙНЫЙ ТАЛОН Стабилизатор напряжения зав №_________________ модель _________________ Дата продажи _____________________ Наименование и адрес торговой организации__________________________ м.п. С правилами эксплуатации и условиями гарантии ознакомлен. Продукция получена в полной комп...