Redverg RD-DHD50T 6667356 - инструкции и руководства
Обогреватель Redverg RD-DHD50T 6667356 - инструкции пользователя по применению, эксплуатации и установке на русском языке читайте онлайн в формате pdf
Инструкции:
Инструкция по эксплуатации Redverg RD-DHD50T 6667356
1
2
3
4
5
6
7
8
9
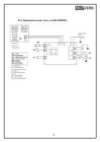
10
11
12
13
14
15
16
17
18
19
20
21
22
Redverg Обогреватели Инструкции
-
Redverg RD-DHD10 5021363
Инструкция по эксплуатации
-
Redverg RD-DHD20 5021364
Инструкция по эксплуатации
-
Redverg RD-DHD30W 5021365
Инструкция по эксплуатации
-
Redverg RD-DHD50W 5021366
Инструкция по эксплуатации
-
Redverg RD-GH10 5021347
Инструкция по эксплуатации
-
Redverg RD-GH10R 6659841
Инструкция по эксплуатации
-
Redverg RD-GH12 6667345
Инструкция по эксплуатации
-
Redverg RD-GH15 5021348
Инструкция по эксплуатации
-
Redverg RD-GH15T 5021351
Инструкция по эксплуатации
-
Redverg RD-GH17 6667346
Инструкция по эксплуатации
-
Redverg RD-GH18R 6659857
Инструкция по эксплуатации
-
Redverg RD-GH30 5021349
Инструкция по эксплуатации
-
Redverg RD-GH30R 6659858
Инструкция по эксплуатации
-
Redverg RD-GH30T 5021352
Инструкция по эксплуатации
-
Redverg RD-GH33 6667348
Инструкция по эксплуатации
-
Redverg RD-GH50 5021350
Инструкция по эксплуатации
-
Redverg RD-GH51 6667349
Инструкция по эксплуатации
-
Redverg RD-GH57R 6659859
Инструкция по эксплуатации
-
Redverg RD-DHD100T 6667358
Инструкция по эксплуатации
-
Redverg RD-DHD150T 6667359
Инструкция по эксплуатации