Protherm Медведь 30 PLO - инструкции и руководства

model-name

Котел Protherm Медведь 30 PLO - инструкции пользователя по применению, эксплуатации и установке на русском языке читайте онлайн в формате pdf

1 Page 1
2 Page 2
3 Page 3
4 Page 4
5 Page 5
6 Page 6
7 Page 7
8 Page 8
9 Page 9
10 Page 10
11 Page 11
12 Page 12
13 Page 13
14 Page 14
15 Page 15
16 Page 16
17 Page 17
18 Page 18
19 Page 19
20 Page 20
21 Page 21
22 Page 22
23 Page 23
24 Page 24
25 Page 25
26 Page 26
27 Page 27
28 Page 28
29 Page 29
30 Page 30
31 Page 31
32 Page 32
33 Page 33
34 Page 34
35 Page 35
36 Page 36
37 Page 37
38 Page 38
39 Page 39
40 Page 40
41 Page 41
42 Page 42
43 Page 43
44 Page 44
45 Page 45
46 Page 46
47 Page 47
48 Page 48
49 Page 49

Краткое содержание

Страница 2 - Сертификат

Инструкция по монтажу и обслуживанию чугунного котла PROTHERM 60(50,40,30,20) PLO ВЕРСИЯ « МЕДВЕДЬ » Сертификат соответствия № РОСС SK. МГ 01.B00634 PROTHERM, s.r.o. 909 01 Скалица , ул . пплк . Плюштя 45 тел .: (0801) 6966 101, 6966 102 факс : (0801) 6 64 4017 6098

Страница 3 - СОДЕРЖАНИЕ; LO

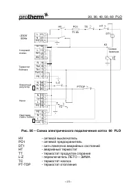
20, 30, 40, 50, 60 Р LO ~ 2~ СОДЕРЖАНИЕ Инструкция по обслуживанию Стр . Введение 1. Характеристика котла 5 2. Оснащение котла 8 3. Установка котла 12 4. Описание функций элементов управления 21 5. Обслуживание котла 25 6. Техническое обслуживание 29 7. Меры безопасности 30 8. Гарантийные и послегар...

Страница 5 - Уважаемый; PROTHERM PLO

20, 30, 40, 50, 60 Р LO ~ 4~ Уважаемый Покупатель , Вы стали владельцем чугунного котла PROTHERM PLO для работы на природном газе или пропане . Мы уверены , что при правильной эксплуатации , котёл будет Вас полностью удовлетворять . Поэтому внимательно изучите данную инструкцию и соблюдайте правила ...

Protherm Котлы Инструкции