Страница 2 - Во время движения
Особенностипроигрывателя Совместимость с дисками PAL DVD(Video CD) и NTSC DVD (Video CD). Данный проигрыватель можетвоспроизводить диски, записанные вформате PAL или NTSC. • В данном проигрывателе одна боль- шая интегральная схема (БИС) объеди-няет все основные электронные схемыпроигрывателя дисков ...
Страница 3 - Содержание
Меры безопасности . . . . . . . . . . . . . . . . . . . . . . . . . . . . . . . . . . . . . . . . . . . . .4 Информация по использованию дисков . . . . . . . . . . . . . . . . . . . . . . . . . . . . .5 Установка проигрывателя . . . . . . . . . . . . . . . . . . . . . . . . . . . . . . . . . . . . ....
Страница 4 - Меры безопасности
Осторожно: Данный автомобильный проигрывательDVD является лазерным устройствомкласса I. В данном проигрывателе ис-пользуется лазерный луч, который припрямом воздействии может быть опа-сен. При использовании проигрывателяDVD всегда следуйте инструкциям поего эксплуатации. Использование лю-бых элемент...
Страница 5 - Обращение с дисками и очистка; • Никогда не помещайте на диски; Очистка дисков; Информация по использованию дисков
Данный проигрыватель не можетвоспроизводить следующие диски: • DVD-ROM• DVD-R/DVD-RAM• CDV• CD-G Обращение с дисками и очистка • Грязные, пыльные, поцарапанные и покоробленные диски могут вызыватьсбои во время воспроизведения. • Никогда не помещайте на диски наклейки и не царапайте диски. • Никогда ...
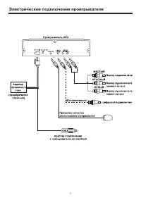
Страница 6 - Установка проигрывателя
Установка проигрывателя Примечания: 1. Прежде всего, выкрутите два транспортировочных винта, которые фиксируют меха- низм проигрывателя. Затем винтами М4х6 закрепите с двух сторон проигрывателякронштейны. Для закрепления проигрывателя на месте используйте винты М5х25. 2. Кронштейны, с помощью которы...
Страница 10 - Установка батареек
Пульт дистанционного управления Подготовка пульта дистанционного управления к работе Установка батареек 1.Откройте крышку отсека батареек.2.Установите в пульт две батарейки типа ААА,соблюдая полярность "+"и"-",которая маркирована на бата-рейках и внутри отсека батареек напульте диста...
Страница 11 - Основные функции управления
Остановка воспроизведения - Для остановки воспроизведения кратко- временно нажмите кнопку > (останов- ка). Нажатие кнопки 6 (воспроизведе- ние) позволит продолжить обычное вос-произведение диска. - Двукратное нажатие кнопки > (останов- ка) приведет к остановке воспроизведе-ния и возвращению пр...
Страница 12 - Повторное воспроизведение А-В
текущего диска, индикация прошедшеговремени воспроизведения исчезнет сэкрана. Когда выбран режим REPEATOFF (Повторное воспроизведение вы-ключено), индикация REP-ONE и REP-ALL исчезает с экрана монитора. 4. Функция повторного воспроизведения не может использоваться при воспро-изведении дисков VCD 2.0...
Страница 14 - (когда в опции меню SMART
Диск CD: (1) Нажмите кнопку DISPLAY первый раз. SINGLE ELAPSED: Прошедшее времявоспроизведения дорожки.TOTAL TRACK: Общее количестводорожек.TRACK: Номер текущей дорожки. (2) Нажмите кнопку DISPLAY второй раз. SINGLE REMAIN: Оставшееся времявоспроизведения дорожки.TOTAL TRACK: Общее количестводорожек...
Страница 16 - REPEAT
Повторное нажатие кнопки REPEAT поз- воляет выбрать любой из трех доступныхрежимов повторного воспроизведения. • REP-ONE: Повторное воспроизведение одной итой же песни. • FOLDER REPEAT: Повторное воспроизведение всех пе-сен в текущей директории (внутри ди-ректории песни каждый раз воспроиз-водятся в...
Страница 17 - Начальная настройка; В режиме остановки нажмите кнопку; Меню GENERAL SETUP; Настройка проигрывателя
Начальная настройка Меню настройки --- Главная страница 1. В режиме остановки нажмите кнопку SETUP. (Нажмите кнопку STOP дваж-ды, чтобы быть уверенным, что проиг-рыватель находится в режиме оста-новки.) 2. На экран будет выведено меню на- чальной настройки SETUP. 3. Для выбора нужной опции меню на- ...
Страница 19 - Меню SPEAKER SETUP; - Выберите STEREO для включения; Меню AUDIO SETUP
---Страница GENERAL--- Включение и выключение функцииSCR SAVER Данная функция используется длявключения (ON) и выключения (OFF)функции хранителя экрана (SCR SAVER). Меню SPEAKER SETUP ---Страница SPEAKER SETUP--- Данная функция используется для пере-ключения режима выходного аудиосиг-нала между DOLB...
Страница 20 - Меню PREFERENCE SETUP
---Страница AUDIO SETUP--- Настройка динамического диапазона(DYNAMIC) Выберите данную функцию для настрой-ки динамического диапазона программы,записанной с использованием кодирова-ния Dolby Digital. Может быть выбран лю-бой из 8-ми уровней настройки – от пол-ной компрессии до отключения ком-прессии....
Страница 22 - Таблица настроек по умолчанию
---Страница PREFERENCE SETUP--- Возвращение к настройкам поумолчанию (DEFAULTS) Выберите опцию RESET для восстанов-ления всех настроек проигрывателя поумолчанию. ---Страница PREFERENCE SETUP--- Настройка функции навигации (SMART NAV) Данная функция позволяет выбрать на-стройку NO MENU (без меню) или...
Страница 23 - Технические характеристики; Гарантии поставщика; Prology
Технические характеристики 23 Напряжение питания : 12 В постоянного тока (11 В 15 В)),проверочное на- пряжение 14,4 В, заземление минусовой клеммыаккумуляторной батареи. Потребляемый ток : Не более 2А Тип сигнала : Полный видеосигнал 1,0 В (размах),75 Ом Воспроизводимые диски : (1)Диски DVD Video 5 ...