Страница 2 - Содержание
2 Содержание Назначение устройства ............................................................................................. 3 комплект поставки ..................................................................................................... 3 Меры предосторожности ............................
Страница 3 - Не закрывайте вентиляционные отверстия на корпусе.
3 назначение уСтройСтва DSP/FM/USB/BT-ресивер PROLOGY CMD-320 со встроенным аудиопроцессором (далее - «устройство») монтажного размера 1DIN обеспечивает прием радио- станций в диапазонах FM/укв/AM, воспроизведение аудиофайлов, записанных на USB-накопители, передачу звука с внешних источников через л...
Страница 4 - внешний вид уСтройСтва и элементы управления; BAND
4 внешний вид уСтройСтва и элементы управления DISP OFF RST IR 1 2 3 4 5 6 9 6 7 8 1 2 3 4 5 10 11 12 13 14 15 16 17 18 19 20 21 1 кнопка выбора диапазона радиоприемника / активации голосового режима управления SIRI/GOOGLE/яНдекс (голосовое управление работает, если подключенный по Bluetooth смартфо...
Страница 5 - элементы управления на пульте ду; ST
5 16 кнопка выбора сохраненной радиостанции № 4 в текущем диапазоне; цифровая кнопка «4» / включения режима воспроизведения в произвольном порядке 4 / 17 кнопка выбора сохраненной радиостанции № 5 в текущем диапазоне; цифровая кнопка «5» / паузы и возобновления воспроизведения треков 5 / 1 8 кнопка ...
Страница 6 - иСпользование пульта ду; удаление изолирующей плёнки; общие операции; включение и выключение устройства; SRC
6 17 кнопка выбора сохраненной радиостанции № 3 в текущем диапазоне; цифровая кнопка «3» / переключения режимов повторного воспроизведения 3 / RPT 1 8 кнопка выбора сохраненной радиостанции № 6 в текущем диапазоне; цифровая кнопка «6» / перехода к следующей папке и на 10 треков вперед (при нажатии и...
Страница 8 - Кнопка сброса; режим радиоприемниКа; MODE; RADIO; выбор диапазона радиоприемника; автоматическая настройка на радиостанцию
8 Кнопка сброса кнопка сброса и перезагрузки устройства RST 19 (стр. 4) находится на передней панели и для ее нажатия следует воспользоваться скрепкой или другим тонким, но не острым предметом. после нажатия и удерживания дан- ной кнопки в течение 5 секунд устройство выключится. из памяти устройств...
Страница 9 - LOCAL; LOC; иСпользование USB-наКопителей
9 автоматическое сохранение радиостанций в памяти устройства Нажмите и удерживайте кнопку AMS / 9 2 0 (стр. 5) на пульте ду или кнопку 11 (стр. 4) на передней панели. 18 радиостанций с наиболее мощным сигналом будут автоматически найдены и занесены в память устройства, заменив ранее сохраненные ра...
Страница 10 - поддержка USB-накопителей; диться файлы, которые редактировались на пк или ноутбуке.; управление воСпроизведением аудиофайлов; переход к следующему/предыдущему файлу
10 при необходимости переключения устройства в режим чтения USB- накопителей нажимайте кнопку MODE / * 11 (стр. 5) на пульте ду или кнопку / SRC 2 (стр. 4) на передней панели. управление воспроизведе- нием файлов, находящихся на накопителе, подробно описано на стр. 10. для извлечения накопителя не...
Страница 11 - ALBUM
11 Сканирующее воспроизведение для последовательного воспроизведения первых 10 секунд каждого трека, записанного на карте памяти, нажмите кнопку 2 / INT 6 (стр. 5) на пульте ду или кнопку 6 / INT 1 8 (стр. 4) на передней панели. На дисплее появится сообщение INTRO ON . Нажмите данную кнопку еще ра...
Страница 12 - режим BLUeTooTh; BT AUDIo; Сопряжение мобильного телефона с устройством; PRoLoGY; принять; BT PAIReD; Разорвать соединение можно только с помощью телефона.
12 последовательно нажимая кнопку 4 (стр. 4) на передней панели, можно последовательно переключать режимы для вывода на дисплей необ- ходимой вам информации: — ALL INFO — на дисплей выводится вся информация ID3 TAG, как описано выше. — ELAPSED TIME — на дисплей выводится только номер трека и текуще...
Страница 13 - набор номера с устройства вручную; DIAL; набор номера с помощью голосового управления; SIRI; Голосовое управление работает, только если подключенный по Blue-; входящий вызов; CALLING; режим разговора; PhoNe; воспроизведение аудиофайлов
13 набор номера с устройства вручную Нажмите и удерживайте кнопку SEL 3 (стр. 5) на пульте ду или кнопку регулятора 10 (стр. 4) на передней панели. На дисплее появится индика- ция DIAL ---- с мигающим значением цифр. Нажимая цифровые кнопки 0 ... 9 (стр. 5) на пульте ду, наберите необходимый номе...
Страница 14 - Не все мобильные телефоны поддерживают данные профили.; режим AUX IN; AUX IN; кнопки; наСтройКи; на пульте ду; SEL
14 после соединения с устройством включите воспроизведение аудиофайла в телефоне. управлять воспроизведением аудиофайлов, хранящихся в мобильном телефоне, можно с помощью следующих кнопок на передней панели устройства и пульта ду: — 5 / на передней панели или 1 / на пульте ду — воспроизведение/пауза...
Страница 15 - регулировка уровня громкости сабвуфера.
15 — TOP40 — предустановленная настройка для музыки из радиопередач. — JAZZ — предустановленная настройка для джаз-музыки. — POWERFUL — предустановленная настройка для танцевальной музыки. примечание. — предустановленные настройки эквалайзера можно также переключать, последовательно нажимая кнопку 0...
Страница 16 - DTA SETTING
16 — SUBWooFeR LPF — фильтр низких частот (low pass) сабвуферов. для филь- тра доступны следующие настройки: SW LPF FRQ - частота среза; SW LPF SLOPE - крутизна среза; SW LPF PhASe - сдвиг фазы. — X’oVeR ReSeT — сброс текущих настроек кроссовера. в поканальном режиме ( 3WAY ) доступны следующие наст...
Страница 17 - DISPLAY (настройки цвета подсветки и просмотр версии); COLOR SELECT; VARIABLe SCAN; DIMMER
17 примечание. — описание настройки задержек см. на стр. 26. DISPLAY (настройки цвета подсветки и просмотр версии) COLOR SELECT опция установки цветов подсветки дисплея и кнопок. устройство позво- ляет настраивать для каждой из трёх зон подсветки свой цвет. — ZONE ALL — настройка единого цвета подсв...
Страница 18 - STEREO SET; OFF; RUSSIA; после смены региона при помощи данной настройки все сохраненные; ном режиме доступны функции RDS, описанные ниже. для отключения; OFF; установите данную настройку в положение; ON; ON; AF
18 VERSION просмотр текущей версии прошивки. TUNeR (настройки радио) LOCAL SEEK выбор дальнего или местного режима приема. в режиме местного приема (когда установлено значение ON ) чувствительность автопоиска немного снижена для наиболее точной настройки на радиостанции, уровень приема которых чрезм...
Страница 20 - сигналы работают только на силовых выходах.; программирование штатных КнопоК управления; используйте только высококачественный цифровой мультиметр.
20 SYSTeM (системные настройки) CLOCK Настройки времени и даты. — TIME SYNC — автоматическая подстройка времени по RDS. — CLOCK FORMAT — 12-часовой или 24-часовой режим отображения времени. — CLOCK ADJUST — установка текущего времени (часы и минуты). — DATE FORMAT — формат отображения даты на диспле...
Страница 21 - в режим программирования кнопок руля необходимо зайти в меню; и остановитесь на настройке; SWC; далее; SAVeD X KeYS
21 для корректной работы кнопок руля необходимо сначала подключить провода штатного пульта управления к проводу-переходнику 3,5 mini-jack (входит в комплект поставки). провод «масса» (WHEEL GND) штатного пульта управления должен быть подключен к черному проводу GND , а сигнальные провода WHEEL KEY A...
Страница 22 - иСпользование приложения PRoLoGY AUDIo; установка приложения
22 примечание. — всего доступно 9 функций для программирования. для отключения настроек запрограммированных кнопок войдите в меню SWC , и, выбрав опцию eNABLe (аКтивация) , установите значение No (нет) . иСпользование приложения PRoLoGY AUDIo установка приложения для установки приложения на ваш смар...
Страница 23 - уСтановКа уСтройСтва; водителю нормально управлять автомобилем.; процедура установки; первый вариант
23 уСтановКа уСтройСтва — для установки устройства выберите такое место, где оно не будет мешать водителю нормально управлять автомобилем. — перед окончательной установкой устройства временно подключите к нему все провода и убедитесь, что все соединения сделаны правильно и система работает нормально...
Страница 24 - техничеСКие хараКтериСтиКи; основные
24 2. закрепите кронштейны с обеих сторон устройства не менее чем в двух местах. для этого используйте либо крепежные винты (5 х 6 мм), либо винты с потайной головкой (4 х 6 мм), в зависимости от типа резьбовых отверстий на кронштейне. техничеСКие хараКтериСтиКи основные Напряжение питания ............
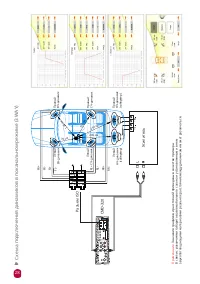
Страница 25 - Схема подКлючения; нию права на гарантийное обслуживание.
25 Схема подКлючения Разъём для подключения FM-антенны Разъем для подключения активного внешнего микрофона (не входит в комплект) Разъём ISO Предохранитель Правый канал аудиовыхода Красный Белый Аудиовыходзаднихканалов Левый канал аудиовыхода Правый канал аудиовыхода Красный Белый Левый канал аудиов...
Страница 26 - нием на рулевом колесе автомобиля.; варианты подКлючения аКуСтичеСКой СиСтемы; X’oVeR; Prology Audio; настройка задержек; DTA SeTTING; Сохранение настроек звука
26 — синий провод предназначен для управления выдвижным механизмом автомобильной радиоантенны или питанием активной антенны. — подключите к разъёму SWC провод mini-jack, входящий в комплект, для подклю- чения устройства к штатной электропроводке пульта управления воспроизведе- нием на рулевом колесе...
Страница 29 - повреждения корпуса или соединительных проводов и кабелей.; неисправность причина
29 эКСплуатация уСтройСтва, неиСправноСти и их уСтранение устройство предназначено для эксплуатации в автомобилях с напряже- нием бортовой сети 12 в. Не следует эксплуатировать устройство, имеющее повреждения корпуса или соединительных проводов и кабелей. ошибки, допущенные при установке и эксплуата...
Страница 31 - GND; любого вида в упакованном виде при температуре от -25 °с до +70 °с. Место; раСшифровКа даты выпуСКа уСтройСтва, уКазанной; ковке, а также на стикере, который клеится на корпус изделия.
31 неисправность причина устранение при заведенном двигателе ранее запрограммиро- ванные кнопки на руле перестают работать Не подключен провод WHEEL GND рулевого колеса к проводу GND (черный) устройства проверьте правильность подключе- ния провода GND хранение, транСпортирование, реСурС, утилизация ...