Страница 2 - Оглавление
2 Водонагреватель электрический накопительного типа POLARIS MERCURY IDF 30V, MERCURY IDF 50V, MERCURY IDF 80V, MERCURY IDF 100V Руководство по эксплуатации Благодарим Вас за выбор продукции, выпускаемой под торговой маркой “POLARIS”. Наши изделия разработаны в соответствии с высокими требованиями, п...
Страница 3 - СФЕРА ИСПОЛЬЗОВАНИЯ; в местах постоянного и временного проживания; Обратите внимание; ажные; УКАЗАНИЯ ПО БЕСОПАСНОСТИ ДАННОГО ПРИБОРА; сети соответствует требованиям,; ) Прибор должен быть надежно заземлен.
3 2. СФЕРА ИСПОЛЬЗОВАНИЯ Прибор предназначен для бытового применения в соответствии с данным руководством: в местах постоянного и временного проживания; в гостиницах и других местах, предназначенных для ночлега и завтрака. Производитель не несет ответственности за ущерб, возникший в результа...
Страница 6 - Водонагреватель электрический накопительного типа (с баком из
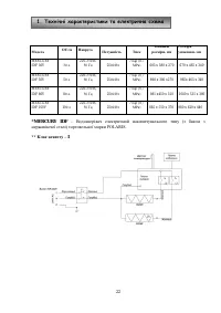
6 6. ТЕХНИЧЕСКИЕ ХАРАКТЕРИСТИКИ И ЭЛЕКТРИЧЕСКАЯ СХЕМА Модель Объем Напряжение/Частота Мощность Давление Размеры прибора (ВхШхГ), мм Размеры упаковки , мм MERCURY IDF 30V 30 л. 220-230 В, 50 Гц 2500 Вт 7 бар (0,7 МРа) 603 x 380 x 270 670 x 465 x 340 MERCURY IDF 50V 50 л. 220-230 В, 50 Гц 2500 Вт 7 ба...
Страница 7 - Способ крепления; Модель
7 а) Установку рекомендуется производить с помощью специалистов, имеющих необходимую квалификацию. б) Предохранительный клапан, входящий в комплект поставки, нельзя заглушать или заменять. в) Электрическое подсоединение должно выполняться в соответствии с правилами раздела «7.3. Электрическое подсое...
Страница 8 - осуществляется
8 4. При установке анкерных болтов должны быть задействованы все точки крепления, предусмотренные конструкцией водонагревателя. Не допускается подвеска прибора на два анкерных болта, если конструкцией предусмотрены четыре точки крепления. Внимание! Конструкция стены должна выдерживать двойную массу ...
Страница 9 - Внимание: если водонагреватель не будет
9 Если давление воды в магистрали превышает 4,5 бар (0,45 МРа), следует на линии подвода воды поставить редуктор давления. Настоящий водонагреватель является нагревателем замкнутого типа, поэтому к нему может быть подсоединено несколько потребителей воды. Схема подключения представлена ниже. Схема п...
Страница 11 - Водонагреватель начинает нагрев воды.; ТЕХНИЧЕСКОЕ ОБСЛУЖИВАНИЕ
11 1. Включите водонагреватель, нажав на кнопку питания ON/OFF. На дисплее отображается значение температуры воды в баке. При включении по умолчанию устанавливается мощность нагрева 1500 Вт, загорается индикатор 1500W. 2. С помощью кнопок ECO и MAX Вы можете изменить мощность нагрева (ECO – 1000 Вт,...
Страница 12 - комплектом, получаемым у изготовителя или его агента.
12 рекомендуется продуть трубопровод нагретой воды через открытый кран горячей воды на смесителе для освобождения трубопровода от водяных пробок. 2. Удаление накипи. При использовании для питания водонагревателя «жёсткой» воды с большим количеством растворённых в ней минеральных солей, внутренняя по...
Страница 16 - водонагревателя 7 лет от даты приобретения изделия, при условии
16 Изготовитель: Общество с ограниченной отвественностью "ТЕКСТОН КОРПОРЕЙШН" 160 Гринтри Драйв, Помещение 101, город Дувр, округ Кент, Штат Делавэр, 19904, Соединенные Штаты Америки на заводе ФОШАН ШУНДЕ АО РОНГ ЭЛЕКТРИК ИНДАСТРИ КО., ЛТД № 52, 3-я улица Мачжафанг Йонгл Роуд, Лингян Наньша,...
Страница 17 - Износа деталей c ограниченным сроком использования
17 3. Обязанности изготовителя по настоящей гарантии исполняются на территории России продавцами – уполномоченными дилерами изготовителя и официальными обслуживающими (сервис) центрами. Настоящая гарантия не распространяется на изделия, приобретенные у неуполномоченных изготовителем продавцов, котор...