Polaris MERCURY IDF 100V - инструкции и руководства

Водонагреватель Polaris MERCURY IDF 100V - инструкции пользователя по применению, эксплуатации и установке на русском языке читайте онлайн в формате pdf

1 Page 1
2 Page 2
3 Page 3
4 Page 4
5 Page 5
6 Page 6
7 Page 7
8 Page 8
9 Page 9
10 Page 10
11 Page 11
12 Page 12
13 Page 13
14 Page 14
15 Page 15
16 Page 16
17 Page 17
18 Page 18
19 Page 19
20 Page 20
21 Page 21
22 Page 22
23 Page 23
24 Page 24
25 Page 25
26 Page 26
27 Page 27
28 Page 28
29 Page 29
30 Page 30
31 Page 31
32 Page 32
33 Page 33
34 Page 34
35 Page 35
36 Page 36
37 Page 37
38 Page 38
39 Page 39
40 Page 40
41 Page 41
42 Page 42
43 Page 43
44 Page 44
45 Page 45
46 Page 46
47 Page 47
48 Page 48
49 Page 49
50 Page 50
51 Page 51

Краткое содержание

Страница 2 - Оглавление

2 Водонагреватель электрический накопительного типа POLARIS MERCURY IDF 30V, MERCURY IDF 50V, MERCURY IDF 80V, MERCURY IDF 100V Руководство по эксплуатации Благодарим Вас за выбор продукции, выпускаемой под торговой маркой “POLARIS”. Наши изделия разработаны в соответствии с высокими требованиями, п...

Страница 3 - СФЕРА ИСПОЛЬЗОВАНИЯ; в местах постоянного и временного проживания; Обратите внимание; ажные; УКАЗАНИЯ ПО БЕСОПАСНОСТИ ДАННОГО ПРИБОРА; сети соответствует требованиям,; ) Прибор должен быть надежно заземлен.

3 2. СФЕРА ИСПОЛЬЗОВАНИЯ  Прибор предназначен для бытового применения в соответствии с данным руководством:  в местах постоянного и временного проживания;  в гостиницах и других местах, предназначенных для ночлега и завтрака.  Производитель не несет ответственности за ущерб, возникший в результа...

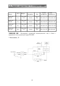
Страница 6 - Водонагреватель электрический накопительного типа (с баком из

6 6. ТЕХНИЧЕСКИЕ ХАРАКТЕРИСТИКИ И ЭЛЕКТРИЧЕСКАЯ СХЕМА Модель Объем Напряжение/Частота Мощность Давление Размеры прибора (ВхШхГ), мм Размеры упаковки , мм MERCURY IDF 30V 30 л. 220-230 В, 50 Гц 2500 Вт 7 бар (0,7 МРа) 603 x 380 x 270 670 x 465 x 340 MERCURY IDF 50V 50 л. 220-230 В, 50 Гц 2500 Вт 7 ба...

Polaris Водонагреватели Инструкции