Страница 6 - Содержание
6 Для правильной установки и правильной эксплуатации изделия вам предоставляется следующая информация . 1. Технические характеристики и электрическая схема ……..……7 2 Устройство и название деталей , комплектация ………….….…...9 3 Монтаж ……………………………………………………….……10 3.1 Способ крепления ……………………………………… 10 ...
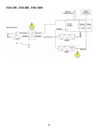
Страница 7 - Технические
7 220 В Желтый / зеленый Защита от перегрева Красный Голубой к Плата управления Красный Голубой И нд ик ат ор ная ла м по чка Н агр ева те ль ный эл ем ент Цифр . дисплей Температурный датчик *FDS (FD) – Водонагреватель электрический накопительного типа ( с баком из нержавеющей стали ) торговой марк...
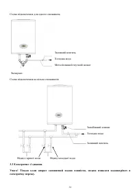
Страница 10 - Монтаж
10 Монтаж прибора производится покупателем за свой счет . Производитель не несет ответственности за неполадки , вызванные неправильной установкой и пренебрежительным отношением к рекомендациям данного руководства , а именно : а ) Установку рекомендуется производить с помощью специалистов , имеющих н...
Страница 14 - Использование
14 2. Использовать источники энергии с напряжением 220 вольт и 50 Гц . 3. Номинальные электрические параметры сетевой розетки должны быть не меньше электрических параметров нагревателя . 4. Сетевая розетка и штепсель должны быть сухими и предотвращать утечку электричества . 5. Подключение прибора пр...
Страница 15 - Вт
15 Управление водонагревателем осуществляется кнопками , расположенными на панели управления : Модель FD-20V. Модель FDS-50V, FDS-80V, FDS-100V. - Кнопка « Вкл .– Выкл .»/ « ON-OFF » ( расположена справа от дисплея ) используется для включения и выключения водонагревателя . - Кнопка « регулировки те...
Страница 16 - Режим
16 Цифровой дисплей ( двузначный ) используется для отображения регулировки температуры и ее реальных значений ( 00 – 99 ), а также для выдачи сигналов предупреждения ( Е 1- Е 3 ) для модели FD-20V и ( Е 2- Е 4 ) для модели FDS-50V, FDS-80V, FDS-100V. Режимы работы водонагревателя : • Режим ожидания...
Страница 18 - Обслуживание
18 « Е 2» ( для FDS-50V, FDS-80V, FDS-100V) или « Е 1» ( для FD-20V). При ее появлении необходимо отключить нагреватель от электропитания и после наполнения провести повторную проверку . • Неисправность датчика температуры : на экране дисплея появляется отметка « Е 3» ( для FDS-50V, FDS-80V, FDS-100...
Страница 20 - Моменты
20 1. При первом использовании водонагревателя , а также после полного удаления воды из бака и удаления осадка , следите за тем , чтобы прибор был заполнен водой полностью . Только после этого производите включение прибора в сеть . 2. При повреждении шнура электропитания , его замена должна производ...
Страница 22 - Внимание; УЗО
22 Внимание : При возникновении временных сбоев в работе дисплея и электрической схемы изделия отсоедините источник питания и после некоторого времени подсоедините его снова . Проверьте правильность работы изделия . При наличии неисправности , отсоедините источник питания и поставьте в известность р...
Страница 23 - TEXTON CORPORATION LLC; Информация о сертификации:; Срок
23 Внимание ! При возникновении таких неисправностей как : протечка бака водонагревателя , частое срабатывание защитного устройства и других неисправностей , требующих специального вида ремонта , отключите водонагреватель от источника питания , перекройте магистраль подвода холодной воды и известите...
Страница 24 - «Texton Corporation LLC»; Гарантийное
24 Настоящая гарантия предоставляется изготовителем в дополнение к правам потребителя , установленным действующим законодательством , и ни в коей мере не ограничивает их . Настоящая гарантия действует : • на бак водонагревателя 7 лет от даты приобретения изделия , при условии правильной эксплуатации...
Страница 25 - POLARIS
25 • Химического , механического или иного воздействия , попадания посторонних предметов во внутрь изделия ; • Неправильной эксплуатации , заключающейся в использовании изделия не по его прямому назначению , а также установки и эксплуатации изделия с нарушением правил и требований техники безопаснос...