Страница 3 - Обратите
3 Назначение и область применения Обратите внимание 1) Непосредственно перед включением заполните водонагреватель водой . Чтобы наполнить водонагреватель водой необходимо открыть общий вентиль водопроводной сети и вентиль использования горячей воды . Аппарат полностью заполнен водой , когда она на п...
Страница 5 - Содержание
5 Для правильной установки и правильной эксплуатации изделия вам предоставляется следующая информация . 1. Технические характеристики и электрическая схема …………7 2. Устройство и названия основных деталей , комплектация ……9 3. Монтаж ………………………………………………………….10 3.1 Способ крепления …………………………………………..11...
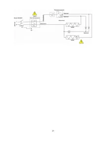
Страница 6 - Технические
6 Модель Объе м , л Напряжение , В Мощность Давление Внешние Размеры упаковки , мм Вт размеры прибора , мм FDM-10 V 10 л . 220 В , 50 Гц 1500 Вт 6 бар (0,6 МРа ) 404x322x202 455x375x260 FDMS-30 V 30 л . 220 В , 50 Гц 2500 Вт 6 бар (0,6 МРа ) 603 x 380 x 270 670 x 465 x 340 FDMS-50 V 50 л . 220 В , 5...
Страница 8 - Крепление; Монтаж
8 Монтаж прибора производится покупателем за свой счет . Производитель не несет ответственности за неполадки , вызванные неправильной установкой и пренебрежительным отношением к рекомендациям данного руководства , а именно : а ) Установку рекомендуется производить с помощью специалистов , имеющих не...
Страница 9 - Подсоединение
9 Размеры крепления кронштейна Внимание ! Конструкция стены должна выдерживать двойную массу водонагревателя , наполненного водой . 3.2 Подсоединение к системе водоснабжения : 1. Подсоединяемые к водонагревателю шланги и соединения должны выдерживать рабочее давление до 6 бар и температуру до +95 ° ...
Страница 11 - Использование
11 8. Внимание : Для модели FDM-10V рекомендуется после каждого использования отключать электрическое питание , вынимая вилку из розетки . Удостоверьтесь в том , что напряжение в сети соответствует значению , указанному на табличке с маркировкой ( шильдике ). Перед включением водонагревателя заполни...
Страница 15 - семь; Texton Corporation LLC -; Срок
15 УЗО ( Устройство защитного отключения ) - 100% предотвращение поражения электрическим током . - Следуйте инструкции по установке при подключении электрического накопительного водонагревателя . - При подключении к электрической сети питания на лицевой стороне УЗО загорится индикатор Power (1). - Д...
Страница 16 - «Texton Corporation LLC»; Гарантийное
16 Настоящая гарантия предоставляется изготовителем в дополнение к правам потребителя , установленным действующим законодательством , и ни в коей мере не ограничивает их . Настоящая гарантия действует : • на бак водонагревателя 7 лет от даты приобретения изделия , при условии правильной эксплуатации...