Страница 7 - Қазақша
Замена фильтра AquaClean Примечание . Замените фильтр AquaClean, когда его ресурс снизится до 0% и значок фильтра начнет быстро мигать . Производите замену фильтра AquaClean каждые 3 месяца , даже если на дисплее машины не мигает соответствующий индикатор . Совет . Когда ресурс фильтра опускается ни...
Страница 8 - Оглавление; Русский
Измерение жесткости воды Примечание . После установки фильтра AquaClean задавать вручную жесткость воды не требуется . Чтобы отрегулировать кофемашину в соответствии с параметрами воды , актуальными для вашего региона , необходимо с помощью входящих в комплект тестовых полосок проверить уровень жест...
Страница 9 - Введение; Первая установка
Кнопки перемещения Некоторые кнопки для приготовления напитков имеют двойное назначение . Нажимайте эти кнопки для перемещения по меню . EP4050 MEMO ESPRESSO Кнопка ESPRESSO = кнопка ESCAPE : нажмите эту кнопку , чтобы вернуться в главное меню . CLASSIC COFFEE MEMO Кнопка CLASSIC COFFEE = кнопка ВВЕ...
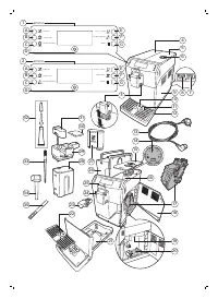
Страница 10 - Работа с панелью управления; Фильтр AquaClean; Активация фильтра AquaClean; Подготовка фильтра AquaClean к активации
Рычаг CoffeeSwitch Благодаря инновационной технологии CoffeeSwitch можно приготовить два вида кофе , изменяя давление путем переключения рычага . Давление можно увеличить , если надо приготовить эспрессо с идеальным вкусом , или уменьшить для получения изысканного кофе . Прежде чем готовить напитки ...
Страница 12 - Измерение жесткости воды; Приготовление кофейных напитков; Приготовление; Приготовление напитков
4 Чтобы прекратить подачу горячей воды , нажмите кнопку ОК . Приготовление кофейных напитков на молочной основе и молочной пены Примечание . Подробнее о порядке пользования сосудом для молока можно узнать , прочитав отдельное краткое руководство или просканировав QR- код для доступа к специальному в...
Страница 13 - Приготовление напитка из молотого кофе; Персонализация напитков; Настройка объема кофе и молока
1 Чтобы настроить объем эспрессо , нажмите и удерживайте кнопку ESPRESSO, пока на дисплее не появится значок MEMO. - Кофемашина входит в режим программирования и начинает приготовление выбранного напитка . 2 Как только чашка будет заполнена нужным количеством эспрессо , нажмите кнопку ОК . - Галочка...
Страница 14 - Регулировка параметров кофемолки; Настройка крепости кофе
1 2 4 Когда кофемолка начнет размалывать зерна , нажмите на переключатель регулировки помола и поверните его влево или вправо . - На выбор доступны 5 различных настроек помола . Чем ниже значение , тем крепче кофе . Очистка и уход Примечание . В таблице ниже приведена информация о способе и периодич...
Страница 15 - Эксплуатация варочной группы; Очистка и уход; Извлечение варочной группы из кофемашины; Установка варочной группы на место
Описание части Когда очищать Как очищать Контейнер для кофейной гущи Когда вам удобно Очистите контейнер для кофейной гущи и промойте его под струей воды . Перед опустошением и очисткой контейнера для кофейной гущи убедитесь , что кофемашина выключена . Резервуар для воды Когда вам удобно Промывайте...
Страница 16 - Таблица по уходу за прибором.; Описание
5 Тщательно промойте варочную группу в чуть теплой воде . Аккуратно очистите верхний фильтр . 6 Дайте варочной группе просохнуть на воздухе . Примечание . Не протирайте варочную группу тканью , в противном случае возможно ее засорение волокнами . Очистка варочной группы с использованием таблеток для...
Страница 17 - Смазывание варочной группы; Чистка LatteGo; Очистка варочной группы; Очистка варочной группы под струей воды; кофейных масел
- Убедитесь , что рычаг соприкасается с основанием варочной группы . 2 Убедитесь , что желтый фиксатор варочной группы находится в правильном положении . - Для правильной установки фиксатора поднимайте его до крайнего верхнего положения . - Если фиксатор по - прежнему находится внизу , то он располо...
Страница 18 - Функция LatteGo QUICK CLEAN (Быстрая очистка); Ежемесячная очистка LatteGo
3 Нанесите смазку тонким слоем на поверхность вала в нижней части варочной группы . 4 Обильно нанесите смазку на направляющие с каждой из сторон ( см . рисунок ). 5 Установите обратно варочную группу . Смазочную трубку можно использовать несколько раз . Очистка сосуда для молока Быстрая очистка сосу...
Страница 19 - Процесс очистки от накипи; Действия в случае прерывания процедуры очистки от накипи
1 2 5 3 4 1 Трубка для подачи молока 2 Резиновый кронштейн 3 Вспениватель молока 4 Разъем вспенивателя молока 5 Корпус носика для подачи молока Снятие носика для подачи молока 1 2 1 1 Нажмите кнопки отсоединения по обеим сторонам модуля для подачи молока (1) и снимите с него верхний контейнер для мо...
Страница 20 - Значки предупреждений и коды ошибок; Расшифровка значков предупреждений; Описание кодов ошибок
Примечание . Перед тем как установить носик для молочной пены на верхнюю часть сосуда , необходимо установить в нужное положение фиксатор , расположенный в верхней части . Если этот фиксатор расположен неправильно , вы не сможете установить носик для молочной пены на верхней части сосуда . Ежемесячн...
Страница 21 - Заказ аксессуаров
промывку , нажмите кнопку ESCAPE. Для продолжения цикла удаления накипи или цикла промывки нажмите кнопку ОК . Примечание . Не извлекайте варочную группу во время процедуры очистки от накипи . Предупреждение . Запрещено пить раствор для удаления накипи или воду , которая выходит из машины в процессе...
Страница 22 - Поиск и устранение неисправностей; Проблема
MA X CAL C CLEAN CALCCLEAN 1 2 4 Налейте раствор для удаления накипи в резервуар для воды . Наполните резервуар чистой водой до отметки CALC CLEAN. Установите резервуар для воды обратно в машину . Для подтверждения нажмите кнопку ОК . - Начнется первый этап процедуры очистки от накипи . Машина будет...
Страница 26 - Технические характеристики
Проблема Причина Способы решения Контейнер для кофейной гущи установлен на место слишком быстро . Устанавливать контейнер на место следует только после того , как на дисплее появится соответствующее сообщение . Я не могу извлечь варочную группу . Варочная группа расположена неправильно . Закройте эк...