Страница 4 - Указание мер безопасности
4 3 Указание мер безопасности 3.1 Предупреждающие знаки на компрессоре должны постоянно поддерживаться в читаемом состоянии. Знаки имеют следующее значение: Осторожно! Электрическое напряжение Осторожно! Высокая температура Осторожно! Находится под давлением Обслуживающий персонал должен прочитать п...
Страница 8 - Подготовка компрессора к работе
8 Таблица 3 Модель компрессора Масса сплава серебра Ag-CdO (90%-10%), г СБ4/Ф-100.LB75, СБ4/Ф-270.LB75, СБ4/Ф-270.LB75В, СБ4/Ф-500.LB75 1,014 СБ4/Ф-500.LB75ТБ 2,028 СБ4/Ф-500.LB75Т 6,138 СБ4/Ф-500.LB75Т с реле времени и автоматическим выключателем 5SQ, 5SX C20A производства SIEMENS Германия 5,538 5....
Страница 13 - Остановка; Для остановки компрессора необходимо:; Устройство и порядок работы
13 6.6.5 При необходимости настройте регулятор давления (при его наличии) в соответствии с 7.3.1. 6.7 Остановка ПРЕДУПРЕЖДЕНИЕ: НЕ ОТСОЕДИНЯЙТЕ ОТ ЭЛЕКТРИЧЕСКОЙ СЕТИ ВИЛКУ ПИТАЮЩЕГО КАБЕЛЯ ПРИ РАБОТАЮЩЕМ КОМПРЕССОРЕ! 6.7.1 Для остановки компрессора необходимо: 1 Выключить компрессор выключателем на ...
Страница 23 - 3 Очистка компрессора от пыли и загрязнений
23 8.2.12 Наружный осмотр компрессора Ежедневно, перед началом работы проверяйте питающий кабель, предохранительный клапан, манометр, прессостат на отсутствие повреждений, которые могут повлиять на исправность действия, проверяйте ресивер на отсутствие вмятин, трещин, проверяйте надежность крепления...
Страница 24 - Возможные неисправности и способы их устранения; Наименование; Нарушения в цепи питания
24 9 Возможные неисправности и способы их устранения Таблица 6 Наименование неисправности, её проявление и признаки Вероятная причина Способ устранения Снижение производительности компрессора Загрязнение воздушного фильтра Очистить или заменить фильтрующий элемент Нарушение плотности соединений или ...
Страница 25 - Гарантии изготовителя
25 10 Гарантии изготовителя 10.1 При покупке компрессора требуйте аккуратного и точного заполнения продавцом гарантийного талона, прилагаемого к настоящему руководству по эксплуатации. 10.2 Гарантийный срок эксплуатации 12 месяцев со дня продажи, с отметкой в руководстве по эксплуатации, но не более...
Страница 29 - Рисунок А.1 - Схема электрическая принципиальная компрессоров
29 Приложение А Схемы электрические Рисунок А.1 - Схема электрическая принципиальная компрессоров СБ4/С-100.LB75, СБ4/Ф-270.LB75, СБ4/Ф-270.LB75В, СБ4/Ф-500.LB75 Рисунок А.2 – Схема электрическая принципиальная компрессора СБ4/Ф-500.LB75ТБ М <P 3 50 Гц, 380В (400 В) ВР РЕ А,В,С-провода подключени...
Страница 30 - Рисунок А.3 - Схема электрическая принципиальная компрессора
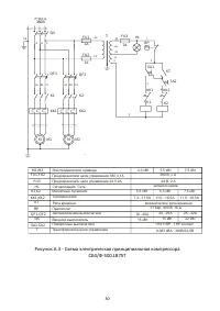
30 QS QF1 QF2 3~50Гц В 380 FU2 FU1 K1 K1 K2 K2 M M M1 M2 KK1 KK1 KK2 KK2 T 1A 1A A A1 A2 A3 B B1 B2 C 1 2 3 4 5 6 7 C1 C2 C3 ~2 4 V ~5 V FU3 2A 01 0 0 02 BР P> PE HL SA1 SA2 KT BP Прессостат FU1,FU2 FU3 HL K1,K2 KK1,KK2 KT M1,M2 QF1,QF2 QS SA1,SA2 T Предохранители цепи управления 380 V,1А Предохр...
Страница 31 - Журнал учета проведения обслуживания; Карта учета проведения обслуживания
31 Приложение Б Документы по обслуживанию Форма 1 (рекомендуемая) Журнал учета проведения обслуживания ___________________ (дата) 1. ____________________________________________________________________________ (№ по порядку, описание операций по обслуживанию) ________________________________________...
Страница 33 - Гарантийный талон; ремонт компрессорного оборудования; Уважаемый покупатель!
33 Гарантийный талон Данный гарантийный талон является обязательством на гарантийный ремонт компрессорного оборудования Гарантийный талон дает право на бесплатный ремонт и замену деталей, узлов, вышедших из строя по вине изготовителя, в период гарантийного срока. Уважаемый покупатель! Убедитесь, что...
Страница 34 - Для проведения гарантийного ремонта предъявите:; Свидетельство о приемке и упаковывании.; Гарантийные обязательства изготовителя прекращаются, в случае:; Нарушения; Гарантийные обязательства не распространяется:
34 Для проведения гарантийного ремонта предъявите: 1. Гарантийный талон. 2. Документы, подтверждающие покупку. 3. Свидетельство о приемке и упаковывании. При отсутствии одного из указанных документов Вам может быть отказано в гарантийном ремонте. Гарантийные обязательства изготовителя прекращаются, ...