Страница 4 - старых шлангов не допускается.
4 регламентирующих монтаж водопроводно-канализационных сетей, включая предохранительные устройства. По этой причине, к установке соединений в водопроводно-канализационной сети допускается только квалифицированный специалист. Если характеристики источника питания не соответствуют данным в паспортной ...
Страница 10 - ОБЩИЕ СВЕДЕНИЯ; МОДЕЛЬ КОФЕМАШИНЫ; ТЕХНИЧЕСКИЕ ДАННЫЕ
10 1. Кофемашина (пример) 2. Темпер (1 шт.) 3. Фильтр на одну порцию (1 шт.) 4. Фильтр на две порции (1 шт. на каждую группу) 5. Глухой фильтр (1 шт. на каждую группу) 6. Пружина (номер группы + 1) 7. Держатель фильтра (номер группы +1) 8. Носик для двух порций (1 на каждую группу) 9. Носик для одно...
Страница 14 - ИСПОЛЬЗОВАНИЕ ПО НАЗНАЧЕНИЮ
14 3.1. ИСПОЛЬЗОВАНИЕ ПО НАЗНАЧЕНИЮ Кофемашина разработана и изготовлена в соответствии с принятыми нормами, представленными в заявлении о соответствии. Кофемашина предназначена для профессионального применения с использованием кофе, воды и пара. В кофемашине имеется функция предварительного п...
Страница 15 - УСТАНОВКА; РАЗМЕЩЕНИЕ; Установите кофемашину по уровню, отрегулировав ножки.
15 4 УСТАНОВКА Для подъема кофемашины необходимо привлекать 2 или больше операторов. 4.1. РАЗМЕЩЕНИЕ Перед установкой кофемашины убедитесь, что место установки подходит под размер и вес кофемашины. Кофемашина должна размещаться на горизонтальной и ровной поверхности по высоте, минимум, 900 мм от п...
Страница 17 - ХАРАКТЕРИСТИКИ ИСТОЧНИКА ПИТАНИЯ
17 4.3. ЭЛЕКТРИЧЕСКОЕ СОЕДИНЕНИЕ Перед тем как подключить кофемашину к электрической сети, необходимо убедиться, что данные, указываемые в паспортной табличке кофемашины, соответствуют характеристикам источника питания ХАРАКТЕРИСТИКИ ИСТОЧНИКА ПИТАНИЯ A. 380В - 3-фазная цепь + нейтральный провод B. ...
Страница 18 - квалифицированный персонал.; РЕГУЛИРОВКА ЭКОНОМАЙЗЕРА ГОРЯЧЕЙ ВОДЫ; Работы выполняются на включенной кофемашине.; ЗАПОЛНЕНИЕ БОЙЛЕРА В АВТОМАТИЧЕСКОМ РЕЖИМЕ; минимум, три раза полностью поменять воду в бойлере.
18 5 РЕГУЛИРОВКА ОБОРУДОВАНИЯ КВАЛИФИЦИРОВАННЫМ ПЕРСОНАЛОМ К выполнению работ, описание которых приводится ниже, допускается только квалифицированный персонал. Производитель не несет ответственности за любой ущерб здоровью или оборудованию, причиненный в результате невыполнения вышеупомянутого требо...
Страница 19 - ПРЕССОСТАТ / РЕГУЛИРОВКА НАСОСА; Снимите верхнюю крышку.; ЗАМЕНА КНОПОЧНОЙ ПАНЕЛИ
19 5.3. ПРЕССОСТАТ / РЕГУЛИРОВКА НАСОСА Для регулировки рабочего давления и, следовательно, температуры воды в бойлере в соответствии с используемыми функциями и способом варки кофе предусматривается выполнение следующих действий: Снимите верхнюю крышку. Снимите защитный металлический кожух, отк...
Страница 20 - ЭКСПЛУАТАЦИЯ; ВКЛЮЧЕНИЕ И ВЫКЛЮЧЕНИЕ КОФЕМАШИНЫ
20 6 ЭКСПЛУАТАЦИЯ Перед пуском устройства оператор должен внимательно ознакомиться с мерами безопасности, которые приводятся в настоящем руководстве. 6.1. ВКЛЮЧЕНИЕ И ВЫКЛЮЧЕНИЕ КОФЕМАШИНЫ Нажмите "I" для включения кофемашины. Нажмите "0" для выключения кофемашины. ЗАПРЕЩАЕТСЯ само...
Страница 23 - ) и убедитесь, что индикатор клавиши горит. Сопло будет подавать пар; НАСТРОЙКА ДОЗИРОВКИ; Клавиши приготовления кофе начнут мигать.
23 6.6. ТРУБКА ПОДАЧИ ПАРА С ДАТЧИКОМ ТЕМПЕРАТУРЫ (ТОЛЬКО С ДОПОЛНИТЕЛЬНОЙ ФУНКЦИЕЙ EASYCREAM НА МОДЕЛИ V) В дополнительной комплектации, вместо сопла подачи горячей воды, кофемашина может иметь паровое сопло Easycream. В такой версии подача горячей воды регулируется в автоматическом режиме. Сопло о...
Страница 24 - НАСТРОЙКА ПОРЦИОННОСТИ КОФЕ; выполняется следующим образом:
24 7.2. НАСТРОЙКА ПОРЦИОННОСТИ КОФЕ Настройка количества воды применительно к каждой клавише приготовления кофе выполняется следующим образом: Засыпьте в держатель фильтра требуемое количество кофе. Вставьте держатель фильтра в раздаточную группу. Нажмите одну из клавиш приготовления кофе ( P5...
Страница 25 - НАСТРОЙКА ГОРЯЧЕЙ ВОДЫ; Нажмите селекторную клавишу горячей воды (; Клавиша; минуты
25 7.3. НАСТРОЙКА ГОРЯЧЕЙ ВОДЫ Выполните соответствующую процедуру для ввода функции настройки: Нажмите селекторную клавишу горячей воды ( P3 ). Начнется подача горячей воды. Задайте требуемое количество горячей воды, после чего снова нажмите клавишу ( P3 ). Для выхода из режима настройки ил...
Страница 26 - НАСТРОЙКА ПОДОГРЕВАТЕЛЯ ЧАШКИ (в дополнительной комплектации); Нажмите селекторную клавишу подогревателя чашки (; НАСТРОЙКА СТАНДАРТНЫХ ПОРЦИЙ; Для этого необходимо нажать клавишу (
26 7.4. НАСТРОЙКА ПОДОГРЕВАТЕЛЯ ЧАШКИ (в дополнительной комплектации) Войдите в режим настройки для первой группы, выполнив следующие действия: Нажмите селекторную клавишу подогревателя чашки ( P3 ). Кнопки приготовления кофе для первой и второй группы будут соответственно указывать на время авт...
Страница 28 - НАСТРОЙКА РАБОЧИХ ПАРАМЕТРОВ; ВКЛЮЧЕНИЕ НАСОСА ПРИ ЗАПОЛНЕНИИ ДО ЗАДАННОГО УРОВНЯ
28 К выполнению работ, описание которых приводится ниже, допускается только квалифицированный персонал. Производитель не несет ответственности за любой ущерб здоровью или оборудованию, причиненный в результате невыполнения вышеупомянутого требования. 7.8. НАСТРОЙКА РАБОЧИХ ПАРАМЕТРОВ Удерживая клави...
Страница 30 - ЦИКЛ АВТОМАТИЧЕСКОЙ ОЧИСТКИ ГРУППЫ
30 7.9. ЦИКЛ АВТОМАТИЧЕСКОЙ ОЧИСТКИ ГРУППЫ Нажмите клавишу подачи горячей воды ( P3 ), удерживая ее в течение 3 секунд, для доступа к функции автоматической очистки; клавиши непрерывной варки ( P7 ) для отдельных групп начнут мигать. Нажмите клавишу непрерывной варки ( P7 ) раздаточной группы для вы...
Страница 31 - ДОЗИРОВКА; Предоставляется доступ к следующим функциям:
31 8.1. ДОЗИРОВКА Предоставляется доступ к следующим функциям: Настройка порций Перенос порций Стандартные настройки Подогреватель чашки (в дополнительной комплектации) A . Вверх B . Вниз C . В главное меню D . Доступ / подтверждение
Страница 32 - Налив кофе в объеме требуемой порции, остановите раздачу.
32 8.1. НАСТРОЙКА ДОЗИРОВКИ На дисплее выберите группу, для которой будет задаваться дозировка. При выборе группы светодиоды всех клавиш этой группы ( P5, P6, P7, P8 и P9 ), клавиши горячей воды ( P3 ) и клавиши подогревателя чашки ( P4 ) начнут мигать. Нажмите клавишу для выполнения настройки (кр...
Страница 33 - ПЕРЕНОС ПОРЦИЙ; Выберите группу для переноса порций с помощью клавиш (
33 8.1.2. ПЕРЕНОС ПОРЦИЙ Выберите группу для переноса порций с помощью клавиш ( A ) и ( B ). Выбрав группу, нажмите клавишу OK ( D ) для подтверждения переноса порций. A. Вверх / выбор группы B. Вниз / выбор группы C. В главное меню D. Доступ / подтверждение
Страница 35 - ПОДОГРЕВАТЕЛЬ ЧАШКИ; Включение подогревателя чашки
35 8.1.4. ПОДОГРЕВАТЕЛЬ ЧАШКИ (ДОПОЛНИТЕЛЬНАЯ ФУНКЦИЯ) После получения доступа выберите режим подогрева чашки с помощью клавиш ( A ) и ( B ). 1. Включение подогревателя чашки; 2. Установка времени (в секундах), по истечении которого подогреватель чашки включается; 3. Установка времени (в секундах), ...
Страница 36 - ОЧИСТКА РАЗДАТОЧНЫХ ГРУПП
36 8.2. ОЧИСТКА РАЗДАТОЧНЫХ ГРУПП После получения доступа светодиоды клавиш непрерывной варки ( P7 ) в раздаточных группах начнут мигать. Нажмите клавишу непрерывной варки ( P7 ) раздаточной группы, задав цикл очистки этой группы. На дисплей выводится время прохождения цикла очистки, отображаемое в ...
Страница 37 - ДИСПЛЕЙ И КНОПКИ
37 8.3. ДИСПЛЕЙ И КНОПКИ Предоставляется доступ к следующим функциям: Единицы измерения Яркость кнопки Время выключения дисплея Время раздачи A. Вверх B. Вниз C. В главное меню D. Доступ / подтверждение
Страница 38 - ЕДИНИЦЫ ИЗМЕРЕНИЯ; ) для получения доступа к единицам измерения, выводимым на дисплей
38 8.3.1. ЕДИНИЦЫ ИЗМЕРЕНИЯ Нажмите OK ( D ) для получения доступа к единицам измерения, выводимым на дисплей клавишами ( A ) и ( B ): °C (шкала Цельсия) °F (шкала Фаренгейта) A. Вверх B. Вниз C. В главное меню D. Доступ / подтверждение
Страница 39 - ЯРКОСТЬ КЛАВИШ; Вверх
39 8.3.2. ЯРКОСТЬ КЛАВИШ Нажмите OK ( D ) для получения доступа к функции выбора яркости клавиш в диапазоне от 0 до 4 клавишами ( A ) и ( B ): A. Вверх B. Вниз C. В главное меню D. Доступ / подтверждение
Страница 40 - ВРЕМЯ ВЫХОДА ДИСПЛЕЯ ИЗ АКТИВНОГО РЕЖИМА
40 8.3.3 ВРЕМЯ ВЫХОДА ДИСПЛЕЯ ИЗ АКТИВНОГО РЕЖИМА Выберите время, требуемое для переключения дисплея в режим ожидания клавишами ( A ) и ( B ). A. Вверх B. Вниз C. В главное меню D. Доступ / подтверждение
Страница 41 - ВРЕМЯ РАЗДАЧИ; дисплей перед переключением в режим ожидания, клавишами (
41 8.3.4. ВРЕМЯ РАЗДАЧИ Выберите время (в секундах), в течение которого данные о времени раздачи выводятся на дисплей перед переключением в режим ожидания, клавишами ( A ) и ( B ). A. Вверх B. Вниз C. В главное меню D. Доступ / подтверждение
Страница 47 - ОЧИСТКА; Очистка наружных панелей
47 9 ОЧИСТКА Прежде чем приступать к очистке кофемашины, необходимо выключить оборудование, установив выключатель в положение "О". Промывка кофемашины струей воды под давлением или погружением в воду не допускается. Запрещается чистить оборудование растворителями, средствами с содержанием хл...
Страница 48 - Используйте вместо обычного фильтра глухой фильтр.; ОЧИСТКА ФИЛЬТРОВ; Обильно прополощите в проточной воде.; ВОССТАНОВЛЕНИЕ СМОЛЫ В УМЯГЧИТЕЛЕ
48 9.3. ОЧИСТКА С ПОМОЩЬЮ ГЛУХОГО ФИЛЬТРА Раздаточное устройство кофемашины очищается специальным моющим порошком. Запускайте цикл очистки, минимум, один раз в день с использованием специального моющего средства. Сняв держатель фильтра, включите несколько раз подачу воды для того, чтобы удалить оста...
Страница 49 - ТЕХНИЧЕСКОЕ ОБСЛУЖИВАНИЕ
49 Порядок выполнения работ по восстановлению смолы: 1. Выключите кофе машину и поставьте под трубку E емкость объемом, минимум, 5 литров. 2. Поверните рычаги C (вход) и D (выход) слева направо. 3. Снимите крышку, выкрутив ручку G . 4. Засыпьте 1 кг обычной кухонной соли. 5. Установите крышку обратн...
Страница 50 - СООБЩЕНИЯ О СОСТОЯНИИ КОФЕМАШИНЫ APPIA LIFE; Дисплей и индикаторы
50 11 СООБЩЕНИЯ О СОСТОЯНИИ КОФЕМАШИНЫ APPIA LIFE Дисплей и индикаторы клавиш Причина Результат Решение Клавиша непрерывной варки ( P7 ) мигает; клавиша приготовления кофе ( P5 ) горит Дозатор не посылает команды установки в течение первых трех секунд с момента приготовления Функция приготовления ко...
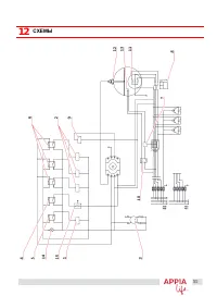
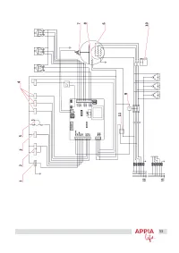
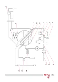
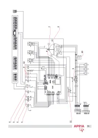
Страница 59 - МАТРИАЛ
59 12.5. СХЕМА БОЙЛЕРА, 2 ГРУППЫ № п/п Кол- во Номер детали Описание Материал 1 1 00017741 Бойлер, 2 группы Cu DHP 99.9 2 1 00017751 Коническая шестерня D.180 PR Cu DHP 99.9 3 1 00017762 Коническая шестерня D.180 PS Cu DHP 99.9 4 2 00162240 Патрубок теплообменника Cu DHP 99.9 5 4 00061462 T-образный...
Страница 61 - Модель и марка; : смотрите бирку на корпусе кофемашины; Чертеж No; Управляющий директор:
ЗАЯВЛЕНИЕ О СООТВЕТСТВИИ ОБОРУДОВАНИЯ ДЛЯ РАБОТЫ ПОД ДАВЛЕНИЕМ Компания Simonelli Group заявляет, что упомянутая кофемашина соответствует директивам, которые приводятся ниже, и отвечает основным требованиям, перечисленным в Приложении A: категория 1, форма A. Согласно условиям приведенных ниже дирек...