Страница 3 - Содержание; Примечание; приведенных; Примечания по эксплуатации
3 2 Содержание Примечания по эксплуатации Примечание : Изображения в данном руководстве приводятся только в ознакомительных целях. Устройство конкретно вашего продукта может отличаться от изображений , приведенных в руководстве . Этот символ означает, что данный прибор нельзя выбрасывать вместе с др...
Страница 4 - Меры безопасности
4 3 Меры безопасности • Данный прибор может быть использован лицами старше 8 лет, а также людьми с ограниченными физическими или сенсорными возможностями и людьми, не обладающими достаточным опытом и знаниями, если они используют данный прибор под присмотром более опытных пользователей, либо они был...
Страница 5 - Рабочая область; Correct
5 4 Рабочая область • Данный осушитель воздуха предназначен только для домашнего использования. Использование его в других целях (коммерческих, промышленных) запрещено. • Установите осушитель воздуха на ровную и гладкую поверхность. • Осушитель воздуха, установленный в комнате, не будет охватывать п...
Страница 6 - Название компонентов
6 5 Название компонентов Front side Передняя сторона Control panel Панель управления Front grille Передняя решетка Cover plate (continuous drainage) Защитная панель (непрерывный дренаж) Water bucket Резервуар для воды Rollers Колесики Back side Задняя сторона Air filter Воздушный фильтр Power plug С...
Страница 7 - Проверка перед использованием; Float
7 6 Проверка перед использованием Перед использованием прибора, пожалуйста, сначала проверьте, правильно ли установлен поплавок. Последовательность действий: 1. Возьмитесь за обе стороны резервуара для воды и потяните его в сторону, указанную на стрелке. 2. Проверьте, правильно ли установлен поплаво...
Страница 8 - Порядок эксплуатации; Примечания
8 7 Порядок эксплуатации 4 hour or 2 hour delay on/off indicator lights Отсрочка на 4 часа/2 часа включена/выключена 4HRS 4 часа 2HRS 2 часа High Mid and Low fan indicator lights Высокая, Средняя или Низкая скорость вентилятора Bucket full light indicates bucket needs to be emptied or it is not in t...
Страница 9 - Основные функции кнопок
9 8 Основные функции кнопок 1 Кнопка «Включен/Выключен» Эта кнопка используется для включения либо выключения прибора. 2 Кнопка «Фильтр» После того, как прибор проработает 250 часов, загорится индикатор «Необходима очистка фильтра». Вам необходимо снять фильтр и почистить его. Чтобы эта кнопка перес...
Страница 10 - Другие инструкции; Индикатор «Резервуар полон»; резервуар отсутствует или неправильно установлен.; Аварийный сигнал; или неправильно установлен.; Автоматическая разморозка; работать до удаления льда.; Сбой питания; сохранением последних настроек.
10 9 Другие инструкции 1 Индикатор «Резервуар полон» Данный индикатор загорается, когда резервуар необходимо опорожнить или когда резервуар отсутствует или неправильно установлен. 2 Аварийный сигнал Если резервуар полон или отсутствует более чем 3 минуты, прибор начнет подавать аварийный сигнал в те...
Страница 11 - Слив конденсата; Первый метод: Слив конденсата с использованием резервуара.; остановки. Это может вызвать протекание воды.
11 10 Слив конденсата Первый метод: Слив конденсата с использованием резервуара. Примечания : • Не вынимайте резервуар при работающем осушителе либо сразу после его остановки. Это может вызвать протекание воды. • Не используйте сливной шланг при наличии резервуара. После подключения сливного шланга ...
Страница 12 - Второй метод: Слив конденсата с использованием сливного шланга; Drainage joint; Drainage pipe
12 11 Второй метод: Слив конденсата с использованием сливного шланга 1 Сливной шланг не входит в комплект поставки, поэтому вам необходимо будет приобрести его самостоятельно. 2 Откройте сливную крышку и плотно установите сливной разъем на сливное отверстие так, как показано на стрелке. Drainage joi...
Страница 14 - Обслуживание и очистка; электрическим током.; Решетка и корпус; Используйте пылесобиратель или щетку.; Резервуар для воды; бактерий. Почистите резервуар мягкой щеткой, а затем ополосните.
14 13 Обслуживание и очистка Предупреждение: • Перед тем, как производить очистку, выключите осушитель и отключите его от электросети. Несоблюдение этого требования может привести к удару электрическим током. • Не мойте осушитель водой, иначе это может привести к удару электрическим током. • Не испо...
Страница 15 - Воздушный фильтр
15 14 Buckle plate Пластина фиксатора Hole of buckle plate Отверстие пластины фиксатора Handle Ручка Rotor shaft of handle Валик ручки Drain lid Сливная крышка Buckle Фиксатор 3. После очистки установите на место сливную крышку и ручки. Убедитесь, что поток воды в резервуаре идет в правильно направл...
Страница 17 - Устранение неполадок
17 16 Устранение неполадок • Не все нижеперечисленные неполадки являются дефектами прибора. Проблема Возможные причины Осушитель не включается. Невозможно задать параметры. • Прибор находится в помещении, где температура выше 35°C или ниже 5° C. • Резервуар заполнен. Во время работы появляется шум •...
Страница 18 - Осушитель воздуха не сушит воздух так, как надо
18 17 Осушитель не включается . Проблема Возможные причины Решение Индикатор подключения к сети не загорается, когда прибор подключается к сети. • Сбой питания или неправильное подключение сетевого шнура. • Проверьте, нет ли сбоя питания. Если есть, подождите, пока электроснабжение наладится. • Пров...
Страница 19 - Коды неполадок
19 18 Коды неполадок Коды неполадок прибора № Название неполадки Код дисплея Состояние прибора Возможные причины Окно дисплея • Датчик внешней температуры отошел или плохо присоединен к терминалу панели дисплея 1 Неполадки датчика внешней температу ры F1 • Некоторый элемент панели дисплея находится ...
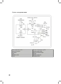
Страница 20 - Схема электропитания
20 19 Схема электропитания Tube temperature sensor Датчик температуры трубки Water level switch Датчик уровня воды Fan motor Двигатель вентилятора Tube Трубка Humidity sensor Датчик влажности Power Электричество
Страница 21 - Сертификация продукции; Соответствует требованиям
21 Сертификация продукции Соответствует требованиям ТР ТС 004/2011 «О безопасности низковольтного оборудования» ТР ТС 020/2011 «Электромагнитная совместимость технических средств» Орган по сертификации продукции «ИВАНОВО-СЕРТИФИКАТ» Общества с ограниченной ответствен- ностью «Ивановский Фонд Сертифи...
Страница 22 - ГАРАНТИЯ
ГАРАНТИЯ Настоящий документ не ограничивает определенные законом права потребителей, но дополняет и уточняет оговоренные законом обязательства, предполагающие соглашение сторон либо договор. Поздравляем вас с приобретением техники отличного качества! При покупке нового устройства внимательно ознаком...