Страница 2 - С О Д Е Р Ж А Н И Е
Информация по установке проигрывателя . . . . . . . . . . . . . . . . . . 3 Меры предосторожности . . . . . . . . . . . . . . . . . . . . . . . . . . . . . . . . . . 4 Подсоединения . . . . . . . . . . . . . . . . . . . . . . . . . . . . . . . . . . . . . . . . . . . 5 Кнопки управления проигрывател...
Страница 3 - И Н Ф О Р М А Ц И Я П О У С ТА Н О В К Е П Р О И Г Р Ы В АТ Е Л Я
• Для подачи питания на данный проигрыватель должен использо-ваться источник питания постоян-ного тока с напряжением 12 В и за-землением минусовой клеммы ак-кумуляторной батареи. • Убедитесь, что цветные прово- да подсоединены в соответствиисо схемой. Неправильное подсо-единение может привести к сбо...
Страница 4 - О б р а щ е н и е с д и с к а м и; М Е Р Ы П Р Е Д О С Т О Р О Ж Н О С Т И
Данный проигрывательвоспроизводит следующиедиски: • Ни в коем случае не разбирайте данный аппарат. Это может приве-сти к несчастному случаю или по-ражению электрическим током. • Не отвлекайте Ваше внимание на управление системой во времядвижения. Управление проигрыва-телем необходимо осуществлятьпос...
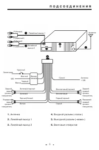
Страница 5 - П О Д С О Е Д И Н Е Н И Я; Антенна
5 П О Д С О Е Д И Н Е Н И Я 1. Антенна 2. Линейный выход 1 3. Линейный выход 2 4. Входной разъем («папа») 5. Выходной разъем («мама») 6. Винтовые отверстия Линейный выход 1 Л (белый) Л (белый) П (красный) П (красный) Антенна Красный Синий Антенна+12В Заднийправыйгромко-говоритель Переднийправыйгромк...
Страница 6 - К Н О П К И У П Р А В Л Е Н И Я П Р О И Г Р Ы В А Т Е Л Е М
6 К Н О П К И У П Р А В Л Е Н И Я П Р О И Г Р Ы В А Т Е Л Е М 1. Кнопка снятия передней панели 2. Кнопка включения/выключения проигрывателя 3. Ручка регулировки громкости/управления звуком 4. Кнопка включения тонкомпенсации/активациифункции МВР 5. Кнопка отключения звука 6. Кнопка переключения режим...
Страница 7 - О С Н О В Н Ы Е О П Е Р А Ц И И
И н и ц и а л и з а ц и я с и с т е м ы При первом включении проигрыва-теля или после замены автомобиль-ного аккумулятора обязательно на-жмите кнопку RESET (13). Кнопка активируется при помощишариковой ручки или любого друго-го предмета с заостренным концом. Примечание: Если на дисплее появился симв...
Страница 8 - В ы к л ю ч е н и е з в у к а
В к л ю ч е н и е т о н к о м п е н с а ц и и1. Для улучшения качества звуча- ния низких частот включите тон-компенсацию. Нажмите кнопку МВР/ LOUD (4) до появления на дисплее надписи "LOUD". Повтор-но нажмите эту кнопку для возвра-та в нормальный режим. 2. Нажмите и удерживайте кнопку МВР/ L...
Страница 10 - П е р е к л ю ч е н и е д и а п а з о н о в; Ручная настройка: Нажмите; У П Р А В Л Е Н И Е Р А Д И О П Р И Е М Н И К О М
П е р е к л ю ч е н и е д и а п а з о н о в В режиме работы радиоприемниканажмите кнопку BAND (10) для вы-бора желаемого волнового диапа-зона.Волновой диапазон изменяется вследующей последовательности: Р у ч н а я / а в т о м а т и ч е с к а ян а с т р о й к а 1. Ручная настройка: Нажмите кнопки или...
Страница 11 - Нажмите кнопку; кнопку; AMS
С к а н и р о в а н и е з а п о м н е н н ы хс т а н ц и й / а в т о м а т и ч е с к о ез а п о м и н а н и е с т а н ц и й Нажмите кнопку AMS (12) для включения сканирования (прослу-шивание первых 5 секунд) запо-мненных станций в текущем вол-новом диапазоне. Для выбора же-лаемой станции нажмите одн...
Страница 12 - У П Р А В Л Е Н И Е C D П Р О И Г Р Ы В А Т Е Л Е М
В о с п р о и з в е д е н и е C D д и с к о в Вставьте СD или МР3 диск (этикет-кой вверх) в отверстие для загруз-ке дисков (15), проигрывательвключится автоматически. Еслидиск уже в проигрывателе, нажми-те кнопку MODE (7) для начала воспроизведения. В ы б о р п о с л е д у ю щ е й( п р е д ы д у щ е...
Страница 14 - жмите кнопку
В р е м е н н а я п р и о с т а н о в к ав о с п р о и з в е д е н и я Во время воспроизведения на-жмите кнопку (14) для времен-ной приостановки воспроизведе-ния. На дисплее появится надпись"PAUSE". Нажмите эту кнопку ещераз для возврата в режим воспро-изведения. Примечание: Нажмите кнопку в...
Страница 15 - П У Л Ь Т Д У
15 П У Л Ь Т Д У 1 PWR (POWER) Кнопка включения/вы- ключения проигрывателя 2 Кнопка повторного воспроизведения 3 DSP (Display) Кнопка вывода на ди- сплей часов 4 SOURCE Кнопка выбора источника звука 5 BAND/MP3 Mode Кнопка переключе-ния диапазонов/включения режимаработы МР3 проигрывателя 6 VOLUME Кно...
Страница 16 - О П Е Р А Ц И И П Р И П О М О Щ И П У Л Ь Т А Д У
В к л ю ч е н и е / В ы к л ю ч е н и е Для включения проигрывателя на-жмите кнопку PWR (1) на пульте ДУ. Для более детальной информациисм. раздел "Включение/выключе-ние" на стр. 7. И н д и к а ц и я и у с т а н о в к а т е к у щ е г о в р е м е н и 1. Для индикации текущего време-ни нажмите...
Страница 22 - Т Е Х Н И Ч Е С К О Е О Б С Л У Ж И В А Н И Е
З а м е н а п р е д о х р а н и т е л я Не применяйте самодельныхпредохранителей, это может выве-сти приемник из строя.Перед заменой предохранителя незабывайте отключать питание отзамка зажигания.При замене предохранителя ис-пользуйте новый предохранитель,рассчитанный на тот же ток. Приповторном сго...
Страница 23 - ПОРЯДОК УСТАНОВКИ И ИЗВЛЕЧЕНИЯ ПРОИГРЫВАТЕЛЯ; К О М П Л Е К Т У Ю Щ И Е
23 ПОРЯДОК УСТАНОВКИ И ИЗВЛЕЧЕНИЯ ПРОИГРЫВАТЕЛЯ К О М П Л Е К Т У Ю Щ И Е Установочная рама Обрамление 2 ключа провод Скоба Установочный болт Резиновая втулка 4 винтаМ4х6М5х6 При необходи-мости отогните«язычки» длялучшего кре-пежа Для крепленияаппарата Ф р о н т а л ь н ы й м о н т а ж ( М е т о д 1...
Страница 24 - Ты л о в о й м о н т а ж ( М е т о д 2 ); П о р я д о к и з в л е ч е н и я
Ты л о в о й м о н т а ж ( М е т о д 2 ) Установка с помощью кронштейнов.1. Отсоедините винты защелок пообе стороны проигрывателя и сни-мите защелки.2. Выберите позицию, при которойвинтовые отверстия кронштейнов,входящих в комплект, и винтовыеотверстия приемника совпадут, изакрепите проигрыватель пр...
Страница 25 - Т Е Х Н И Ч Е С К И Е Х А Р А К Т Е Р И С Т И К И
Общие характеристики Напряжение питания . . . . . . . . . . . . . . . . . . . . . . 14,4 B (допустимо 11-16 В)Полное сопротивление нагрузки . . . . . . . . . . . . 4 ОмМаксимальная выходная мощность . . . . . . . . . 4 х 45 ВтГабаритные размеры . . . . . . . . . . . . . . . . . . . . . . 192 х 178 х...
Страница 27 - Убедитесь в том, что в; Г А Р А Н Т И Й Н Ы Е О Б Я З А Т Е Л Ь С Т В А
Гарантийный срок эксплуатации из-делия 12 месяцев со дня продажичерез розничную торговую сеть, ноне более 24 месяцев с момента из-готовления. В случае нарушения работоспособ-ности в течение гарантийного срокаэксплуатации владелец имеет пра-во на бесплатный ремонт изделияпо предъявлению гарантийного ...
Страница 28 - Штамп магазина; Г А Р А Н Т И Й Н Ы Й Т А Л О Н
28 Заполняет торговое предприятие CD/MP3 ПЛЕЕР С AM/FM РАДИОПРИЕМНИКОМ«MYSTERY MCD-577MP» Серийный № _______________________________________________________ Дата продажи ______________________________________________________ число, месяц прописью, год Продавец _______________________________________...