Maunfeld MFF187NFS10 - инструкции и руководства
Холодильник Maunfeld MFF187NFS10 - инструкции пользователя по применению, эксплуатации и установке на русском языке читайте онлайн в формате pdf
Инструкции:
Инструкция по эксплуатации Maunfeld MFF187NFS10
1
2
3
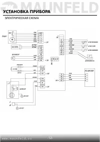
4
5
6
7
8
9
10
11
12
13
14
15
16
17
18
19
20
21
22
23
24
25
26
27
28
29
30
31
32
33
34
35
36
37
38
39
40
41
Maunfeld Холодильники Инструкции
-
Maunfeld MBF.177BFW
Инструкция по эксплуатации
-
Maunfeld MBF.177NFW
Инструкция по эксплуатации
-
Maunfeld MBF177NFWH
Инструкция по эксплуатации
-
Maunfeld MBF177SW
Инструкция по эксплуатации
-
Maunfeld MBWC-112S40
Инструкция по эксплуатации
-
Maunfeld MBWC-135D46
Инструкция по эксплуатации
-
Maunfeld MBWC-20S7
Инструкция по эксплуатации
-
Maunfeld MBWC-62S28
Инструкция по эксплуатации
-
Maunfeld MBWC-92D36
Инструкция по эксплуатации
-
Maunfeld MBWC-92DM36
Инструкция по эксплуатации
-
Maunfeld MBWC-92S36
Инструкция по эксплуатации
-
Maunfeld MFF176M11
Инструкция по эксплуатации
-
Maunfeld MFF176S11
Инструкция по эксплуатации
-
Maunfeld MFF176W11
Инструкция по эксплуатации
-
Maunfeld MFF181NFB
Инструкция по эксплуатации
-
Maunfeld MFF181NFSB
Инструкция по эксплуатации
-
Maunfeld MFF181NFW
Инструкция по эксплуатации
-
Maunfeld MFF187NFIBG10
Инструкция по эксплуатации
-
Maunfeld MFF195NFIBG10
Инструкция по эксплуатации
-
Maunfeld MFF195NFIS10
Инструкция по эксплуатации