Massa-K RL_R5_2016 - инструкции и руководства
Весы Massa-K RL_R5_2016 - инструкции пользователя по применению, эксплуатации и установке на русском языке читайте онлайн в формате pdf
Инструкции:
Инструкция по эксплуатации Massa-K RL_R5_2016
1
2
3
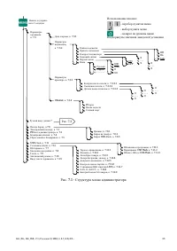
4
5
6
7
8
9
10
11
12
13
14
15
16
17
18
19
20
21
22
23
24
25
26
27
28
29
30
31
32
33
34
35
36
37
38
39
40
41
42
43
44
Massa-K Весы Инструкции
-
Massa-K 4D-P
Инструкция по эксплуатации
-
Massa-K 4D-PM
Инструкция по эксплуатации
-
Massa-K MK_A
Инструкция по эксплуатации
-
Massa-K MK_AV11
Инструкция по эксплуатации
-
Massa-K MK_C
Инструкция по эксплуатации
-
Massa-K RC
Инструкция по эксплуатации
-
Massa-K RP-I-R2P
Инструкция по эксплуатации
-
Massa-K SI-4D_10.1_2012
Инструкция по эксплуатации
-
Massa-K TB_A_R4.2_2016
Инструкция по эксплуатации
-
Massa-K VPM_PASPORT_R7.2_2014
Инструкция по эксплуатации
-
Massa-K VPM_KR_RUK_R4_2011
Инструкция по эксплуатации
-
Massa-K VK
Инструкция по эксплуатации
-
Massa-K VEM-150.2_
Инструкция по эксплуатации
-
Massa-K VE-15T
Инструкция по эксплуатации
-
Massa-K V1-15.3-SASHA
Инструкция по эксплуатации
-
Massa-K TB_T_R3.2_2016
Инструкция по эксплуатации
-
Massa-K ST4D
Инструкция по эксплуатации
-
Massa-K RM4D-P_R4_2014
Инструкция по эксплуатации
-
Massa-K RL-I-R2L
Инструкция по эксплуатации
-
Massa-K RA
Инструкция по эксплуатации