46 РУССКИЙ РУССКИЙ (Оригинальные инструкции) ТЕХНИЧЕСКИЕ ХАРАКТЕРИСТИКИ Модель: TM30D Колебаний в минуту 6 000 - 20 000 мин -1 Угол отклонения, влево/вправо 1,6° (всего 3,2°) Номинальное напряжение 10,8 В пост. тока Блок аккумулятора BL1015, BL1020B BL1040B Общая длина 277 мм 296 мм Масса нетто без ...
Страница 47 - МЕРЫ БЕЗОПАСНОСТИ; Сохраните брошюру с инструк
47 РУССКИЙ Декларация о соответствии ЕС Только для европейских стран Makita заявляет, что следующее устройство (устройства): Обозначение устройства: Аккумуляторный универ - сальный резак Модель / тип: TM30D Соответствует(-ют) следующим директивам ЕС: 2006/42/EC Изготовлены в соответствии со следующи...
Страница 48 - СОХРАНИТЕ ДАННЫЕ; Важные правила техники
48 РУССКИЙ 18. Перед использованием убедитесь в отсут - ствии трещин или разломов в платформе. Трещины или разломы могут привести к травме. 19. Не используйте принадлежности других производителей, не рекомендованные про - изводителем данного инструмента. Даже если принадлежность удастся закрепить на...
Страница 49 - ОПИСАНИЕ РАБОТЫ; Установка или снятие блока
49 РУССКИЙ В процессе подготовки устройства к отправке обя - зательно проконсультируйтесь со специалистом по опасным материалам. Также соблюдайте мест - ные требования и нормы. Они могут быть строже. Закройте или закрепите разомкнутые контакты и упакуйте аккумулятор так, чтобы он не пере - мещался п...
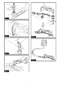
Страница 50 - Защита от перегрузки; СБОРКА
50 РУССКИЙ Индикаторы Уровень заряда Горит Выкл. от 75 до 100% от 50 до 75% от 25 до 50% от 0 до 25% ПРИМЕЧАНИЕ: В зависимости от условий экс - плуатации и температуры окружающего воздуха индикация может незначительно отличаться от фактического значения. Действие выключателя ВНИМАНИЕ: Перед установк...
51 РУССКИЙ Хранение шестигранного ключа ► Рис.10: 1. Шестигранный ключ Когда шестигранный ключ не используется, храните его, как показано на рисунке, чтобы не потерять. ЭКСПЛУАТАЦИЯ ОСТОРОЖНО: Перед запуском инстру - мента и во время эксплуатации лицо и руки оператора должны находиться на достаточно...