LIFAN 10500E-3U 00-00153847 - инструкции и руководства
Генератор LIFAN 10500E-3U 00-00153847 - инструкции пользователя по применению, эксплуатации и установке на русском языке читайте онлайн в формате pdf
Инструкции:
Инструкция по эксплуатации LIFAN 10500E-3U 00-00153847
1
2
3
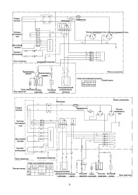
4
5
6
7
8
9
10
11
12
13
14
15
16
17
18
19
20
21
22
LIFAN Генераторы Инструкции
-
LIFAN 5GF-5A
Инструкция по эксплуатации
-
LIFAN 10500E-3U
Инструкция по эксплуатации
-
LIFAN 15000E
Инструкция по эксплуатации
-
LIFAN 2.8GF-4
Инструкция по эксплуатации
-
LIFAN 220В, 5/5,5 кВт, 13 л.с.6500 5GF-3
Инструкция по эксплуатации
-
LIFAN 2500 220В, 2/2,2 кВт, 6,5 л.с. 2GF-3
Инструкция по эксплуатации
-
LIFAN 2500Е 220В, 2/2,2 кВт, 6,5 л.с. 2GF-4
Инструкция по эксплуатации
-
LIFAN 3000 220В, 2,8/3 кВт, 7 л.с. 2.8GF-6
Инструкция по эксплуатации
-
LIFAN 4GF-3
Инструкция по эксплуатации
-
LIFAN 4GF-4
Инструкция по эксплуатации
-
LIFAN 6500E 220В, 5/5,5 кВт, 13 л.с. 5GF-4
Инструкция по эксплуатации
-
LIFAN 7000E3 (6GF2-4) 220/380В, 6/6,5 кВт, 15 л.с. 00-00000119
Инструкция по эксплуатации
-
LIFAN AXQ1-200A
Инструкция по эксплуатации
-
LIFAN LF12000E3 10GF2-4, 220/380В, 10/11 кВт, 24 л.с. 00-00000222
Инструкция по эксплуатации
-
LIFAN 1.3 GF-1 00-00000041
Инструкция по эксплуатации
-
LIFAN 10 GF-5A 00-00002936
Инструкция по эксплуатации
-
LIFAN 2.5 GF-3 00-00000042
Инструкция по эксплуатации
-
LIFAN 2.5 GF-4 00-00000043
Инструкция по эксплуатации
-
LIFAN 3 GF-3 00-00000046
Инструкция по эксплуатации
-
LIFAN 3 GF-4 00-00000493
Инструкция по эксплуатации