Страница 2 - Содержание
2 Важная информация о безопасности 4 Установка 7 Описание оборудования 14 Эксплуатация посудомоечной машины 15 Техническое обслуживание, чистка и уход 29 Что делать в случае неисправности? 34 Технические характеристики 38 Правила утилизации 39 Содержание
Страница 3 - Уважаемый покупатель!
3 Уважаемый покупатель! Благодарим Вас за приобретение продукции LEX. Мы надеемся, что данный прибор оправдает Ваши ожидания и станет прекрасным помощником на Вашей кухне. Для правильной и безопасной эксплуатации прибора, пожалуйста, ознакомьтесь со всеми пунктами данной инструкции. Просим Вас сохра...
Страница 5 - поменяйте розетку с помощью квалифицированного электрика.
5 • Условия подключения к электросети дoлжны cooтвeтcтвoвaть дaнным на типoвoй тaбличкe пocyдoмoeчнoй мaшины. • Ecли ceтeвoй шнyp данного прибора бyдeт пoвpeждeн, тo oн дoлжeн быть зaмeнeн нa cпeциaльный ceтeвoй шнyp. • Bo избeжaниe опасных ситуаций, данный шнyp следует приобретать только через cepв...
Страница 6 - Предупреждение! Опасность травмирования!; контейнере для
6 Предупреждение! Опасность травмирования! • Ножи и прочие принадлежности с острыми концами должны быть размещены в корзине для столовых приборов острыми концами вниз или на полке для ножей или в выдвижном контейнере для столовых приборов в горизонтальном положении. • Не садитесь и не становитесь на...
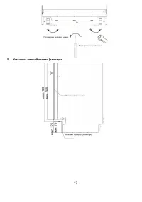
Страница 7 - Задняя
7 УСТАНОВКА Внимание! Прокладка труб подачи воды и установка электрических устройств должны осуществляться специалистами. 1. Перед установкой Требование к месту установки посудомоечной машины. • Задняя часть посудомоечной машины должна быть обращена к стене. В посудомоечной машине имеется входной и ...
Страница 9 - поворачивая его по часовой стрелке или против часовой стрелки.
9 4. Крепление декоративной панели 5. Регулировка натяжения пружинной дверцы После размещения панели на посудомоечной машине попробуйте открыть и закрыть дверцу, чтобы проверить балансировку и убедиться в том, что дверца сохраняет свое положение. Если необходимо, выполните регулировку дверцы с помощ...
Страница 10 - Подсоединение шланга подачи воды (холодная вода); для подачи воды и выходу прибора из строя.; Подключение к электросети; Проверьте соответствие розетки вилке питания прибора.
10 6. Подсоединение шланга подачи воды (холодная вода) Подсоедините шланг подачи холодной воды к резьбовому (на 3/4 дюйма) соединителю и убедитесь в том, что он плотно зафиксирован на месте. Если подсоединение производится с помощью новых или не использовавшихся длительное время водяных шлангов, то ...
Страница 11 - Подсоединение выпускного шланга для воды; шланга должен располагаться на высоте не более 1000 мм.; Регулировка уровня
11 7. Подсоединение выпускного шланга для воды Вставьте выпускной шланг в сливной шланг, диаметр которого составляет не менее 40 мм, или опустите в раковину. Оба шланга должны быть проложены ровно, конец выпускного шланга должен располагаться на высоте не более 1000 мм. Примечание: соединитель выпус...
Страница 13 - Примечание; обеспечения плавного открывания и закрывания дверцы.; Крепление посудомоечной машины; саморезы для крепления фасада.
13 Примечание : Высота нижней панели (плинтуса) подбирается с учетом эстетичности и обеспечения плавного открывания и закрывания дверцы. 10. Крепление посудомоечной машины 1. Крепление установленной в кухонном модуле посудомоечной машины осуществляется с помощью винтов. 2. Вставьте в четыре отверсти...
Страница 14 - IN
14 ОПИСАНИЕ ОБОРУДОВАНИЯ Панель управления 1. Переключатель питания: для включения/ выключения питания. 2. Дополнительная функциональная кнопка: нажимая данную кнопку можно выбрать дополнительную функцию "3 IN 1" [3 В 1] или dry+ [Дополнительная сушка], и мигает соответствующий огонек. 3. Кн...
Страница 15 - ро
15 Характеристики посудомоечной машины ЭКСПЛУАТАЦИЯ Вид спереди 1 Верхняя корзина 2 Разбрызгиватель 3 Нижняя корзина 4 Смягчитель воды 5 Фильтры 6 Дозатор моющего средства 7 Дозатор ополаскивателя 8 Лоток для ножей Перед использованием посудомоечной машины в первый раз: А. Установите смягчитель воды...
Страница 17 - ПРИМЕЧАНИЕ; то можно запустить программу замачивания, чтобы их; С. Заполнение дозатора ополаскивателем
17 A . Удалите нижнюю корзину, а затем открутите и удалите колпачок с контейнера для соли. B . Если Вы заполоняете контейнер впервые, то следует его заполнить водой на 2/3 (около 500 мл). С. Поместите конец воронки (входит в комплект поставки) в отверстие и засыпьте приблизительно 1,2 кг соли. Небол...
Страница 20 - MIN
20 Количество используемого моющего средства ПРИМЕЧАНИЕ: 1). Если крышка закрыта: нажмите кнопку открытия. Крышка откроется. 2). Всегда добавляйте моющее средство непосредственно перед началом каждого цикла мойки. Используйте моющее средство только известных марок, специально предназначенное для пос...
Страница 23 - Регулировка положения верхней корзины; Глубокие чаши
23 сильно загрязнены). Разместите столовую и кухонную посуду так, чтобы ее не сдвинула струя воды. Регулировка положения верхней корзины Загрузка нижней корзины Рекомендуется загружать крупные предметы, которые труднее всего отмыть, в нижнюю корзину: кастрюли, сковороды, крышки, столовые тарелки и м...
Страница 24 - Корзина для столовых приборов и полка для вилок; Нижняя корзина
24 * Складывающиеся стойки верхней и нижней корзины Складывающиеся стойки, состоящие из двух частей, которые расположены на верхней и нижней корзинах вашей посудомоечной машины, предназначены для того, чтобы упростить размещение больших приборов, например, супниц, сковородок и т.д. Если требуется, т...
Страница 27 - *EN 50242: эта программа является тестовым циклом; Функция половинной загрузки.
27 Запуск программы мойки Таблица циклов мойки *EN 50242: эта программа является тестовым циклом Информация по тесту на совместимость в соответствии со стандартом EN50242 следующая: - Мощность: 12 настроек - Положение верхней корзины: нижнее положение - Настройка для ополаскивателя: 6 (или 4 для чет...
Страница 33 - LED 3; Eco
33 Советы по устранению неполадок Коды ошибок Когда возникает неисправность, то на дисплее прибора появляются коды ошибок. Начинают мигать индикаторы LED , приведённые на рисунке ниже. В таблице под рисунком указаны сочетания мигающих LED индикаторов, сигнализирующих о той или иной неисправности, а ...
Страница 34 - Что делать в случае неисправности?
34 Одновременно мигают индикаторы LED 1 и LED 12 Разлив воды Произошел разлив воды Одновременно мигают индикаторы LED 2 и LED 3 Нагревательный элемент Некорректное нагревание Одновременно мигают индикаторы LED 2 и LED 20 Система отвода воды Неисправность системы отвода воды ВНИМАНИЕ! Если возникает ...
Страница 36 - Для удаления пятен со стеклянной посуды:
36 неправильно. Из - за этого могут быть заблокированы распылители моечного рукава. Пятна и пленка на стаканах и приборах • Очень жесткая вода • Низкая поступающая температура • Посудомоечная машина перегружена • Неправильная загрузка • Старое или намокшее порошковое моющее средство • Дозатор ополас...
Страница 39 - Правила утилизации; Согласно ст. 26 законодательного декрета от 14 марта
39 Правила утилизации Утилизируйте упаковку с соблюдением правил экологической безопасности. Согласно ст. 26 законодательного декрета от 14 марта 2014 года № 49 "Исполнение директивы 2012/19/ЕС об утилизации отходов электронного и электрического оборудования (RAEE)” Знак перечеркнутого мусорного...