Kuppersberg F 917 BL - инструкции и руководства
Вытяжка Kuppersberg F 917 BL - инструкции пользователя по применению, эксплуатации и установке на русском языке читайте онлайн в формате pdf
Инструкции:
Инструкция по эксплуатации Kuppersberg F 917 BL
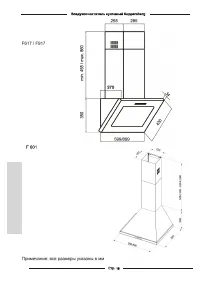
1
2
3
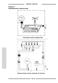
4
5
6
7
8
9
10
11
12
13
14
15
16
17
18
19
20
21
22
23
24
25
26
Kuppersberg Вытяжки Инструкции
-
Kuppersberg 60 X
Инструкция по эксплуатации
-
Kuppersberg BONA 60 BB
Инструкция по эксплуатации
-
Kuppersberg Built-in hood INLINEA 72 B
Инструкция по эксплуатации
-
Kuppersberg DRM 600
Инструкция по эксплуатации
-
Kuppersberg DRS 600
Инструкция по эксплуатации
-
Kuppersberg DRS 900
Инструкция по эксплуатации
-
Kuppersberg DUDL 4 LX
Инструкция по эксплуатации
-
Kuppersberg DUDL 8
Инструкция по эксплуатации
-
Kuppersberg DUDL 8 BX
Инструкция по эксплуатации
-
Kuppersberg DUDL 8 GB
Инструкция по эксплуатации
-
Kuppersberg DUDL 8 GW
Инструкция по эксплуатации
-
Kuppersberg Dudl8 X
Инструкция по эксплуатации
-
Kuppersberg F 600
Инструкция по эксплуатации
-
Kuppersberg F 600 B
Инструкция по эксплуатации
-
Kuppersberg F 600 BX
Инструкция по эксплуатации
-
Kuppersberg F 600 C
Инструкция по эксплуатации
-
Kuppersberg F 600 W
Инструкция по эксплуатации
-
Kuppersberg F 601 BL
Инструкция по эксплуатации
-
Kuppersberg F 601 WH
Инструкция по эксплуатации
-
Kuppersberg F 612 W
Инструкция по эксплуатации