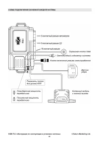
Страница 2 - » © Saturn Marketing Ltd.; II
KGB FX-3 « Инструкция по эксплуатации и установке системы » © Saturn Marketing Ltd. 2 СОДЕРЖАНИЕ : ФУНКЦИИ СИСТЕМЫ 4 КОМПЛЕКТ ПОСТАВКИ СИСТЕМЫ 5 ПРАВИЛА БЕЗОПАСНОГО ИСПОЛЬЗОВАНИЯ АВТОСИГНАЛИЗАЦИИ 6 ТЕХНИЧЕСКИЕ ХАРАКТЕРИСТИКИ 7 ФУНКЦИИ БРЕЛОКОВ - ПЕРЕДАТЧИКОВ СИСТЕМЫ Брелоки управления 8 Назначение к...
Страница 3 - Valet
KGB FX-3 « Инструкция по эксплуатации и установке системы » © Saturn Marketing Ltd. 3 СОДЕРЖАНИЕ : СЕРВИСНЫЕ ФУНКЦИИ Дистанционное отключение и включение датчика удара 21 Управление центральным замком с брелока при включенном зажигании 21 Автоматическое управление центральным замком от ключа зажиган...
Страница 4 - только
KGB FX-3 « Инструкция по эксплуатации и установке системы » © Saturn Marketing Ltd. 4 ФУНКЦИИ СИСТЕМЫ Поздравляем Вас с приобретением охранной системы класса KGB! Данная система разработана с рас - четом на использование в течение многих лет , не нуждаясь в ремонте или замене . В то же время , по - ...
Страница 7 - толстом
KGB FX-3 « Инструкция по эксплуатации и установке системы » © Saturn Marketing Ltd. 7 ТЕХНИЧЕСКИЕ ХАРАКТЕРИСТИКИ Основные характеристики : Несущая частота радиосигнала радиоуправления 433,92 МГц Максимальная дальность в режиме управления * До 600 м Максимальная дальность в режиме оповещения * До 120...
Страница 8 - обратная
KGB FX-3 « Инструкция по эксплуатации и установке системы » © Saturn Marketing Ltd. 8 ФУНКЦИИ БРЕЛОКОВ - ПЕРЕДАТЧИКОВ СИСТЕМЫ БРЕЛОКИ УПРАВЛЕНИЯ В комплект системы входит один 3- кнопочный брелок - передатчик с 2- сторонней связью и ЖК - дисплеем и один 4- кнопочный передатчик : Назначение кнопки I ...
Страница 9 - включенном
KGB FX-3 « Инструкция по эксплуатации и установке системы » © Saturn Marketing Ltd. 9 ФУНКЦИИ БРЕЛОКОВ - ПЕРЕДАТЧИКОВ СИСТЕМЫ Кнопки 3 + 1 ♦ Выбор режима оповещения брелока ( нажать и отпустить одновременно кнопки и I ) Кнопки 3 + 2 ♦ Быстрая установка таймера брелока ( нажать и отпустить одновремен...
Страница 10 - Примечание
KGB FX-3 « Инструкция по эксплуатации и установке системы » © Saturn Marketing Ltd. 10 ФУНКЦИИ БРЕЛОКОВ - ПЕРЕДАТЧИКОВ СИСТЕМЫ ПРОГРАММИРОВАНИЕ КНОПКИ I БРЕЛОКА - ПЕРЕДАТЧИКА С ДВУСТОРОННЕЙ СВЯЗЬЮ Назначение кнопки I двустороннего брелока программируется и может изменяться самим владельцем автомобил...
Страница 11 - ON; OFF
KGB FX-3 « Инструкция по эксплуатации и установке системы » © Saturn Marketing Ltd. 11 ФУНКЦИИ БРЕЛОКОВ - ПЕРЕДАТЧИКОВ СИСТЕМЫ УСТАНОВКА БУДИЛЬНИКА Брелок с обратной связью сигнализации имеет встроенный будильник . Для установки будильника на - жмите кнопку брелока и удерживайте её нажатой до появле...
Страница 14 - Внимание
KGB FX-3 « Инструкция по эксплуатации и установке системы » © Saturn Marketing Ltd. 14 УПРАВЛЕНИЕ АВТОСИГНАЛИЗАЦИЕЙ ВКЛЮЧЕНИЕ РЕЖИМА ОХРАНЫ СО ЗВУКОВЫМИ СИГНАЛАМИ Перед включением режима охраны убедитесь , что зажигание выключено , двери , капот и багажник на - дежно закрыты , стояночный тормоз вклю...
Страница 22 - VALET
KGB FX-3 « Инструкция по эксплуатации и установке системы » © Saturn Marketing Ltd. 22 СЕРВИСНЫЕ ФУНКЦИИ РЕЖИМ ТУРБОТАЙМЕРА ( ПРОГРАММИРУЕМАЯ ФУНКЦИЯ ) Для машин с турбонаддувом предусмотрен специальный режим турботаймера , который позволяет под - держивать работу двигателя после выключения зажигани...
Страница 32 - ИНСТРУКЦИЯ; После
KGB FX-3 « Инструкция по эксплуатации и установке системы » © Saturn Marketing Ltd. 32 УСТАНОВКА И ПОДСОЕДИНЕНИЕ АВТОСИГНАЛИЗАЦИИ ИНСТРУКЦИЯ ПО УСТАНОВКЕ Что необходимо помнить при установке автосигнализации : Перед началом установки автосигнализации ♦ Перед установкой автосигнализации , пожалуйста ...
Страница 37 - HP
KGB FX-3 « Инструкция по эксплуатации и установке системы » © Saturn Marketing Ltd. 37 УСТАНОВКА И ПОДСОЕДИНЕНИЕ АВТОСИГНАЛИЗАЦИИ ЖЁЛТО - СИНИЙ провод ( № 14) - отрицательный выход дополнительного канала № 3. Максимальный ток нагрузки 300 мА . Для подключения требуется дополнительное реле . Длительн...
Страница 38 - автоматической
KGB FX-3 « Инструкция по эксплуатации и установке системы » © Saturn Marketing Ltd. 38 УСТАНОВКА И ПОДСОЕДИНЕНИЕ АВТОСИГНАЛИЗАЦИИ ЧЁРНО - КРАСНЫЙ провод ( № 4) - отрицательный выход состояния сигнализации . Максимальный ток нагрузки выхода 300 мА . Для подключения требуется дополнительное реле . Вых...
Страница 40 - Audi
KGB FX-3 « Инструкция по эксплуатации и установке системы » © Saturn Marketing Ltd. 40 УСТАНОВКА И ПОДСОЕДИНЕНИЕ АВТОСИГНАЛИЗАЦИИ 5- или 4- ПРОВОДНАЯ СИСТЕМА ЦЕНТРАЛЬНОГО ЗАМКА С ПЕРЕМЕННОЙ ПОЛЯРНОСТЬЮ Если от выключателя идет 5 проводов ( или 4) – в данном автомобиле установлена штатная система цен...