Kalashnikov KIRH-E40P-11 4010800051 - инструкции и руководства
Обогреватель Kalashnikov KIRH-E40P-11 4010800051 - инструкции пользователя по применению, эксплуатации и установке на русском языке читайте онлайн в формате pdf
Инструкции:
Инструкция по эксплуатации Kalashnikov KIRH-E40P-11 4010800051
1
2
3
4
5
6
7
8
9
10
11
12
13
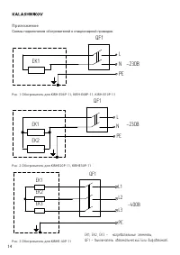
14
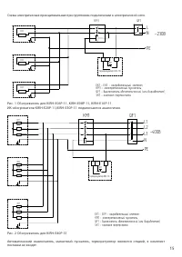
15
16
17
18
19
20
21
22
Kalashnikov Обогреватели Инструкции
-
Kalashnikov KVC-A06E3-11 101351
Инструкция по эксплуатации
-
Kalashnikov KVC-A08E3-11
Инструкция по эксплуатации
-
Kalashnikov KVC-A08E3-11 101352
Инструкция по эксплуатации
-
Kalashnikov KVC-A08E5-11
Инструкция по эксплуатации
-
Kalashnikov KVC-A15E6-11
Инструкция по эксплуатации
-
Kalashnikov KVC-A15E9-31
Инструкция по эксплуатации
-
Kalashnikov KVC-A15E9-31 101355
Инструкция по эксплуатации
-
Kalashnikov KVC-B10E6-01 104971
Инструкция по эксплуатации
-
Kalashnikov KVC-B15E9-31 104977
Инструкция по эксплуатации
-
Kalashnikov KVC-C15W20-11 101503
Инструкция по эксплуатации
-
Kalashnikov KVC-C20W30-11 101504
Инструкция по эксплуатации
-
Kalashnikov KVC-D10E9-31 105001
Инструкция по эксплуатации
-
Kalashnikov KVC-D15E24-31 4010400030
Инструкция по эксплуатации
-
Kalashnikov KVC-D20E24-31 4010400031
Инструкция по эксплуатации
-
Kalashnikov KVC-B10W8-11 101500
Инструкция по эксплуатации
-
Kalashnikov KVC-B15W14-11 4010500033
Инструкция по эксплуатации
-
Kalashnikov KVC-D15W33-11 4010500037
Инструкция по эксплуатации
-
Kalashnikov KVС-C10W12-11-БА
Инструкция по эксплуатации
-
Kalashnikov KIRH-E06P-11 105041
Инструкция по эксплуатации
-
Kalashnikov KIRH-E08P-11
Инструкция по эксплуатации