TEHNOPANORAMA
Инструкции
  • ⇐ К основному сайту
  • Все бренды
  • Все категории
  • Инструкции
  • J2000
  • Домофоны
  • DF-АНАСТАСИЯ серебро CC000001700

J2000 DF-АНАСТАСИЯ серебро CC000001700 - инструкции и руководства

model-name

Домофон J2000 DF-АНАСТАСИЯ серебро CC000001700 - инструкции пользователя по применению, эксплуатации и установке на русском языке читайте онлайн в формате pdf

Инструкции:

  • Инструкция по эксплуатации

Инструкция по эксплуатации J2000 DF-АНАСТАСИЯ серебро CC000001700

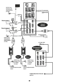
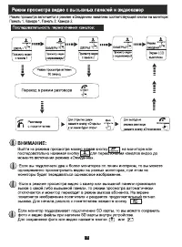
1 Page 1
2 Page 2
3 Page 3
4 Page 4
5 Page 5
6 Page 6
7 Page 7
8 Page 8
9 Page 9
10 Page 10
11 Page 11
12 Page 12
13 Page 13
14 Page 14
15 Page 15
16 Page 16
17 Page 17
18 Page 18
19 Page 19
20 Page 20
21 Page 21
22 Page 22
23 Page 23
24 Page 24

J2000 Домофоны Инструкции

  • J2000 AHD -DF-АДМИРАЛ 2,0 mp, медь J2000 AHD -DF-АДМИРАЛ 2,0 mp, медь Инструкция по эксплуатации
  • J2000 DF-ЕКАТЕРИНА ЛЮКС 4.3, CC000008813 J2000 DF-ЕКАТЕРИНА ЛЮКС 4.3, CC000008813 Инструкция по эксплуатации
  • J2000 DF-КРИСТИНА ЛЮКС 7 CC000008812 J2000 DF-КРИСТИНА ЛЮКС 7 CC000008812 Инструкция по эксплуатации
  • J2000 DF-ВИКТОРИЯ DVR белый CC000004218 J2000 DF-ВИКТОРИЯ DVR белый CC000004218 Инструкция по эксплуатации
  • J2000 DF-ВИКТОРИЯ черный CC000002481 J2000 DF-ВИКТОРИЯ черный CC000002481 Инструкция по эксплуатации
  • J2000 DF-ДИАНА белый CC000001702 J2000 DF-ДИАНА белый CC000001702 Инструкция по эксплуатации
  • J2000 DF-ЕКАТЕРИНА 4,3 CC000002124 J2000 DF-ЕКАТЕРИНА 4,3 CC000002124 Инструкция по эксплуатации
  • J2000 DF-КРИСТИНА белый CC000001699 J2000 DF-КРИСТИНА белый CC000001699 Инструкция по эксплуатации
TEHNOPANORAMA
Инструкции

Мы регулярно обновляем нашу базу новыми инструкциями, поэтому вы можете найти нужную вам модель устройства и прочитать PDF инструкцию онлайн.

Используйте поиск и навигацию по сайту. Если не нашли то, что искали или не нашли ответа на свой вопрос, свяжитесь с нами через контактную форму.

Меню
  • Все бренды
  • Все категории
Инфо
  • О нас
  • Часто задаваемые вопросы
  • Связаться с нами
© 2026 tehnopanorama.ru Политика конфиденциальности

Этот сайт использует файлы cookie для хранения данных. Если вы продолжаете пользоваться сайтом, вы соглашаетесь с использованием этих файлов cookie