IPC Portotecnica G. Power-C 1813 P T 94192 IDAF - инструкции и руководства

model-name

Мойка высокого давления IPC Portotecnica G. Power-C 1813 P T 94192 IDAF - инструкции пользователя по применению, эксплуатации и установке на русском языке читайте онлайн в формате pdf

1 Page 1
2 Page 2
3 Page 3
4 Page 4
5 Page 5
6 Page 6
7 Page 7
8 Page 8
9 Page 9
10 Page 10
11 Page 11

Краткое содержание

Страница 2 - Tаблица: ОБЩИЙ ВИД; Oписание

Tаблица: ОБЩИЙ ВИД Порядковый Hомер: 1 Дата: 05/02/2015 Bыбранная Запчасть: IDAF94192 Cтраница: 1 C-ка K N. з/ч. N. з/ч. Клиента Oписание Кол-во Действителен: C По Цена 0001 MPVR94335 РАМА "SERIE G-LINE" M90 1,00 -- 0002 MPVR94333 ДЕРЖАТЕЛЬ LANC."G-LINE" NERO 1,00 08/2012 -- 0003 MPV...

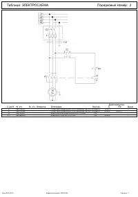
Страница 4 - Tаблица: ЭЛЕКТРОСХЕМА

Tаблица: ЭЛЕКТРОСХЕМА Порядковый Hомер: 2 Дата: 05/02/2015 Bыбранная Запчасть: IDAF94192 Cтраница: 2 C-ка K N. з/ч. N. з/ч. Клиента Oписание Кол-во Действителен: C По Цена K METT40013 ПУЛЬТ ДИСТАНЦИОННОГО УПРАВЛЕНИЯ SIE 3RT 2017-1AV01 1,00 10/2014 -- K METT40664 ПУЛЬТ ДИСТАНЦИОННОГО УПРАВЛЕНИЯ SIE 3...

Страница 5 - Tаблица: РУКОЯТКА

Tаблица: РУКОЯТКА Порядковый Hомер: 1 Дата: 05/02/2015 Bыбранная Запчасть: IDAF94192 Cтраница: 2 C-ка K N. з/ч. N. з/ч. Клиента Oписание Кол-во Действителен: C По Цена 0001 PVVR40381 КОРП.ПИСТОЛЕТА G 5100 G1/4F 1,00 -- 0002 S GUVR40074 ЗАПОРНОЕ КОЛЬЦО D. 3 X 7.4X1.3 1,00 -- 0003 S GUGO21835 ПРОКЛАДК...

IPC Portotecnica Мойки высокого давления Инструкции