Hyundai HY 300Si - инструкции и руководства
Генератор Hyundai HY 300Si - инструкции пользователя по применению, эксплуатации и установке на русском языке читайте онлайн в формате pdf
Инструкции:
Инструкция по эксплуатации Hyundai HY 300Si
Краткое содержание
4 Оглавление 1. Введение . . . . . . . . . . . . . . . . . . . . . . . . . . . . . . . . . . . . . . . . . . . . . . . 4 2. Описание изделия . . . . . . . . . . . . . . . . . . . . . . . . . . . . . . . . . . . . . . . . . . 4 3. Технические характеристики . . . . . . . . . . . . . . . . . . . . . ....
5 Комплектность: В комплект поставки входит: 1. Генератор 1 шт. 2. Провода для зарядки 12 Вольт 1 шт. 3. Гаечный ключ 8х10 1 шт. 4. Свечной ключ 1 шт. 5. Отвертка 1 шт. 6. Руководство пользователя 1 шт. 7. Гарантийный талон 1 шт. 8. Упаковка 1 шт. Технические характеристики Модель HY 300Si Генератор...
6 Общий вид изделия 1 2 3 5 4 6 Описание иделия: ① Ручка для переноски ② Переключатель фиксации складной ручки ③ Крышка топливного бака ④ Панель управления ⑤ Ручной стартер ⑥ Крышка маслозаливной горловины ⑦ Решетка ⑧ Глушитель ⑨ Складная ручка для транспортировки 6
7 Панель управления: ① Сигнальная лампа низкого уровня масла② Световой сигнализатор перегрузки③ Индикатор выходного напряжения④ Выключатель системы ESC⑤ Поворотный выключатель⑥ Розетка переменного тока⑦ Розетка постоянного тока⑧ Клемма заземления⑨ Предохранитель постоянного тока Информация по безопа...
8 Ваша личная безопасность, а также сохранность вашего и чужого имущества чрезвычайно важны. Прочитайте внимательно тексты с пометками: «ОПАСНО!», «ВНИМАНИЕ!», «ОБРАТИТЕ ВНИМАНИЕ!» и т.д. Техника безопасности: 1. Никогда не используйте генератор в помещении. 2. Никогда не использовать во влажной окр...
10 Проверка перед запуском: Внимание! Если во время проверки какая-либо часть прибора не работает надлежащим образом, необходи- мо ее осмотреть и отремонтировать перед запуском генератора. Техническое состояние генерато- ра является ответственностью владельца. Жизненно важные компоненты могут быстро...
11 Заземление генератора: Во избежание поражения электрическим током по причине использования некачественных элек- троприборов либо ненадлежащего использования электричества генератор должен быть заземлен качественным изолированным токоотводом. Внимание! Удостоверьтесь в том, что панель управления, ...
12 Управление: Поворотный выключатель ① Положение «ВЫКЛ.»; Зажигание выключено. Топливо не потребляется. Двигатель не заве-дется. Положение предназначено для хранения генератора.② Положение «ВКЛ.»; Зажигание включено. Топливо потребляется. Воздушная заслонка карбю-ратора открыта. Двигатель может раб...
14 Предохранитель постоянного тока: Предохранитель постоянного тока автоматически переключается на «ВЫКЛ.» ② , когда электропри- бор, подключенный к генератору, работает, а ток превышает расчетный. Для повторного использования данного оборудования включите предохранитель постоянного тока, нажав его ...
15 Крышка топливного бака: Снимите крышку топливного бака, повернув ее против часовой стрелки. Клемма заземления: Клемма заземления ① предназначена для подключения заземления во избежание поражения элек- трическим током. При заземлении электроприбора генератор всегда должен быть заземлен. Эксплуатац...
19 • Для определения того, полностью ли заряжен аккумулятор, измерьте удельную плотность элек- тролита. При полной зарядке она составляет 1,26–1,28. • Во избежание чрезмерной зарядки аккумулятора рекомендуется проверять удельную плотность электролита, как минимум, ежечасно. Внимaние! Запрещается кур...
20 Переменный ток Коэффици- ент мощно- сти 1 0,8–0,952 0,4–0,75 Расчетная мощность генератора на выходе 2800 Вт 2240 Вт 1120 Вт Расчетное напряжение 12 В Примечание: Мощность при применении указывается в случае независимого использования каждого прибора. • Одновременное использование переменного и п...
21 Процедура \ Частота При каждом запуске Через 1 месяц или 20 часов работы Ежеме- сячно или каждые 50 часов работы Раз в год или каж- дые 100 часов работы Моторное масло Проверка/долив √ Замена √ √ Воздушный фильтр Проверка √ Чистка √ Замена √ Свеча зажигания Проверка √ Замена Каждые 250 часов рабо...
22 Регулировка карбюратора: Карбюратор - неотъемлемая часть двигателя. Его регулировку следует доверить только нашим автори- зованным сервисным центрам. Замена масла: Замену масла следует проводить после прогрева двигателя в течение нескольких минут. Следует избегать контакта с маслом во избежание о...
23 5. Установите генератор обратно на ровную поверхность Не наклоняйте генератор при добавлении масла, это может привести к переливу масла выше макси- мального уровня и поломке двигателя. 6. Залейте масло до верхней отметки Рекомендуемое моторное масло: SAE SJ 15W-40 Рекомендуемый класс масла: API S...
25 Топливный фильтр (фильтр тонкой очистки)*: 1. Открутите винты ① , снимите декоративную крышку ② , слейте топливо ③ 2. Снимите зажим ④ и шланг ⑤ с бака 3. Вытащите топливный фильтр ⑥ 4. Промойте фильтр бензином 5. Просушите фильтр и установите обратно в бак 6. Установите шланг и зажим, откройте то...
26 Двигатель: Произведите следующие шаги чтобы защитить цилиндр, поршневое кольцо и т.д. от коррозии. 1. Выкрутите свечу, влейте примерно столовую ложку моторного масла SAE 10W -30 в свечной колодец и вкрутите свечу обратно. Проверните двигатель с помощью стартера несколько раз (поворотный выключате...
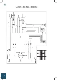
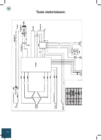
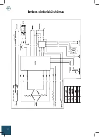
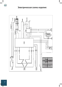
29 Обозначения на электрической схеме: Primary winding Силовая обмотка альтернатора Control winding Обмотка питания инверторного блока DC winding Обмотка 12В Rectifier Выпрямитель Idle switch Выключатель эконом-режима Oil sensor Датчик уровня масла Ignition Зажигание Spark plug Свеча зажигания Stepp...
Hyundai Генераторы Инструкции
-
Hyundai DHY 12000LE
Инструкция по эксплуатации
-
Hyundai DHY 12000LE-3
Инструкция по эксплуатации
-
Hyundai DHY 12000SE
Инструкция по эксплуатации
-
Hyundai DHY 12000SE-3
Инструкция по эксплуатации
-
Hyundai DHY 34KSE
Инструкция по эксплуатации
-
Hyundai DHY 6000LE-3
Инструкция по эксплуатации
-
Hyundai DHY 8000LE-3
Инструкция по эксплуатации
-
Hyundai DHY 8500LE
Инструкция по эксплуатации
-
Hyundai DHY 8500LE-3
Инструкция по эксплуатации
-
Hyundai DHY 8500SE
Инструкция по эксплуатации
-
Hyundai DHY 8500SE-3
Инструкция по эксплуатации
-
Hyundai DHY 8500SE-T
Инструкция по эксплуатации
-
Hyundai DHY6000LE
Инструкция по эксплуатации
-
Hyundai DHY6000SE
Инструкция по эксплуатации
-
Hyundai DHY6000SE-3
Инструкция по эксплуатации
-
Hyundai DHY8000LE
Инструкция по эксплуатации
-
Hyundai DHY8000SE-3
Инструкция по эксплуатации
-
Hyundai DHYW 210AC
Инструкция по эксплуатации
-
Hyundai HHY 10000FE-3 ATS
Инструкция по эксплуатации
-
Hyundai HHY 3020FE
Инструкция по эксплуатации