Hyundai HY 200Si - инструкции и руководства
Генератор Hyundai HY 200Si - инструкции пользователя по применению, эксплуатации и установке на русском языке читайте онлайн в формате pdf
Инструкции:
Инструкция по эксплуатации Hyundai HY 200Si
Краткое содержание
4 Оглавление 1. Введение . . . . . . . . . . . . . . . . . . . . . . . . . . . . . . . . . . . . . . . . . . . . . . . 4 2. Описание изделия . . . . . . . . . . . . . . . . . . . . . . . . . . . . . . . . . . . . . . . . . . 4 3. Технические характеристики . . . . . . . . . . . . . . . . . . . . . ....
5 Комплектность: В комплект поставки входит: 1. Генератор 1 шт. 2. Провода для зарядки 12 Вольт 1 шт. 3. Гаечный ключ 8х10 1 шт. 4. Свечной ключ 1 шт. 5. Отвертка 1 шт. 6. Руководство пользователя 1 шт. 7. Гарантийный талон 1 шт. 8. Упаковка 1 шт. Технические характеристики Модель HY 125Si HY 200Si ...
6 Общий вид изделия Описание изделия: ① Ручка для переноски ② Клапан вентиляции топливного бака ③ Крышка топливного бака ④ Панель управления ⑤ Ручной стартер ⑥ Крышка маслозаливной горловины ⑦ Решетка ⑧ Глушитель ⑨ Крышка свечи зажигания Панель управления: ① Сигнальная лампа низкого уровня масла② Св...
7 ③ Индикатор выходного напряжения④ Выключатель системы ESC⑤ Поворотный выключатель⑥ Розетка переменного тока⑦ Розетка постоянного тока⑧ Клемма заземления⑨ Предохранитель постоянного тока Информация по безопасности Ваша личная безопасность, а также сохранность вашего и чужого имущества чрезвычайно в...
8 Безопасность рабочего места: а) Сохраняйте свое рабочее место в чистоте. Беспорядок либо слабое освещение рабо- чих зон может привести к несчастным случаям. б) Не допускайте намокания прибора. Не используйте его во влажной среде. в) Ни в коем случае нельзя допускать использование прибора детьми, л...
9 Моторное масло: Генератор поставляется без моторного масла. Не запускайте двигатель до заправки достаточным количеством масла. Upper limit 1. Поместите генератор на ровную поверхность. 2. Выкрутите винты ① , затем снимите крышку ② . 3. Снимите крышку масляного фильтра ③ . 4. Залейте указанное коли...
10 Эксплуатация Подключение к домашней электросети: Внимание! При подключении генератора к домашней электросети следует гарантированно исключить воз- можность подачи напряжения от генератора в городскую (внешнюю) сеть. Если генератор планируется подключить к домашней электросети как резервный, подкл...
11 Управление: Поворотный выключатель ① Положение «ВЫКЛ.»; Зажигание выключено. Топливо не потребляется. Двигатель не заведется. Положение предназначено для хранения генератора.② Положение «ВКЛ.»; Зажигание включено. Топливо потребляется. Воздушная заслонка карбюра-тора открыта. Двигатель может рабо...
12 Индикатор перегрузки (красная лампа): ① Сигнальная лампа индикатора перегрузки ① загорается при обнаружении перегрузки подключен- ного электрического прибора, перегреве регулирующего устройства инвертора либо увеличении напряжения переменного тока на выходе. В этом случае запустится предохранител...
13 прибор, подключенный к генератору, работает, а ток превышает расчетный. Для повторного исполь- зования данного оборудования включите предохранитель постоянного тока, нажав его кнопку в положение «ВКЛ.» ① ① «ВКЛ.» Постоянный ток на выходе. ② «ВЫКЛ.» Постоянный ток отсутствует на выходе Внимание! П...
16 1. Отключите потребителей от генератора. 2. Оставьте генератор в включенном состоянии в течение 3-4 минут. 3. Поверните переключатель ESC в позицию «ВЫКЛ.» ① . 4. Поверните переключатель 3 в 1 в положение «ВЫКЛ.» ② , а) Цепь зажигания выключена. б) Подача топлива выключена. 5. После полного охлаж...
17 Внимание! • Убедитесь, что в течение зарядки аккумулятора переключатель ESC отключен. • Убедитесь, что красная клемма подключена подключена к положительной (+) клемме акку- мулятора, а черная – к отрицательной (-) клемме аккумулятора. Не переставляйте их местами. • Надежно подключите провода заря...
19 • Лампа индикатора перегрузки ① загорается, если общая мощность превышает спектр применения. ① Обратите внимание! • Не допускайте перегрузки генератора! Суммарная нагрузка не должна превышать допустимую. Перегрузка приводит к повреждению генератора. • При использовании генератора для электропитан...
20 Проверка свечи зажигания: Свеча зажигания является важной частью двигателя и требует периодической проверки. a 1. Снимите крышку ① , используя отвертку ③ снимите колпачок со свечи ② , вставьте свечной ключ ⑤ в свечной колодец. 2. Вставьте ручку ④ в ключ ⑤ и выкрутите свечу. 3. Проверьте цвет и уд...
21 1. Поместите генератор на ровную поверхность и прогрейте двигатель в течение нескольких минут. Затем остановите двигатель и установите поворотный выключатель и клапан вентиля- ции топливного бака в положение “ВЫКЛ” 2. Открутите винты ① и снимите декоративную крышку ② 3. Открутите крышку маслозали...
22 1. Выкрутите винты ① и снимите декоративную крышку ② 2. Открутите винт ③ и снимите крышку воздушного фильтра ④ 3. Вытащите фильтрующий элемент ⑤ 4. Промойте его в мыльном растворе и тщательно просушите 5. Пропитайте маслом фильтрующий элемент и отожмите излишки масла. Элемент должен быть влажным,...
23 Фильтр топливного бака: Внимание! Никогда не работайте с бензином во время курения или вблизи открытого огня. 1. Снимите крышку бака и выньте фильтр. 2. Промойте фильтр бензином. 3. Смахните излишки бензина и установите фильтр обратно. 4. Затяните крышку бака. Топливный фильтр (фильтр тонкой очис...
24 Хранение и утилизация В случае длительного хранения вашего генератора рекомендуется произвести несколько профи- лактических процедур, чтобы не допустить ухудшения потребительских свойств продукта. Слив топлива: 1. Установите поворотный выключатель в положение “ВЫКЛ” ① 2. Открутите крышку бака, сн...
25 Поиск неисправностей Неисправ- ность Возможная при- чина Устранение неисправности Двигатель не запускается Топливная система; не поступает топливо в камеру сгорания - Закончился бензин: проверьте уровень топлива в баке и долейте - чрезмерное давление в топливном баке: поверните клапан крышки топл...
27 Информация о производителе КОТО Индастри ЛЛК, 2300 В. Сахара Аве С. 800, Лас Вегас, NV89102, США. Тел: +1(800)-883-(5686), Факс: +1(800)-883-(5686). Импортер в РФ: ООО «Сити Торг», 125315, Россия, г. Москва, ул. Часовая 28, стр. 4. Товар сертифициро- ван в РФ. Импортер в РБ: ООО «ДесяткаСтрой-имп...
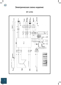
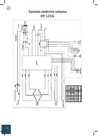
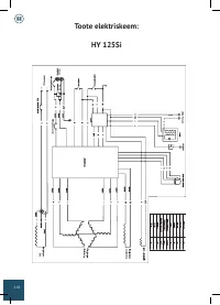
29 Обозначения на электрической схеме: HY 125Si Rectifier Выпрямитель Ignition coil Обмотка зажигания AC recaptacle Розетка 220В Oil protector Предохранитель Running indicator light Индикатор напряжения 220В Fault indicator light Индикатор перегрузки DC receptacle Разъем подключения нагрузки 12В Oil...
Hyundai Генераторы Инструкции
-
Hyundai DHY 12000LE
Инструкция по эксплуатации
-
Hyundai DHY 12000LE-3
Инструкция по эксплуатации
-
Hyundai DHY 12000SE
Инструкция по эксплуатации
-
Hyundai DHY 12000SE-3
Инструкция по эксплуатации
-
Hyundai DHY 34KSE
Инструкция по эксплуатации
-
Hyundai DHY 6000LE-3
Инструкция по эксплуатации
-
Hyundai DHY 8000LE-3
Инструкция по эксплуатации
-
Hyundai DHY 8500LE
Инструкция по эксплуатации
-
Hyundai DHY 8500LE-3
Инструкция по эксплуатации
-
Hyundai DHY 8500SE
Инструкция по эксплуатации
-
Hyundai DHY 8500SE-3
Инструкция по эксплуатации
-
Hyundai DHY 8500SE-T
Инструкция по эксплуатации
-
Hyundai DHY6000LE
Инструкция по эксплуатации
-
Hyundai DHY6000SE
Инструкция по эксплуатации
-
Hyundai DHY6000SE-3
Инструкция по эксплуатации
-
Hyundai DHY8000LE
Инструкция по эксплуатации
-
Hyundai DHY8000SE-3
Инструкция по эксплуатации
-
Hyundai DHYW 210AC
Инструкция по эксплуатации
-
Hyundai HHY 10000FE-3 ATS
Инструкция по эксплуатации
-
Hyundai HHY 3020FE
Инструкция по эксплуатации