Hitachi E57 - инструкции и руководства
Генератор Hitachi E57 - инструкции пользователя по применению, эксплуатации и установке на русском языке читайте онлайн в формате pdf
Инструкции:
Инструкция по эксплуатации Hitachi E57
1
2
3
4
5
6
7
8
9
10
11
12
13
14
15
16
17
18
19
20
21
22
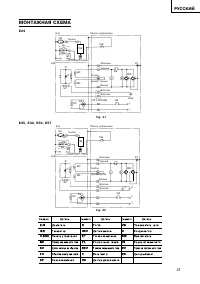
23
24
25
26
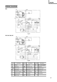
27
28
29
30
31
32
33
34
35
36
37
38
39
40
41
42
43
44
45
Hitachi Генераторы Инструкции
-
Hitachi E 24 SC
Инструкция по эксплуатации
-
Hitachi E 35 SB
Инструкция по эксплуатации
-
Hitachi E 42 SB
Инструкция по эксплуатации
-
Hitachi E 50 3P
Инструкция по эксплуатации
-
Hitachi E 57 (3P)
Инструкция по эксплуатации
-
Hitachi E 57 S
Инструкция по эксплуатации
-
Hitachi E 24
Инструкция по эксплуатации
-
Hitachi E 100
Инструкция по эксплуатации
-
Hitachi E 100 3P
Инструкция по эксплуатации
-
Hitachi E 35
Инструкция по эксплуатации
-
Hitachi E 40
Инструкция по эксплуатации
-
Hitachi E 57 S3Р
Инструкция по эксплуатации
-
Hitachi E40 ЗР
Инструкция по эксплуатации
-
Hitachi E10 U
Инструкция по эксплуатации
-
Hitachi E62SC
Инструкция по эксплуатации
-
Hitachi E57S
Инструкция по эксплуатации
-
Hitachi E57 3Р
Инструкция по эксплуатации
-
Hitachi E50 3Р
Инструкция по эксплуатации
-
Hitachi E50
Инструкция по эксплуатации
-
Hitachi E42SC
Инструкция по эксплуатации