Helmut HFE3 3кВт hl-31 - инструкции и руководства

model-name

Обогреватель Helmut HFE3 3кВт hl-31 - инструкции пользователя по применению, эксплуатации и установке на русском языке читайте онлайн в формате pdf

1 Page 1
2 Page 2
3 Page 3
4 Page 4
5 Page 5
6 Page 6
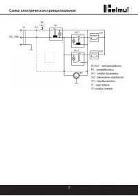
7 Page 7
8 Page 8

Краткое содержание

Страница 3 - Описание и работа; Назначение тепловентилятора; Тепловентилятор HFE; Технические характеристики устройства

3 Описание и работа Назначение тепловентилятора Тепловая пушка электрическая (в дальнейшем «Тепловентилятор») предназначена для дополнительного временного или продолжительного прогревания складских помещений, мастерских, торговых павильонов и т.п., а также для сушки строительных помещений после пров...

Страница 4 - Отрегулируйте угол наклона прибора.

4 Подготовка к работе Подключение тепловентилятора к электросети осуществляется путем включения вилки шнура питания тепловентилятора в розетку с напряжением 220 В/ 50 Гц и заземляющим проводом. В щите питания должны иметься плавкие предохранители или автоматические выключатели для защиты электропров...

Страница 5 - Техническое обслуживание; тепловентилятора; Неисправности тепловентилятора

5 Техническое обслуживание При нормальной эксплуатации тепловентилятор не требует технического обслуживания, а только чистку от пыли решеток и контроля работоспособности. Исправность тепловентилятора определяется внешним осмотром, затем включением и проверкой нагрева потока воздуха. Возможные неиспр...