Graude BMDP 60.1 S - инструкции и руководства
Печь Graude BMDP 60.1 S - инструкции пользователя по применению, эксплуатации и установке на русском языке читайте онлайн в формате pdf
Инструкции:
Инструкция по эксплуатации Graude BMDP 60.1 S
1
2
3
4
5
6
7
8
9
10
11
12
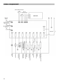
13
14
15
16
17
18
19
20
Graude Печи Инструкции
-
Graude BE 60.2 E
Инструкция по эксплуатации
-
Graude BE 60.2 W
Инструкция по эксплуатации
-
Graude BE 60.3 E
Инструкция по эксплуатации
-
Graude BE 60.3 S
Инструкция по эксплуатации
-
Graude BE 60.3 W
Инструкция по эксплуатации
-
Graude BK 60.2 EL
Инструкция по эксплуатации
-
Graude BK 60.2 S
Инструкция по эксплуатации
-
Graude BK 60.3 EL
Инструкция по эксплуатации
-
Graude BK 60.3 S
Инструкция по эксплуатации
-
Graude BM 60.2 E
Инструкция по эксплуатации
-
Graude BM 60.2 S
Инструкция по эксплуатации
-
Graude BM 60.2 W
Инструкция по эксплуатации
-
Graude BWGK 45.0 S
Инструкция по эксплуатации
-
Graude BMP 60.0 S
Инструкция по эксплуатации
-
Graude BM 60.3 S
Инструкция по эксплуатации
-
Graude BK 60.1 SM
Инструкция по эксплуатации
-
Graude BE 60.0 E, нержавеющая сталь
Инструкция по эксплуатации
-
Graude BMP 60.0 E
Инструкция по эксплуатации
-
Graude BM 60.3 W
Инструкция по эксплуатации
-
Graude BE 60.2 W, белый
Инструкция по эксплуатации