Fubag TI 3000 - инструкции и руководства
Генератор Fubag TI 3000 - инструкции пользователя по применению, эксплуатации и установке на русском языке читайте онлайн в формате pdf
Инструкции:
Инструкция по эксплуатации Fubag TI 3000
1
2
3
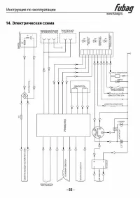
4
5
6
7
8
9
10
11
12
13
14
15
16
17
18
19
20
21
22
23
24
25
26
27
28
29
30
31
32
33
34
35
36
37
38
39
40
41
42
43
44
45
46
47
48
49
50
51
52
53
54
55
56
57
58
Fubag Генераторы Инструкции
-
Fubag BORA Keramik 20M
Инструкция по эксплуатации
-
Fubag Brise
Инструкция по эксплуатации
-
Fubag BS 1000i
Инструкция по эксплуатации
-
Fubag BS 2200 3300
Инструкция по эксплуатации
-
Fubag BS 3300 ES
Инструкция по эксплуатации
-
Fubag BS 3500 Duplex
Инструкция по эксплуатации
-
Fubag BS 4400 5500 6600
Инструкция по эксплуатации
-
Fubag BS 5500 A ES 838796
Инструкция по эксплуатации
-
Fubag BS 7500 A ES
Инструкция по эксплуатации
-
Fubag BS 7500 A ES DUPLEX, 641001
Инструкция по эксплуатации
-
Fubag BS 8500 A ES 838253
Инструкция по эксплуатации
-
Fubag BS 8500 A ES DUPLEX, 641002
Инструкция по эксплуатации
-
Fubag BS 8500 DA ES 838254
Инструкция по эксплуатации
-
Fubag BS 8500 XD ES 838255
Инструкция по эксплуатации
-
Fubag DS 100 DAC ES 838787
Инструкция по эксплуатации
-
Fubag DS 11000 A ES 838213
Инструкция по эксплуатации
-
Fubag DS 11000 AC ES, 431744
Инструкция по эксплуатации
-
Fubag DS 14000 DA ES
Инструкция по эксплуатации
-
Fubag DS 14000 DAC ES, 431746
Инструкция по эксплуатации
-
Fubag DS 16 DA ES 838767.3
Инструкция по эксплуатации