Fubag DS 550 DA ES 431725.3 - инструкции и руководства

model-name

Генератор Fubag DS 550 DA ES 431725.3 - инструкции пользователя по применению, эксплуатации и установке на русском языке читайте онлайн в формате pdf

1 Page 1
2 Page 2
3 Page 3
4 Page 4
5 Page 5
6 Page 6
7 Page 7
8 Page 8
9 Page 9
10 Page 10
11 Page 11
12 Page 12
13 Page 13
14 Page 14
15 Page 15
16 Page 16
17 Page 17
18 Page 18
19 Page 19
20 Page 20
21 Page 21
22 Page 22
23 Page 23
24 Page 24
25 Page 25
26 Page 26
27 Page 27
28 Page 28
29 Page 29
30 Page 30
31 Page 31
32 Page 32
33 Page 33
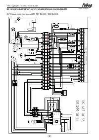
34 Page 34
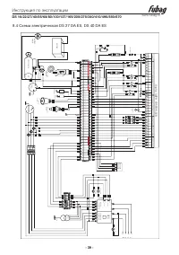
35 Page 35
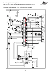
36 Page 36
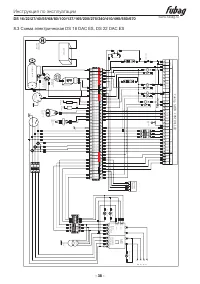
37 Page 37
38 Page 38
39 Page 39
40 Page 40
41 Page 41
42 Page 42
43 Page 43
44 Page 44
45 Page 45
46 Page 46
47 Page 47
48 Page 48
49 Page 49
50 Page 50
51 Page 51

Краткое содержание

Страница 2 - Инструкция по эксплуатации; DS; ВАЖНО

Инструкция по эксплуатации DS 16/22/27/40/55/68/80/100/137/165/200/275/340/410/495/550/670 www.fubag.ru - 2 - 1.1 Введение 1.1.1 ОБЩИЕ РЕКОМЕНДАЦИИ Благодарим за выбор нашего электрогенератора. В настоящем руководстве приводятся инструкции по эксплуатации и техническому об- служиванию электрогенерат...

Страница 4 - ПРИВЕДЕННЫЕ ПРАВИЛА ТЕХНИКИ БЕЗОПАСНОСТИ ЯВЛЯЮТСЯ ОЧЕНЬ ВАЖ-

Инструкция по эксплуатации DS 16/22/27/40/55/68/80/100/137/165/200/275/340/410/495/550/670 www.fubag.ru - 4 - 2.1 ПРАВИЛА ТЕХНИКИ БЕЗОПАСНОСТИ ПРИВЕДЕННЫЕ ПРАВИЛА ТЕХНИКИ БЕЗОПАСНОСТИ ЯВЛЯЮТСЯ ОЧЕНЬ ВАЖ- НЫМИ Если у вас имеются вопросы в отношении информации, содержащейся в настоящем ру- ководстве, ...

Страница 5 - генератором во время выполнения заправки.; ПРЕДУПРЕЖДЕНИЕ

Инструкция по эксплуатации DS 16/22/27/40/55/68/80/100/137/165/200/275/340/410/495/550/670 www.fubag.ru - 5 - • Для проворачивая коленчатого вала вручную применяйте надлежащие методы. Не проворачивайте коленчатый вал, прикладывая усилие на вентилятор. Это приведет к серьезному повреждению лопаток ве...

Fubag Генераторы Инструкции