Страница 2 - Инструкция по эксплуатации; DS; ВАЖНО
Инструкция по эксплуатации DS 16/22/27/40/55/68/80/100/137/165/200/275/340/410/495/550/670 www.fubag.ru - 2 - 1.1 Введение 1.1.1 ОБЩИЕ РЕКОМЕНДАЦИИ Благодарим за выбор нашего электрогенератора. В настоящем руководстве приводятся инструкции по эксплуатации и техническому об- служиванию электрогенерат...
Страница 4 - ПРИВЕДЕННЫЕ ПРАВИЛА ТЕХНИКИ БЕЗОПАСНОСТИ ЯВЛЯЮТСЯ ОЧЕНЬ ВАЖ-
Инструкция по эксплуатации DS 16/22/27/40/55/68/80/100/137/165/200/275/340/410/495/550/670 www.fubag.ru - 4 - 2.1 ПРАВИЛА ТЕХНИКИ БЕЗОПАСНОСТИ ПРИВЕДЕННЫЕ ПРАВИЛА ТЕХНИКИ БЕЗОПАСНОСТИ ЯВЛЯЮТСЯ ОЧЕНЬ ВАЖ- НЫМИ Если у вас имеются вопросы в отношении информации, содержащейся в настоящем ру- ководстве, ...
Страница 5 - генератором во время выполнения заправки.; ПРЕДУПРЕЖДЕНИЕ
Инструкция по эксплуатации DS 16/22/27/40/55/68/80/100/137/165/200/275/340/410/495/550/670 www.fubag.ru - 5 - • Для проворачивая коленчатого вала вручную применяйте надлежащие методы. Не проворачивайте коленчатый вал, прикладывая усилие на вентилятор. Это приведет к серьезному повреждению лопаток ве...
Страница 6 - действию электролита.; легковоспламеняющиеся материалы.
Инструкция по эксплуатации DS 16/22/27/40/55/68/80/100/137/165/200/275/340/410/495/550/670 www.fubag.ru - 6 - • Заправка топливом должна осуществляться после останова двигателя (ха исключени- ем генераторов с автоматической системой заправки).• Выхлопные газы двигателя являются токсичными: Эксплуата...
Страница 7 - нератора или когда двигатель является горячим.
Инструкция по эксплуатации DS 16/22/27/40/55/68/80/100/137/165/200/275/340/410/495/550/670 www.fubag.ru - 7 - • Храните все горючие или взрывчатые вещества (бензин, масло, ткань и т.д.) вдали от работающего генератора.• Для надлежащего функционирования генератора требуется хорошая вентиляция. Без ве...
Страница 8 - мощи подъемного устройства.; РЕКОМЕНДАЦИИ ДЛЯ ОПЕРАТОРА И ПЕРСОНАЛА
Инструкция по эксплуатации DS 16/22/27/40/55/68/80/100/137/165/200/275/340/410/495/550/670 www.fubag.ru - 8 - • Не подключайте генератор к другим источникам электропитания, например, к местной электросети. В исключительных случаях, когда предусмотрено резервное подключение к существующим электросетя...
Страница 9 - ний и иных негативных воздействий генератора.
Инструкция по эксплуатации DS 16/22/27/40/55/68/80/100/137/165/200/275/340/410/495/550/670 www.fubag.ru - 9 - эксплуатации генератора. Инструктаж необходимо проводить регулярно.• Эксплуатация должна осуществляться под контролем (прямым или косвенным) опе- ратора, осведомленного об опасностях и огран...
Страница 10 - работанное масло может принять поставщик топлива).; вызванные неправильной установкой.; ПРАВИЛА ТЕХНИКИ БЕЗОПАСНОСТИ ПРИ ВЫПОЛНЕНИИ РАЗГРУЗКИ
Инструкция по эксплуатации DS 16/22/27/40/55/68/80/100/137/165/200/275/340/410/495/550/670 www.fubag.ru - 10 - • Запрещается сброс отработанной воды, грязи и иных отходов.• Используемое топливо должно соответствовать типу, указанному в документации, и иметь характеристики, приведенные изготовителем ...
Страница 11 - Внимание: стропы должны располагаться
Инструкция по эксплуатации DS 16/22/27/40/55/68/80/100/137/165/200/275/340/410/495/550/670 www.fubag.ru - 11 - 3.1.3 ИНСТРУКЦИЯ ПО ВЫПОЛНЕНИЮ РАЗГРУЗКИ 3.1.3.1 СТРОПОВКА • закрепите стропы подъемного устройства в предусмотренных для этого кольцах ге- нератора.• плавно натяните стропы.• убедитесь в п...
Страница 13 - ные в разделе «Строповка».; УСТАНОВКА СТАЦИОНАРНЫХ ГЕНЕРАТОРОВ; ся нормы и правила, действующие в месте установки генератора.
Инструкция по эксплуатации DS 16/22/27/40/55/68/80/100/137/165/200/275/340/410/495/550/670 www.fubag.ru - 13 - Если у вас имеется направляющая или подвесная лебедка, выполните действия, описан- ные в разделе «Строповка». 3.3 УСТАНОВКА СТАЦИОНАРНЫХ ГЕНЕРАТОРОВ ПРИМЕЧАНИЕ Несоблюдение основных принцип...
Страница 15 - Примеры возможных затруднений:; Заправка топливом невозможна.
Инструкция по эксплуатации DS 16/22/27/40/55/68/80/100/137/165/200/275/340/410/495/550/670 www.fubag.ru - 15 - Примеры возможных затруднений: Неправильные вентиляция и отвод отработанных газов. Неровное или недостаточно жесткое основание. Генера-тор установлен неправильно. Затрудненный доступ. Запра...
Страница 17 - Общие положения
Инструкция по эксплуатации DS 16/22/27/40/55/68/80/100/137/165/200/275/340/410/495/550/670 www.fubag.ru - 17 - 3.3.2.5 ОТВЕРСТИЯ В помещении должны быть предусмотрены отверстия, необходимые для работы гене- ратора:• дверь для доступа к генератору и его оборудованию, желательно на уровне основания ге...
Страница 18 - Шумоуловитель; Пример установки
Инструкция по эксплуатации DS 16/22/27/40/55/68/80/100/137/165/200/275/340/410/495/550/670 www.fubag.ru - 18 - Шумоуловитель Глушители Шумоуловитель Дверцы с шумоизоляцией Пример установки 3.3.2.8 ВЕНТИЛЯЦИЯ Тепловой двигатель выделяет определенное количество тепла, которое следует выво- дить наружу...
Страница 19 - ется снаружи помещения.
Инструкция по эксплуатации DS 16/22/27/40/55/68/80/100/137/165/200/275/340/410/495/550/670 www.fubag.ru - 19 - 3.3.2.9 ТОПЛИВО Поскольку топливо классифицируется как «опасное вещество», следует соблюдать определенные правила хранения и подачи топлива. При выполнении установки генера- тора необходимо...
Страница 20 - Подача топлива; его крепления и глушители будут более дорогими.; ПРИМЕЧАНИЕ
Инструкция по эксплуатации DS 16/22/27/40/55/68/80/100/137/165/200/275/340/410/495/550/670 www.fubag.ru - 20 - 1 Резервуар для хранения с двойными стенками2 Датчик контроля утечки3 Заправочная горловина4 Блок управления запорным клапаном5 Блок управления предохранительным клапаном6 Бак емкостью 600 ...
Страница 21 - Основные части
Инструкция по эксплуатации DS 16/22/27/40/55/68/80/100/137/165/200/275/340/410/495/550/670 www.fubag.ru - 21 - Основные части 1 1 6 4 8 9 12 2 2 5 5 77 7 7 7 3 10 11 1 трубопровод системы выпуска отработанных газов2 отводы3 компенсатор4 слив конденсата5 узел прохода трубы через перекрытие и перегоро...
Страница 23 - обычно состоит из металличе-
Инструкция по эксплуатации DS 16/22/27/40/55/68/80/100/137/165/200/275/340/410/495/550/670 www.fubag.ru - 23 - Патрубок для отвода отработанных газов Патрубки для отвода отработанных газов служат для выпуска газов в атмосферу и защиты внутренней части трубопровода от непогоды. Подвеска обычно состои...
Страница 24 - Теплоизоляция
Инструкция по эксплуатации DS 16/22/27/40/55/68/80/100/137/165/200/275/340/410/495/550/670 www.fubag.ru - 24 - Теплоизоляция В зависимости от типа установки может потребоваться теплоизоляция помещения. После установки теплоизоляции температура поверхности не должна превышать 70 °C. Рекоменду-ется ис...
Страница 25 - Реактивный шумопоглощающий; ставляет 70 мм
Инструкция по эксплуатации DS 16/22/27/40/55/68/80/100/137/165/200/275/340/410/495/550/670 www.fubag.ru - 25 - Реактивный шумопоглощающий глушитель Газ попадает в расширительную камеру, выложенную шумопоглощающим матери-алом, закрепленным перфорированными листами металла, и затем проходит в шумопогл...
Страница 26 - спечивают полную защиту.
Инструкция по эксплуатации DS 16/22/27/40/55/68/80/100/137/165/200/275/340/410/495/550/670 www.fubag.ru - 26 - b) Воздушный охладительКонтур охлаждения двигателя соединен с воздушным охладителем, расположенным внутри или снаружи помещения.При установке внутри помещения работа охладителя идентична ра...
Страница 27 - РАЗМЕЩЕНИЕ ГЕНЕРАТОРА В КОНТЕЙНЕРЕ; духа должны оставаться открытыми.; открыть перед запуском генератора.; ПРЕДУПРЕЖДЕНИЕ – ОПАСНОСТЬ; ПЕРЕМЕЩЕНИЕ, ТРАНСПОРТИРОВКА И РАЗМЕЩЕНИЕ КОНТЕЙНЕРОВ; Примеры оборудования и перемещения:
Инструкция по эксплуатации DS 16/22/27/40/55/68/80/100/137/165/200/275/340/410/495/550/670 www.fubag.ru - 27 - 4. РАЗМЕЩЕНИЕ ГЕНЕРАТОРА В КОНТЕЙНЕРЕ ПРЕДУПРЕЖДЕНИЕ Если генератор работает в режиме автоматического запуска, дверцы для отвода воз- духа должны оставаться открытыми. ПРЕДУПРЕЖДЕНИЕ Если г...
Страница 28 - Пример подъема за скобу
Инструкция по эксплуатации DS 16/22/27/40/55/68/80/100/137/165/200/275/340/410/495/550/670 www.fubag.ru - 28 - Пример подъема контейнера при помощи траверсы с крю-ками, скобами или замками, закрывающимися вручную Пример захвата обычным крюком Пример захвата крюком с предохранительной скобой Пример п...
Страница 29 - Пример подъема; Примеры неправильного подъема
Инструкция по эксплуатации DS 16/22/27/40/55/68/80/100/137/165/200/275/340/410/495/550/670 www.fubag.ru - 29 - Пример подъема Пример подъема контейнера за четыре крепления в нижних углах Примеры неправильного подъема Примеры неправильной транспортировки 4.1.2 ТРАНСПОРТИРОВКА Транспортировка контейне...
Страница 30 - НЕПРАВИЛЬНО
Инструкция по эксплуатации DS 16/22/27/40/55/68/80/100/137/165/200/275/340/410/495/550/670 www.fubag.ru - 30 - ПРЕДУПРЕЖДЕНИЕ Несмотря на то, что наши контейнеры очень похожи на транспортные контейнеры ISO, они не соответствуют требованиям различных сертификационных испытаний.Наши контейнеры не выде...
Страница 31 - вторное отражение звука от зданий.; ТЕХНИЧЕСКОЕ ОБСЛУЖИВАНИЕ
Инструкция по эксплуатации DS 16/22/27/40/55/68/80/100/137/165/200/275/340/410/495/550/670 www.fubag.ru - 31 - Необходимо также обратить внимание на то, чтобы оборудование не причиняло не- удобств людям, которые проживают рядом с местом его установки.Следует изучить действующие законы во избежание с...
Страница 32 - ПОДГОТОВКА ГЕНЕРАТОРА К ЭКСПЛУАТАЦИИ; ПРОВЕРКА СОЕДИНЕНИЙ; - зарядное устройство аккумуляторной батареи; ИСПЫТАНИЕ ГЕНЕРАТОРА ПОД НАГРУЗКОЙ
Инструкция по эксплуатации DS 16/22/27/40/55/68/80/100/137/165/200/275/340/410/495/550/670 www.fubag.ru - 32 - 5. ПОДГОТОВКА ГЕНЕРАТОРА К ЭКСПЛУАТАЦИИ ПРЕДУПРЕЖДЕНИЕ – ОПАСНОСТЬ Указанные в настоящем разделе проверки позволяют обеспечить ввод генератора в экс- плуатацию. Выполнение приведенных дейст...
Страница 33 - ТЕХНИЧЕСКОЕ ОБСЛУЖИВАНИЕ АККУМУЛЯТОРНОЙ БАТАРЕИ; ОПАСНОСТЬ; ПОРЯДОК ПРОВЕДЕНИЯ ПРОВЕРКИ АККУМУЛЯТОРНОЙ БАТАРЕИ СТАРТЕРА
Инструкция по эксплуатации DS 16/22/27/40/55/68/80/100/137/165/200/275/340/410/495/550/670 www.fubag.ru - 33 - 6. ТЕХНИЧЕСКОЕ ОБСЛУЖИВАНИЕ АККУМУЛЯТОРНОЙ БАТАРЕИ ОПАСНОСТЬ • установите аккумуляторную батарею, обеспечив хорошую вентиляцию• никогда не подносите аккумуляторную батарею к источнику пламе...
Страница 36 - Схемы электрические; Схема коммутации альтернатора; Заводское подключение
Инструкция по эксплуатации DS 16/22/27/40/55/68/80/100/137/165/200/275/340/410/495/550/670 www.fubag.ru - 36 - 8. Схемы электрические 8.1 Схема коммутации альтернатора Заводское подключение Схема подключения Напряжение
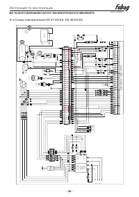
Страница 37 - Схема электрическая DS 16 DA ES, DS 22 DA ES
Инструкция по эксплуатации DS 16/22/27/40/55/68/80/100/137/165/200/275/340/410/495/550/670 www.fubag.ru - 37 - 8.2 Схема электрическая DS 16 DA ES, DS 22 DA ES %2 %2 %, %, %2 $, $, %, &20 %, $, / %2 % % % % % % % % ) / / / &20 %, $, %, $, $, %, 89 :1 55567 1 1 *& 0& 1 / / &20 CHI...
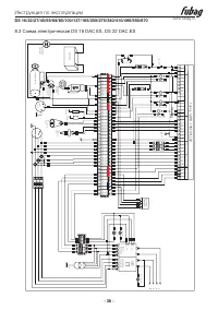
Страница 38 - Схема электрическая DS 16 DAC ES, DS 22 DAC ES
Инструкция по эксплуатации DS 16/22/27/40/55/68/80/100/137/165/200/275/340/410/495/550/670 www.fubag.ru - 38 - 8.3 Схема электрическая DS 16 DAC ES, DS 22 DAC ES %2 %2 %, %, %2 $, $, %, &20 %, $, / %2 % % % % % % % % ) / / / & 20 %, $, %, $, $, %, 89 :1 5 55 67 1 1 *& 0& 1 / / &2...
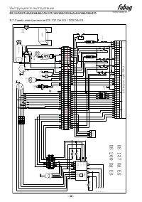
Страница 39 - Схема электрическая DS 27 DA ES, DS 40 DA ES
Инструкция по эксплуатации DS 16/22/27/40/55/68/80/100/137/165/200/275/340/410/495/550/670 www.fubag.ru - 39 - 8.4 Схема электрическая DS 27 DA ES, DS 40 DA ES %2 %2 %, %, %2 $, $, %, &20 %, $, / %2 % % % % % % % % ) / / / & 20 %, $, %, $, $, %, 89 :1 5 55 67 1 1 *& 0& 1 / / &20 ...
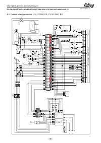
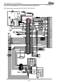
Страница 40 - Схема электрическая DS 27 DAC ES, DS 40 DAC ES
Инструкция по эксплуатации DS 16/22/27/40/55/68/80/100/137/165/200/275/340/410/495/550/670 www.fubag.ru - 40 - 8.5 Схема электрическая DS 27 DAC ES, DS 40 DAC ES %2 %2 %, %, %2 $, $, %, &20 %, $, / %2 % % % % % % % % ) / / / & 20 %, $, %, $, $, %, 89 :1 5 55 67 1 1 *& 0& 1 / CHINT &a...